GM Service Manual Online
For 1990-2009 cars only
Makes
🢒
Cadillac
🢒
2006
🢒
XLR
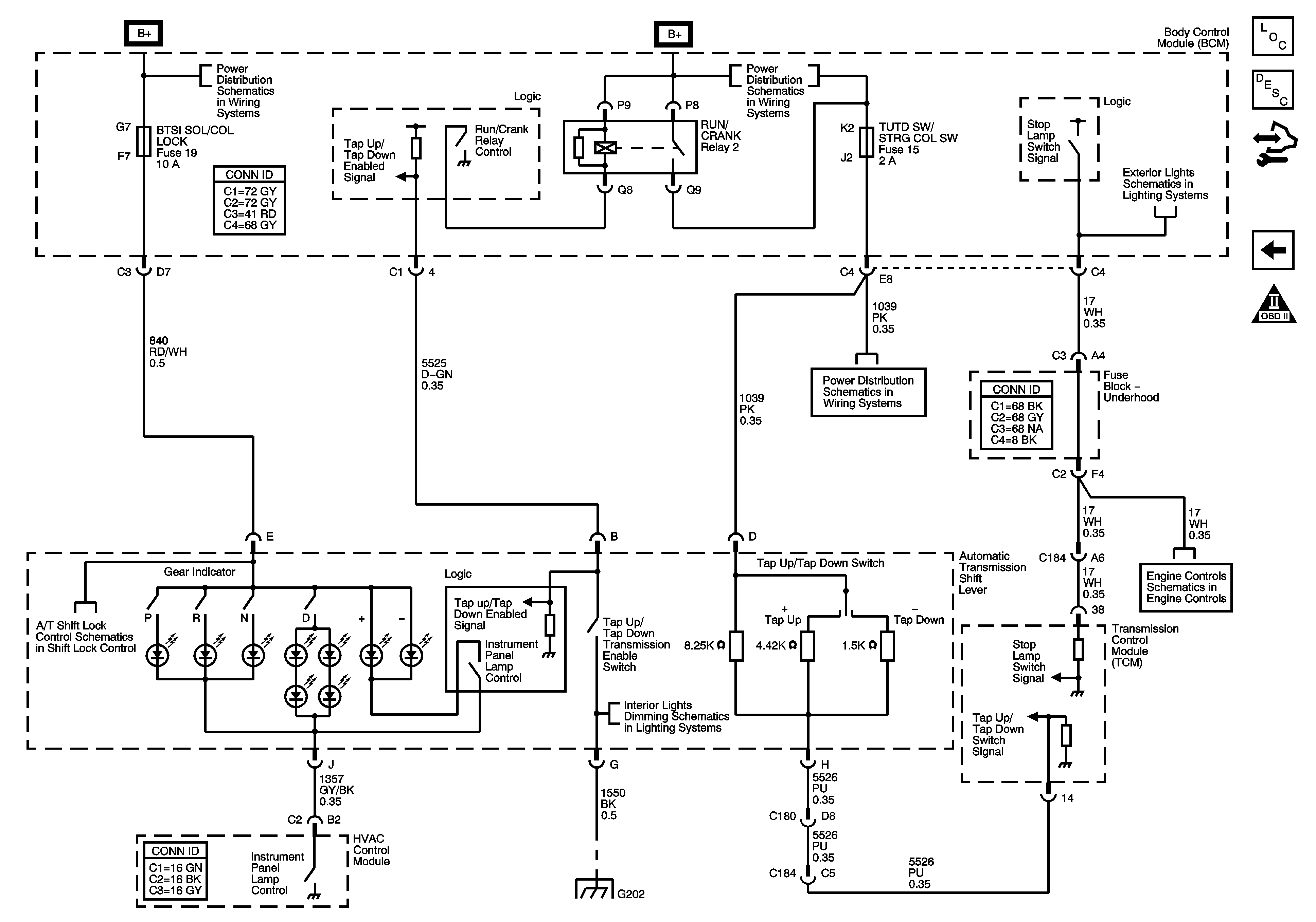
🢒 Shift Lever
Shift Lever
Shift Lever
Master Electrical Component List
Transmission General Description
Control Module References
IMS, ISS, SOLENOIDS, TFT and OSS
Automatic Transmission Schematic Icons
Fuse Block Underhood Fuses: BATT3, STOP/BULPS, BCM Fuses: BTSI SOL/COL LOCK, PWR FLDG MIR-EXT/RET, RADIO/ANT/VICS, REAR FOG/ALDL TOPSW, REVERSE LPS
BCM Fuses: AC LATCH/PK BRK B, CLUSTER, DOOR LOCKS, HVAC/PWR SND, INTERIOR LIGHTS, ISRVM/HVAC, and TUTD SW/STRG COL SW
Stop Lamps
BCM Fuses: AC LATCH/PK BRK B, CLUSTER, DOOR LOCKS, HVAC/PWR SND, INTERIOR LIGHTS, ISRVM/HVAC, and TUTD SW/STRG COL SW
Shift Lever
DLC, HVAC Control Module, Radio and Switches
G202 - 1 of 2