GM Service Manual Online
For 1990-2009 cars only
Makes
🢒
Cadillac
🢒
2006
🢒
XLR
🢒 Gages
Gages
Gages (LH2)
Master Electrical Component List
Instrument Cluster Description and Operation
Control Module References
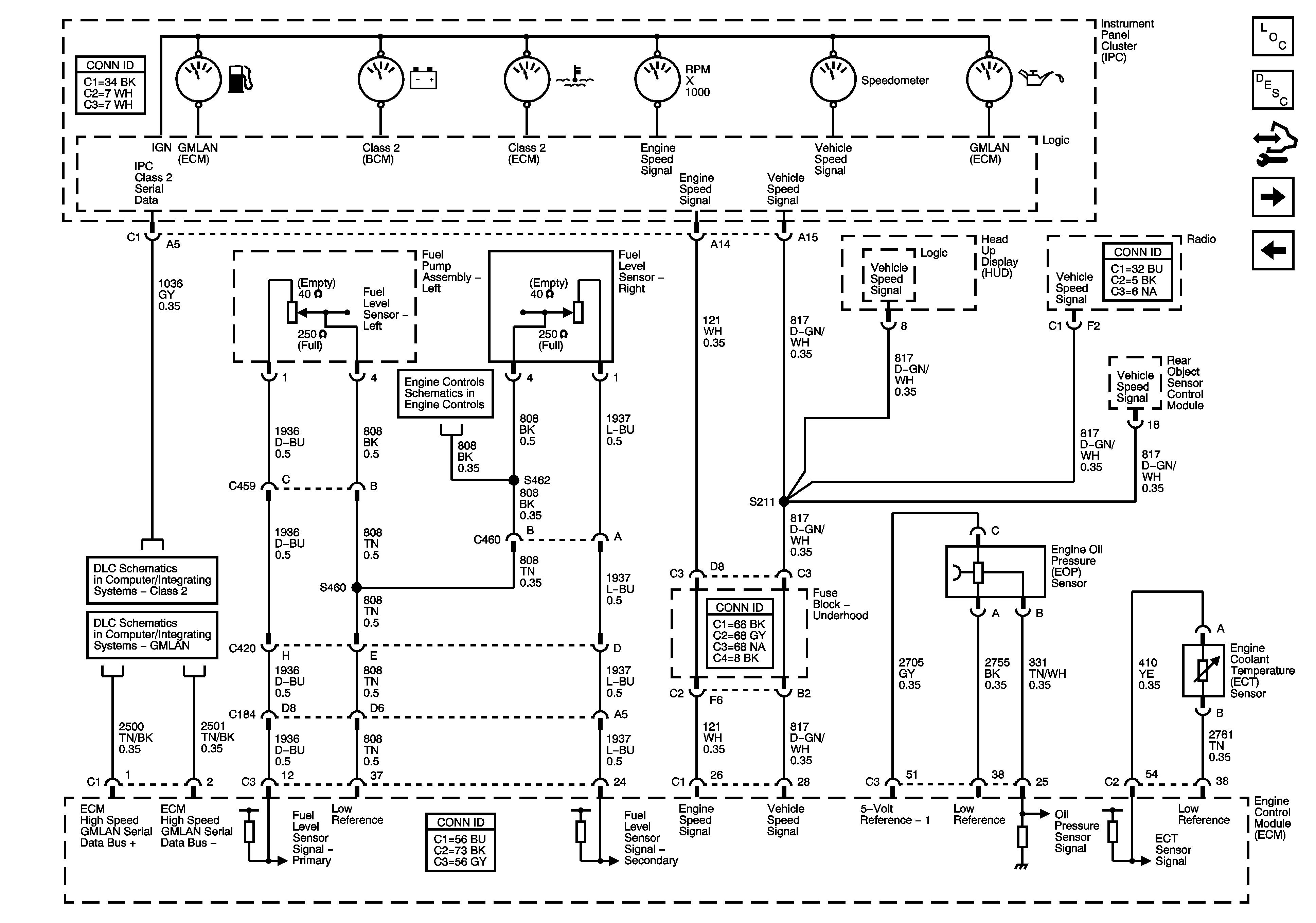
Instrument Cluster Gages Schematics
DLC, Ground, Indicators, and Power
Fuel Pump Controls
Class 2
GM LAN