GM Service Manual Online
For 1990-2009 cars only
Makes
🢒
Cadillac
🢒
2006
🢒
XLR
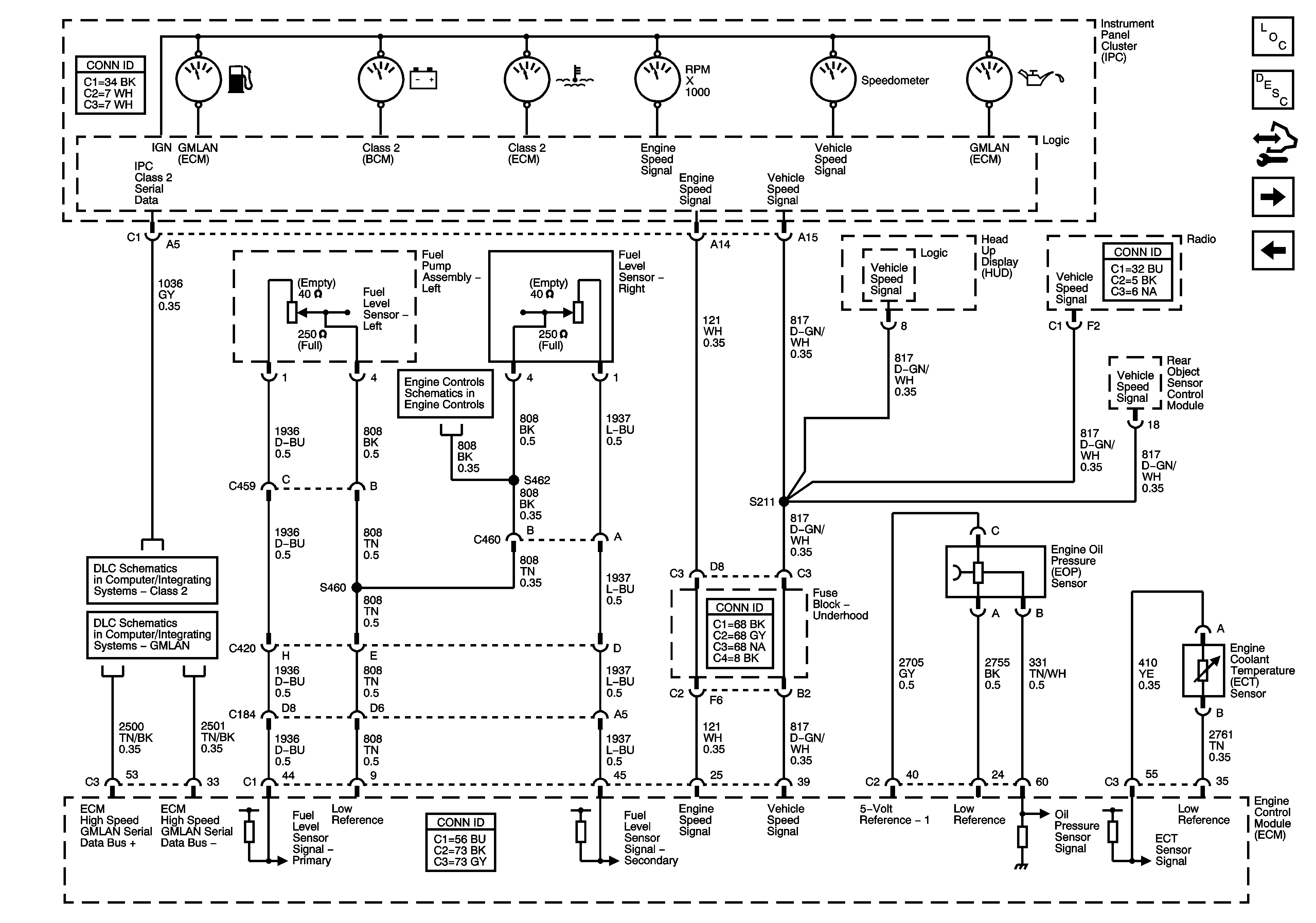
🢒 Instrument Cluster Gages Schematics
Instrument Cluster Gages Schematics
Gages (LC3)
Master Electrical Component List
Instrument Cluster Description and Operation
Control Module References
Messages
Gages
Fuel Controls - EVAP Controls
Class 2
GM LAN