GM Service Manual Online
For 1990-2009 cars only
Makes
🢒
Cadillac
🢒
2006
🢒
XLR
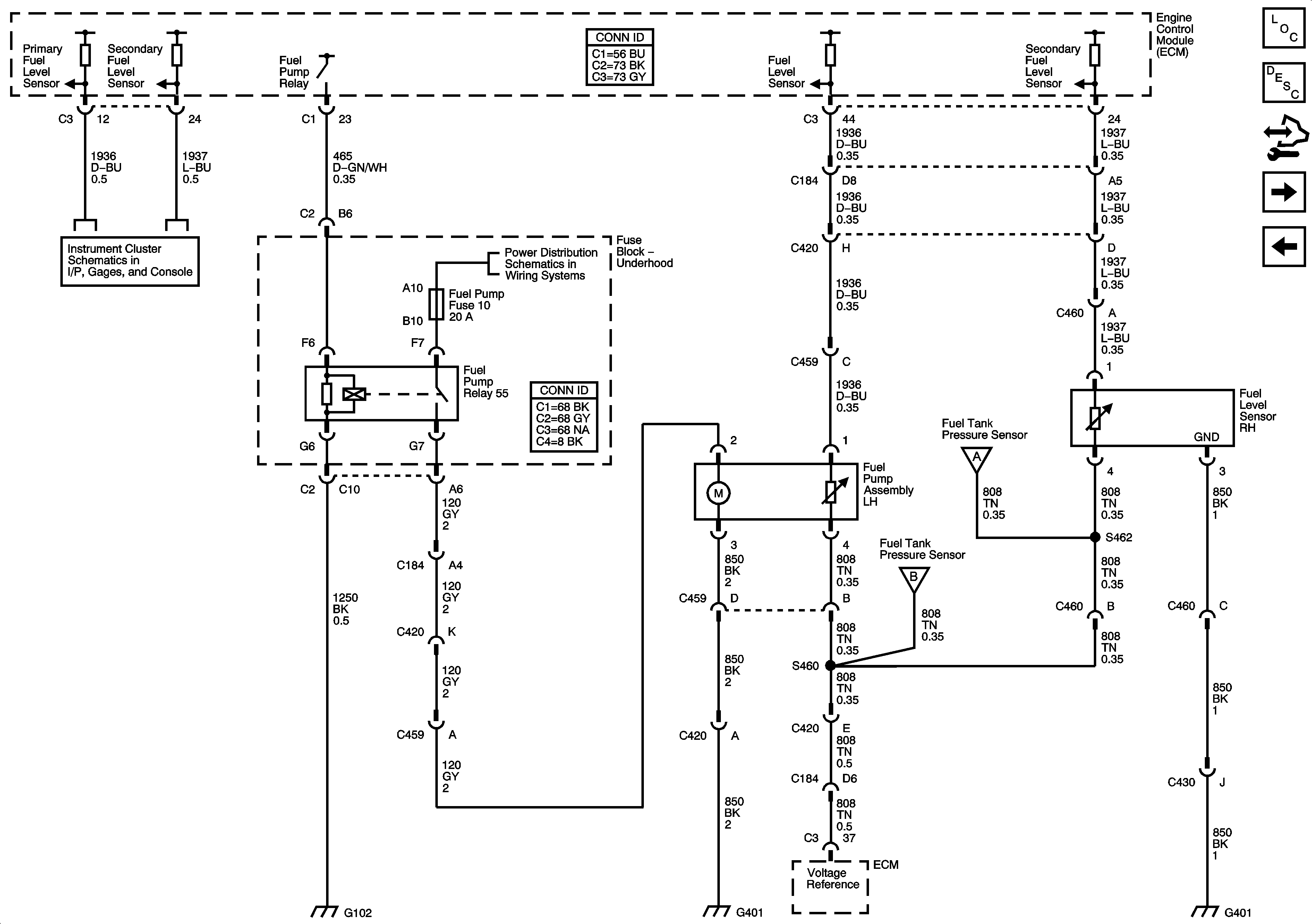
🢒 Fuel Pump Controls
Fuel Pump Controls
Fuel Controls - Fuel Pump Controls
Master Electrical Component List
Engine Control Module Description
Control Module References
06 XLR Engine Controls 4.6L Schematics - Controlled/Monitored Subsystem References
Fuel Controls - EVAP Controls
Engine Controls Schematic Icons
Gages
Fuse Block - Underhood Bussing
Low Reference Bussing
G102
G302, G401, and G402
G302, G401, and G402