GM Service Manual Online
For 1990-2009 cars only
Makes
🢒
Cadillac
🢒
2006
🢒
XLR
🢒
Vehicle Control Systems
🢒
Vehicle DTC Information
🢒 Headlights/Daytime Running Lights (DRL) Schematics
Figure
1:
Headlamp/DRL Controls
Master Electrical Component List
Exterior Lighting Systems Description and Operation
Control Module References
Headlamps
Headlamps
Headlamps
Headlamps
Park Lamp Control, Sidemarker, Park, and Position Lamps
Class 2
G201
G201
Temperature Sensors
Temperature Sensors
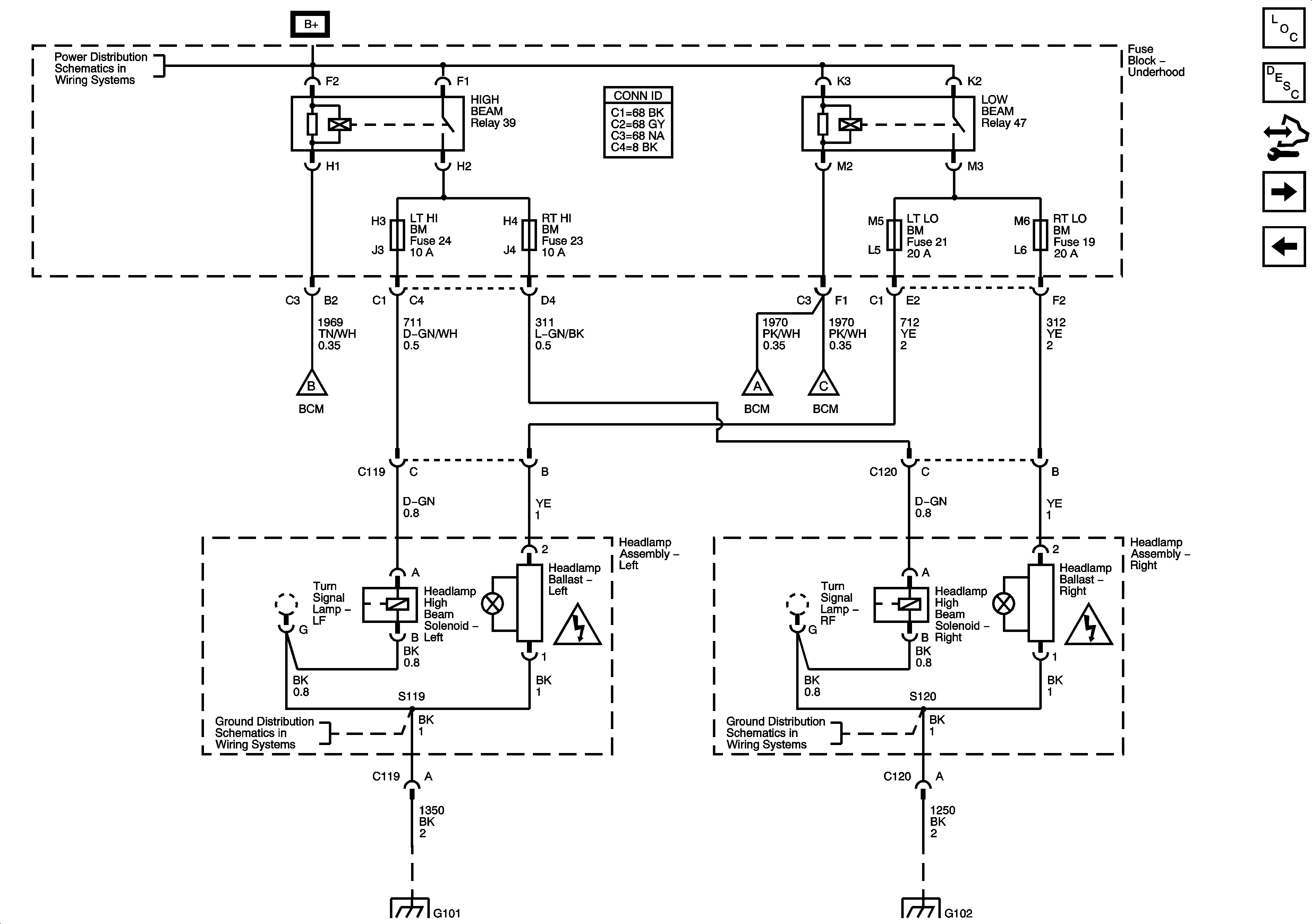
Figure
2:
Headlamps
Master Electrical Component List
Exterior Lighting Systems Description and Operation
Control Module References
Headlamp/DRL Controls
Fuse Block Underhood Fuses: LT HI BM, LT LO BM, RT HI BM, RT LO BM, Fuse Block I/P Fuses: RUN/ACCESSORY POWER, STEER WHEEL DIMMING and WIPER DWELL
Headlamp/DRL Controls
Headlamp/DRL Controls
Headlamp/DRL Controls
G101
G101
G102
G102
Figure
3:
Adaptive Forward Lighting System (AFS) - Except Japan and Europe