GM Service Manual Online
For 1990-2009 cars only
Makes
🢒
Cadillac
🢒
2006
🢒
XLR
🢒
Suspension
🢒
Tire Pressure Monitoring
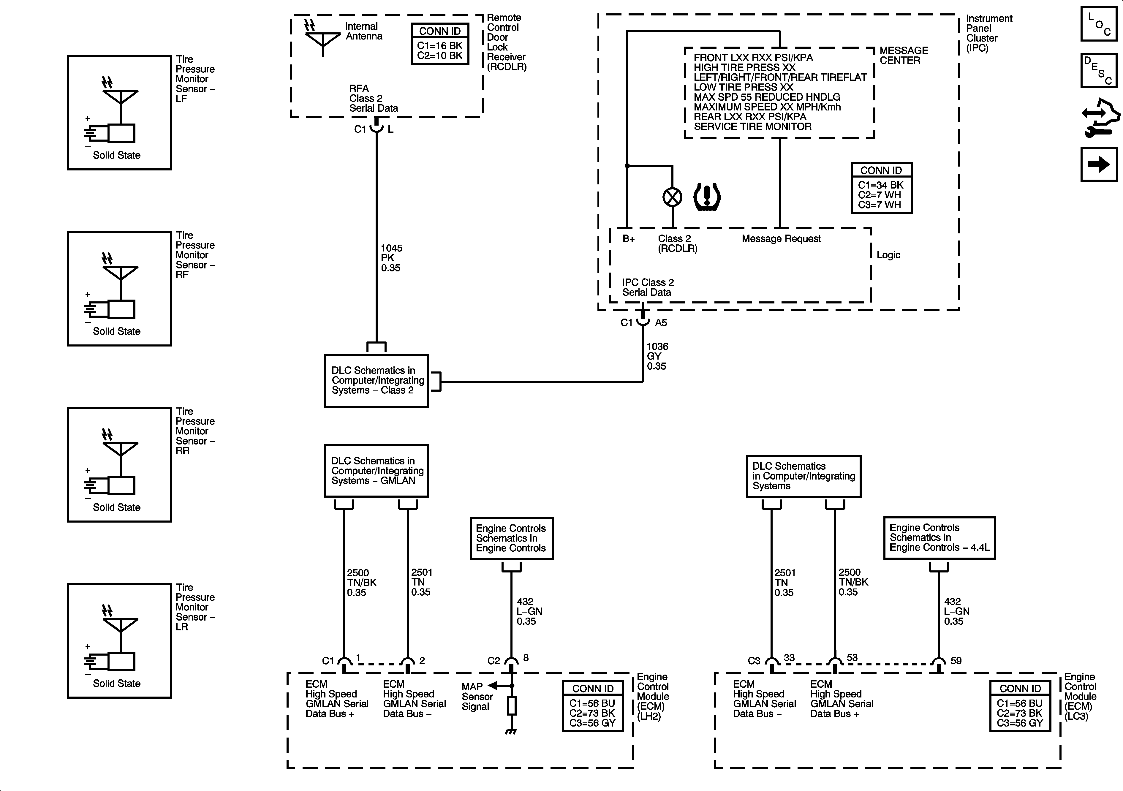
🢒 Tire Pressure Monitoring System Schematics
Figure
1:
Except Japan
Master Electrical Component List
Tire Pressure Monitor Description and Operation
Control Module References
Tire Pressure Monitoring Schematics - Japan
Class 2
GM LAN
Engine Data Sensors - Pressure Temperature, MAF, VSS and Brake Travel
GM LAN
Engine Data Sensors - ECT, MAP, MAF/IAT
Figure
2:
Japan
Master Electrical Component List
Tire Pressure Monitor Description and Operation
Control Module References
06 XLR Tire Pressure Monitoring Schematics - Except Japan
Wheel Speed Sensors
GM LAN
Class 2