GM Service Manual Online
For 1990-2009 cars only
Figure 1:

Blower Controls, DLC, Ground, MIL, Power, and Subsystem References


Object Number: 1480549  Size: FS
Master Electrical Component List
Air Delivery Description and Operation
Control Module References
Compressor Controls
Fuse Block Underhood Fuses: ABS, AMP, BATT2, COOLFAN, ECM/TCM, HORN, HVAC, MRRTD, W/S WASH
LH2
Vehicle Theft Deterrent
BCM Fuses: AC LATCH/PK BRK B, CLUSTER, DOOR LOCKS, HVAC/PWR SND, INTERIOR LIGHTS, ISRVM/HVAC, and TUTD SW/STRG COL SW
BCM Fuses: AC LATCH/PK BRK B, CLUSTER, DOOR LOCKS, HVAC/PWR SND, INTERIOR LIGHTS, ISRVM/HVAC, and TUTD SW/STRG COL SW
Defogger Schematics
Heated/Cooled Seats
Heated/Cooled Seats
G202 - 1 of 2
Class 2
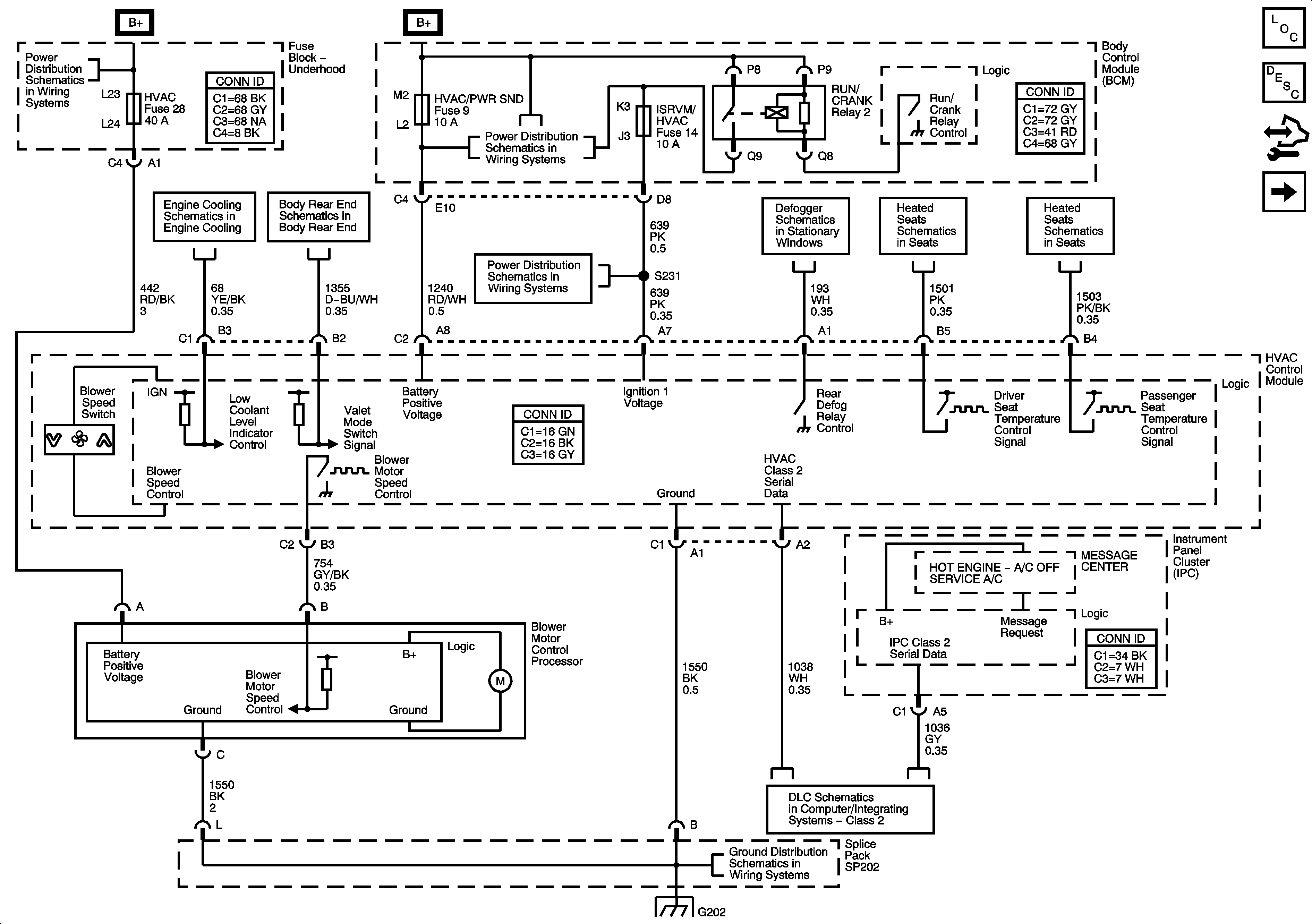
Figure 2:

Compressor Controls


Object Number: 1480557  Size: FS
Master Electrical Component List
Air Delivery Description and Operation
Control Module References
HVAC Compressor Controls
Blower Controls, DLC, Ground, MIL, Power, and Subsystem References
Fuse Block Underhood Fuses: EMISSION, ETC, EVEN INJ, FUEL, O2SEN, and ODD INJ
Class 2
GM LAN
G102
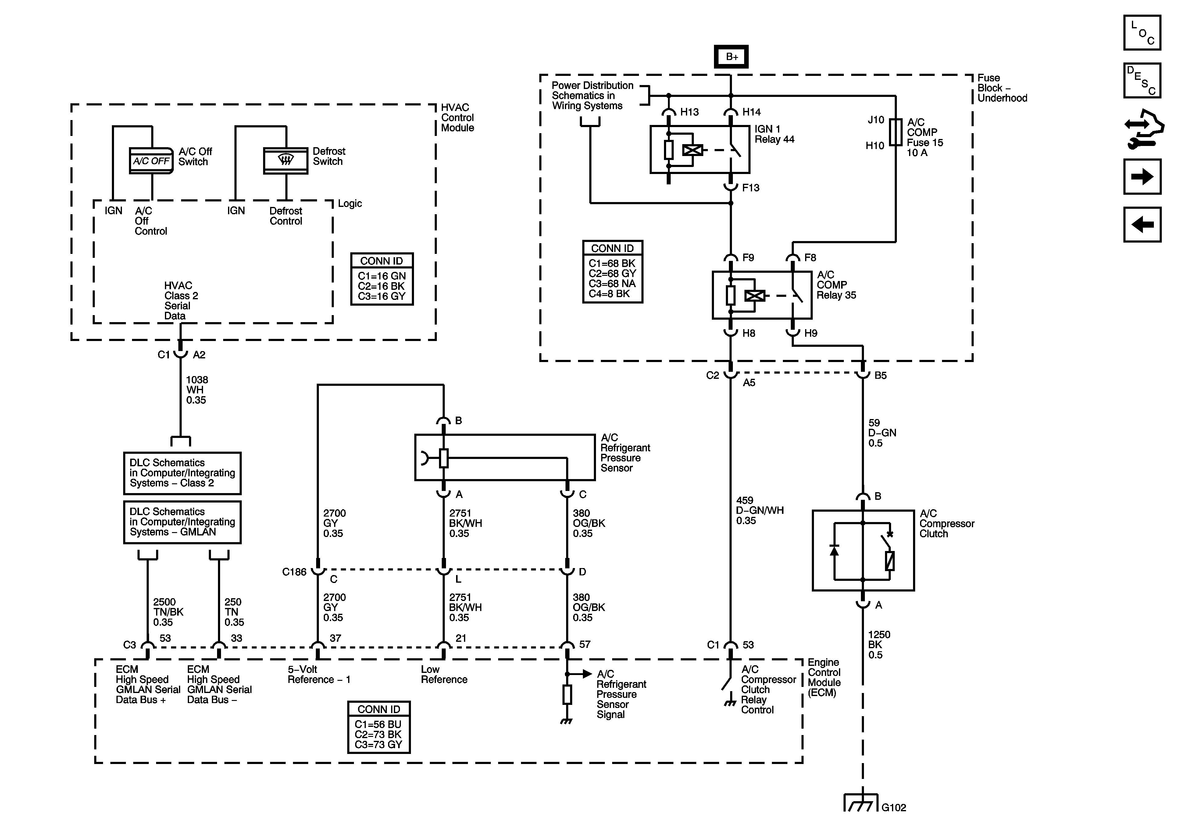
Figure 3:

Compressor Controls (LC3)


Object Number: 1658073  Size: FS
Master Electrical Component List
Air Delivery Description and Operation
Control Module References
Temperature Sensors
Compressor Controls
Fuse Block Underhood Fuses: EMISSION, ETC, EVEN INJ, FUEL, O2SEN, and ODD INJ
Class 2
GM LAN
G102
Figure 4:

Temperature Sensors


Object Number: 1480561  Size: FS
Master Electrical Component List
Air Delivery Description and Operation
Control Module References
Actuators
HVAC Compressor Controls
BCM Fuses: AC LATCH/PK BRK B, CLUSTER, DOOR LOCKS, HVAC/PWR SND, INTERIOR LIGHTS, ISRVM/HVAC, and TUTD SW/STRG COL SW
BCM Fuses: AC LATCH/PK BRK B, CLUSTER, DOOR LOCKS, HVAC/PWR SND, INTERIOR LIGHTS, ISRVM/HVAC, and TUTD SW/STRG COL SW
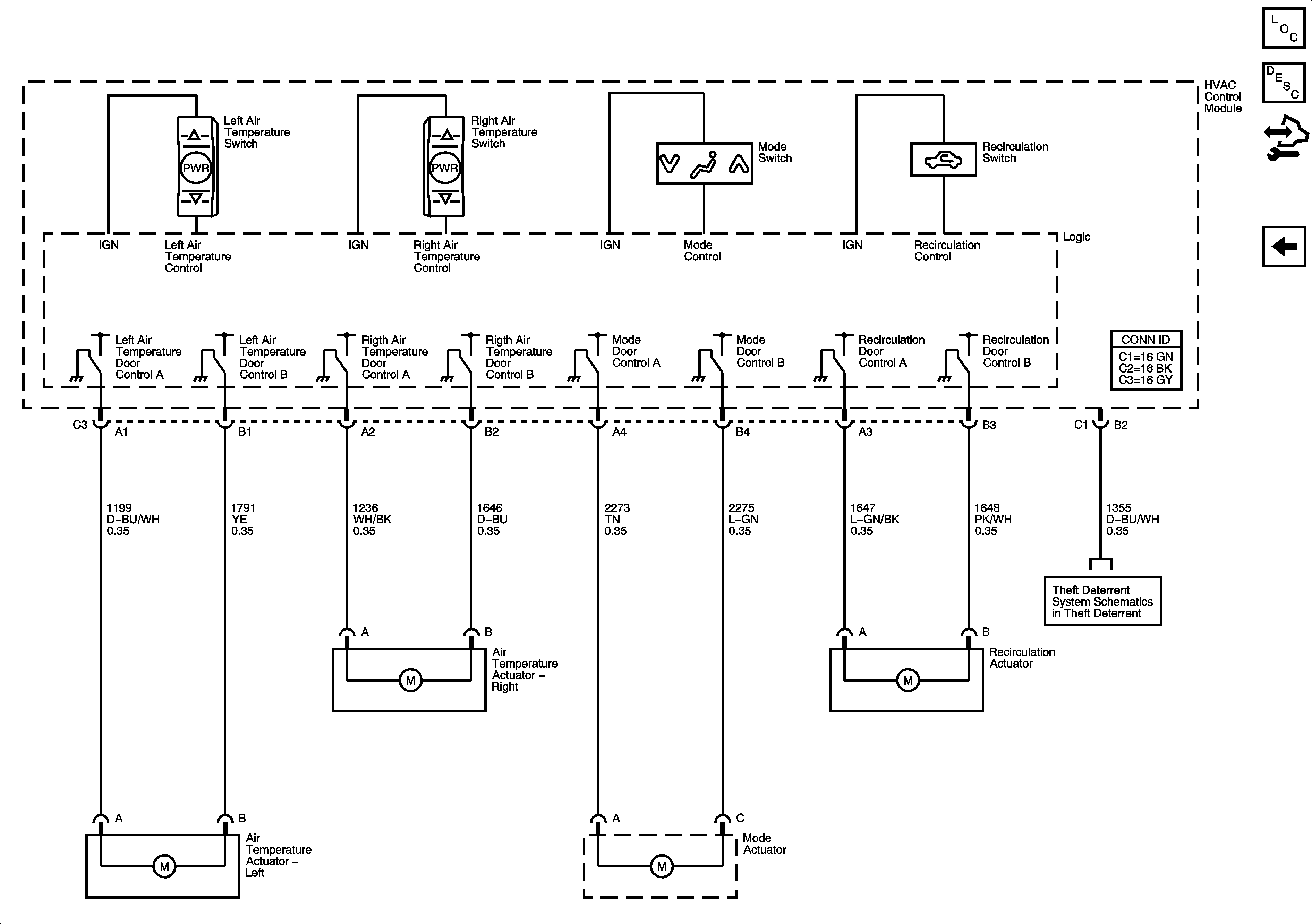
Figure 5:

Actuators


Object Number: 1686692  Size: FS
Master Electrical Component List
Air Delivery Description and Operation
Control Module References
Temperature Sensors
Vehicle Theft Deterrent