GM Service Manual Online
For 1990-2009 cars only
Makes
🢒
Cadillac
🢒
2006
🢒
XLR
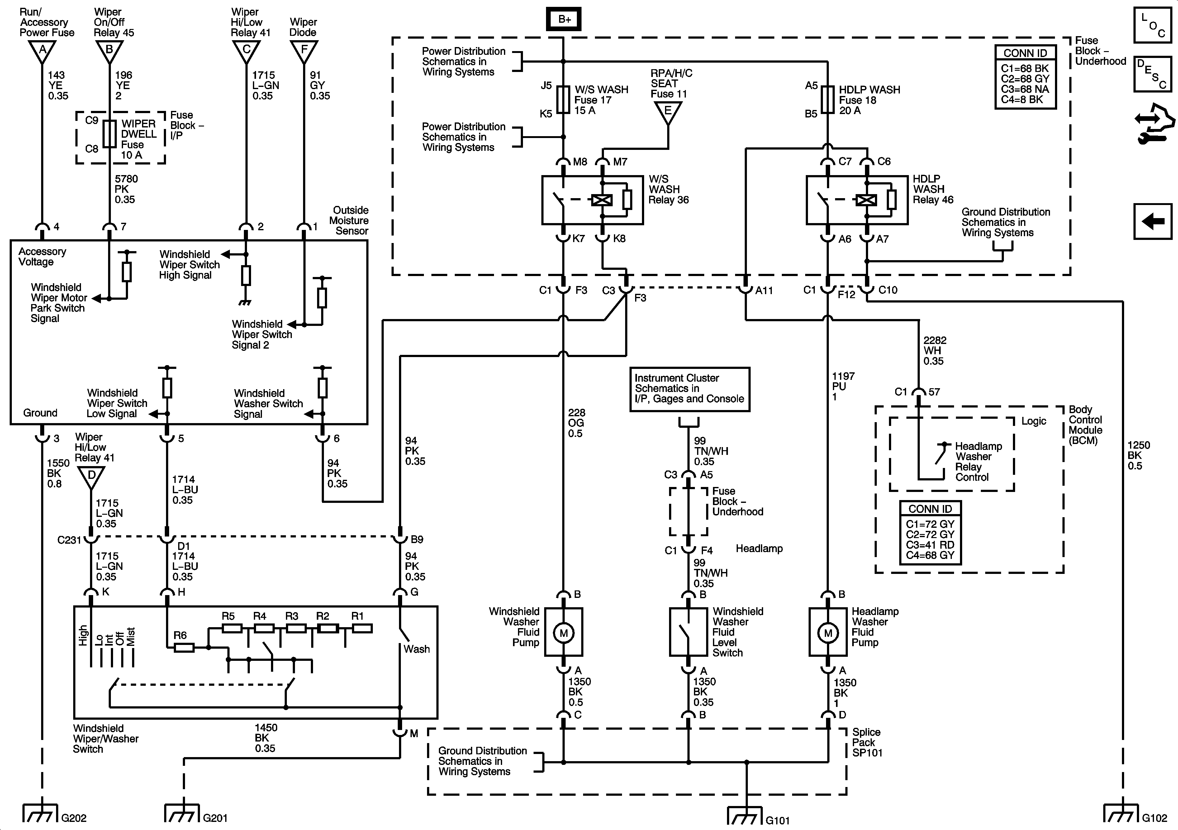
🢒 Wiper Switch, Washers and Outside Moisture Sensor
Wiper Switch, Washers and Outside Moisture Sensor
Wiper Switch, Washers and Outside Moisture Sensor
Master Electrical Component List
Wiper/Washer System Description and Operation
Control Module References
Power, Ground, and Wiper Motor
G101
G101
Fuse Block - Underhood Bussing
Fuse Block - Underhood Bussing
Power, Ground, and Wiper Motor
G102
Power, Ground, and Wiper Motor
DLC, Ground, Indicators, and Power
G202 - 1 of 2
G201
G101
G101
G102