GM Service Manual Online
For 1990-2009 cars only
Makes
🢒
Cadillac
🢒
2006
🢒
XLR
🢒 Ground, Indicator, Power, Sensors, and Switches
Ground, Indicator, Power, Sensors, and Switches
Ground, Indicator, Power, Sensors, and Switches
Master Electrical Component List
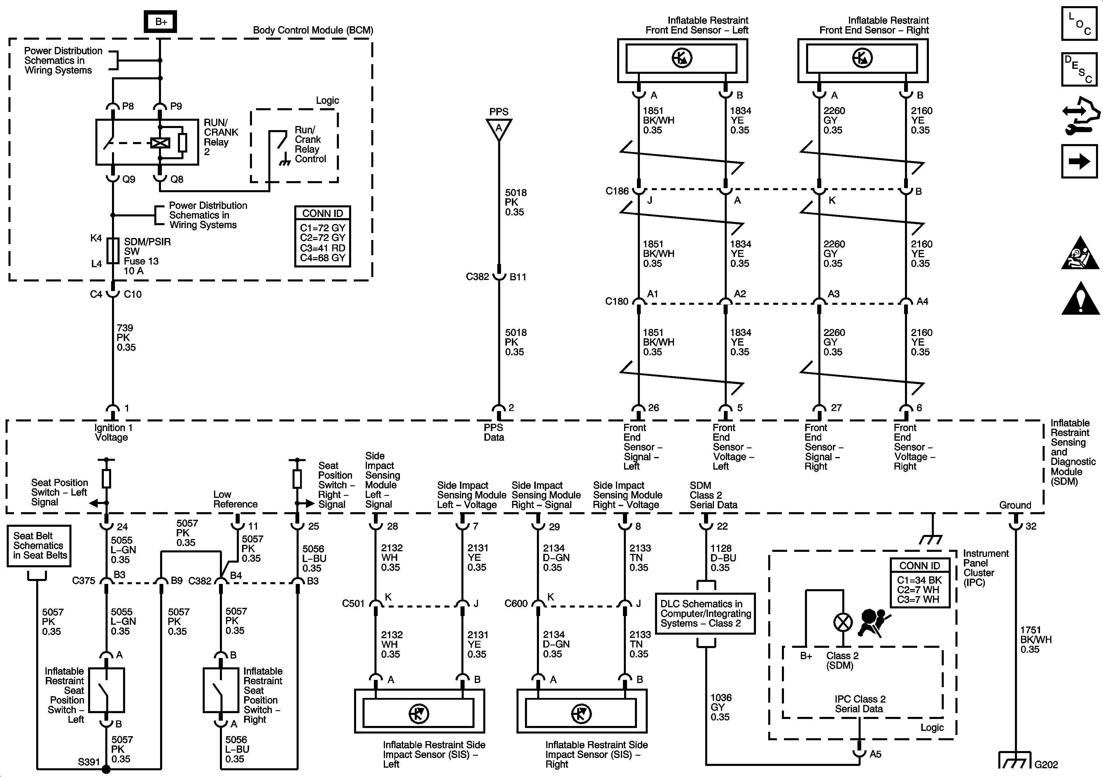
SIR System Description and Operation
Control Module References
Deployment Loops
SIR Schematic Icons
SIR Schematic Icons
BCM Fuses: AC LATCH/PK BRK B, CLUSTER, DOOR LOCKS, HVAC/PWR SND, INTERIOR LIGHTS, ISRVM/HVAC, and TUTD SW/STRG COL SW
BCM Fuses: ECM, GMLAN Devices, RPA/H/C SEAT and SDM/PSIR SW, Fuse Block Underhood Fuses - ABS/MRRTD, and ACC/TCM
Passenger Presence System (PPS)
Seat Belts Schematics
Class 2
G202 - 1 of 2