GM Service Manual Online
For 1990-2009 cars only
Makes
🢒
Cadillac
🢒
2006
🢒
XLR
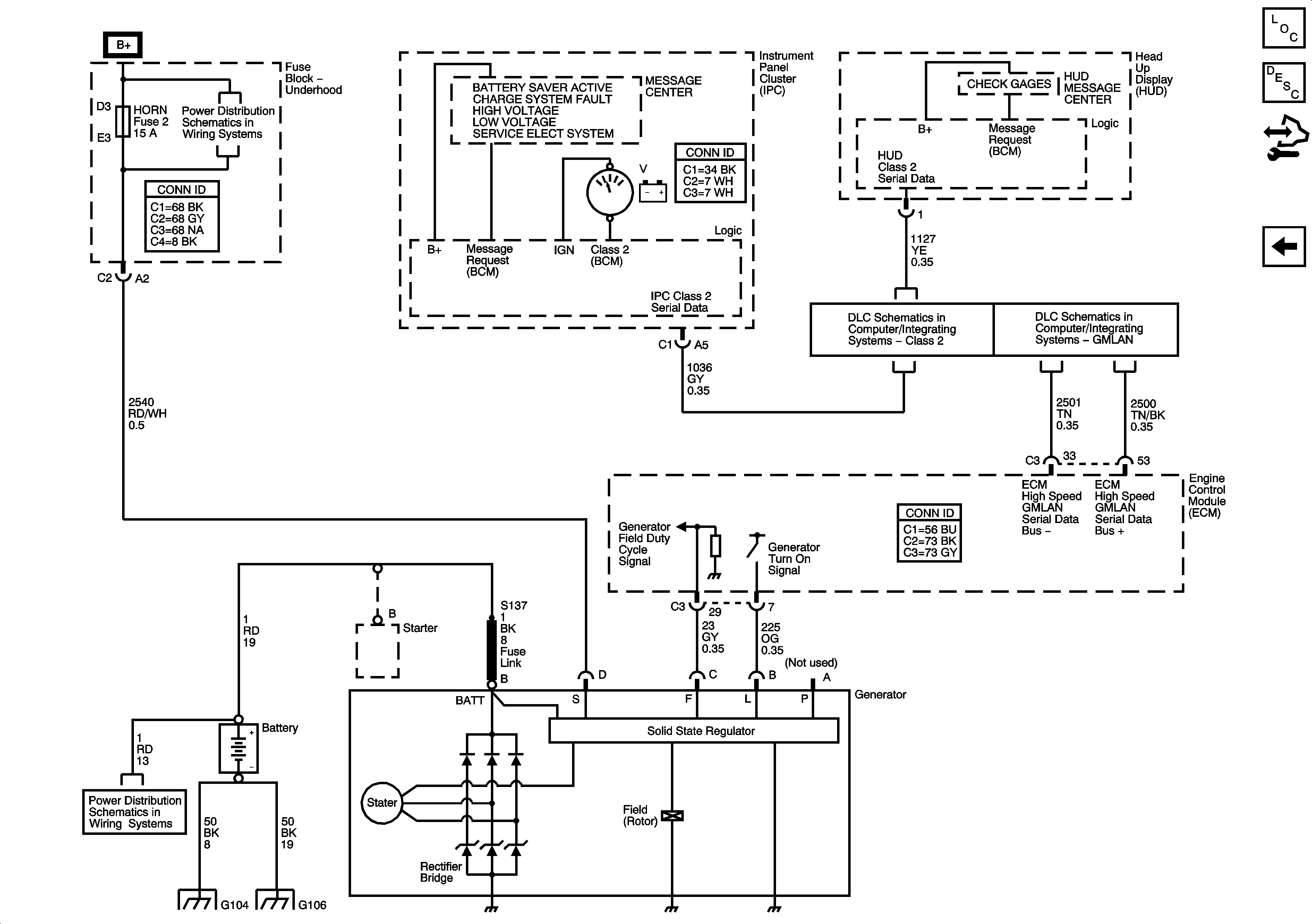
🢒 Starting and Charging Schematics(LC3)
Starting and Charging Schematics(LC3)
Charging (LC3)
Master Electrical Component List
Charging System Description and Operation
Control Module References
Charging
Fuse Block Underhood Fuses: ABS, AMP, BATT2, COOLFAN, ECM/TCM, HORN, HVAC, MRRTD, W/S WASH
Class 2
GM LAN
Fuse Block - Underhood Bussing
G104 and G106
G104 and G106