GM Service Manual Online
For 1990-2009 cars only
Makes
🢒
Cadillac
🢒
2006
🢒
XLR
🢒 Charging
Charging
Charging (LH2)
Master Electrical Component List
Charging System Description and Operation
Control Module References
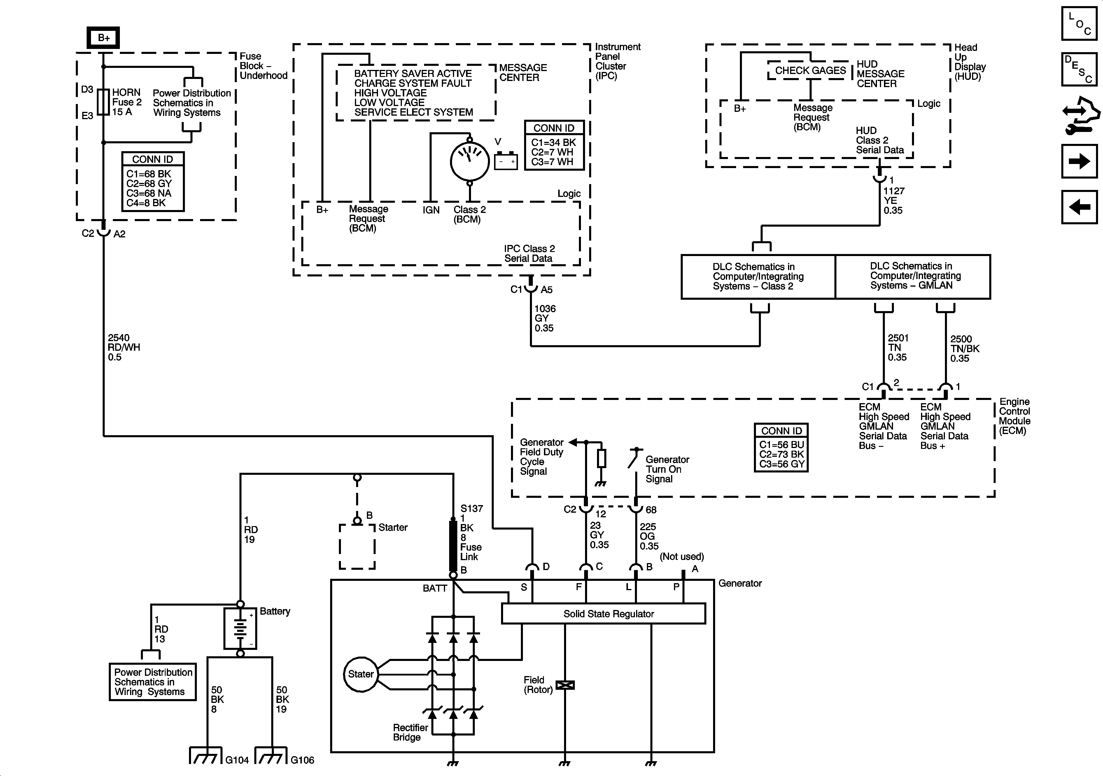
Starting and Charging Schematics (LC3)
Starting and Charging - Cranking Schematics (LC3)
Fuse Block Underhood Fuses: ABS, AMP, BATT2, COOLFAN, ECM/TCM, HORN, HVAC, MRRTD, W/S WASH
Class 2
GM LAN
Fuse Block - Underhood Bussing
G104 and G106
G104 and G106