GM Service Manual Online
For 1990-2009 cars only
Makes
🢒
Cadillac
🢒
2006
🢒
XLR
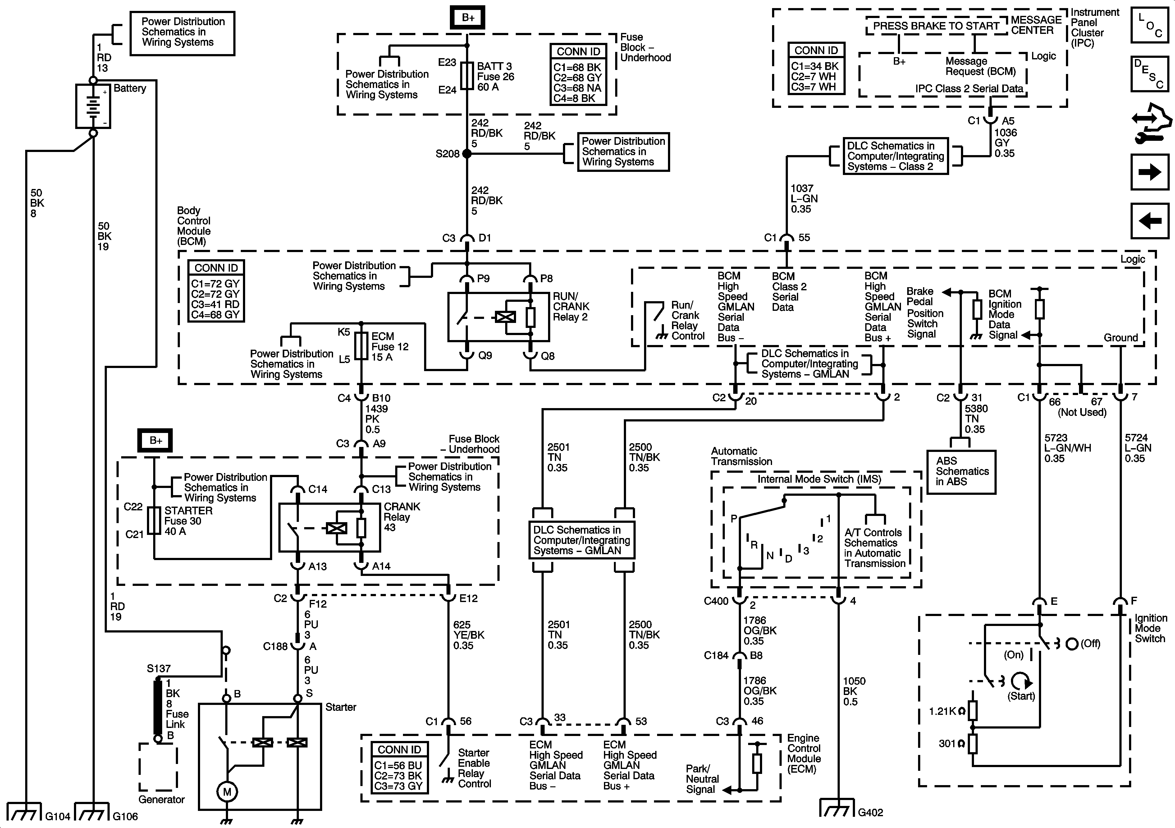
🢒 Starting and Charging - Cranking Schematics (LC3)
Starting and Charging - Cranking Schematics (LC3)
Cranking (LC3)
Master Electrical Component List
Starting System Description and Operation
Control Module References
Charging
Cranking
Fuse Block - Underhood Bussing
Fuse Block Underhood Fuses: LT HI BM, LT LO BM, RT HI BM, RT LO BM, Fuse Block I/P Fuses: RUN/ACCESSORY POWER, STEER WHEEL DIMMING and WIPER DWELL
Fuse Block Underhood Fuses: LT HI BM, LT LO BM, RT HI BM, RT LO BM, Fuse Block I/P Fuses: RUN/ACCESSORY POWER, STEER WHEEL DIMMING and WIPER DWELL
Class 2
BCM Fuses: AC LATCH/PK BRK B, CLUSTER, DOOR LOCKS, HVAC/PWR SND, INTERIOR LIGHTS, ISRVM/HVAC, and TUTD SW/STRG COL SW
GM LAN
Fuse Block - Underhood Bussing
Fuse Block - Underhood Bussing
GM LAN
IMS, ISS, SOLENOIDS, TFT and OSS
Brake Pedal Signal and Traction Control Switch
G104 and G106
G104 and G106
G302, G401, and G402