GM Service Manual Online
For 1990-2009 cars only
Makes
🢒
Cadillac
🢒
2006
🢒
XLR
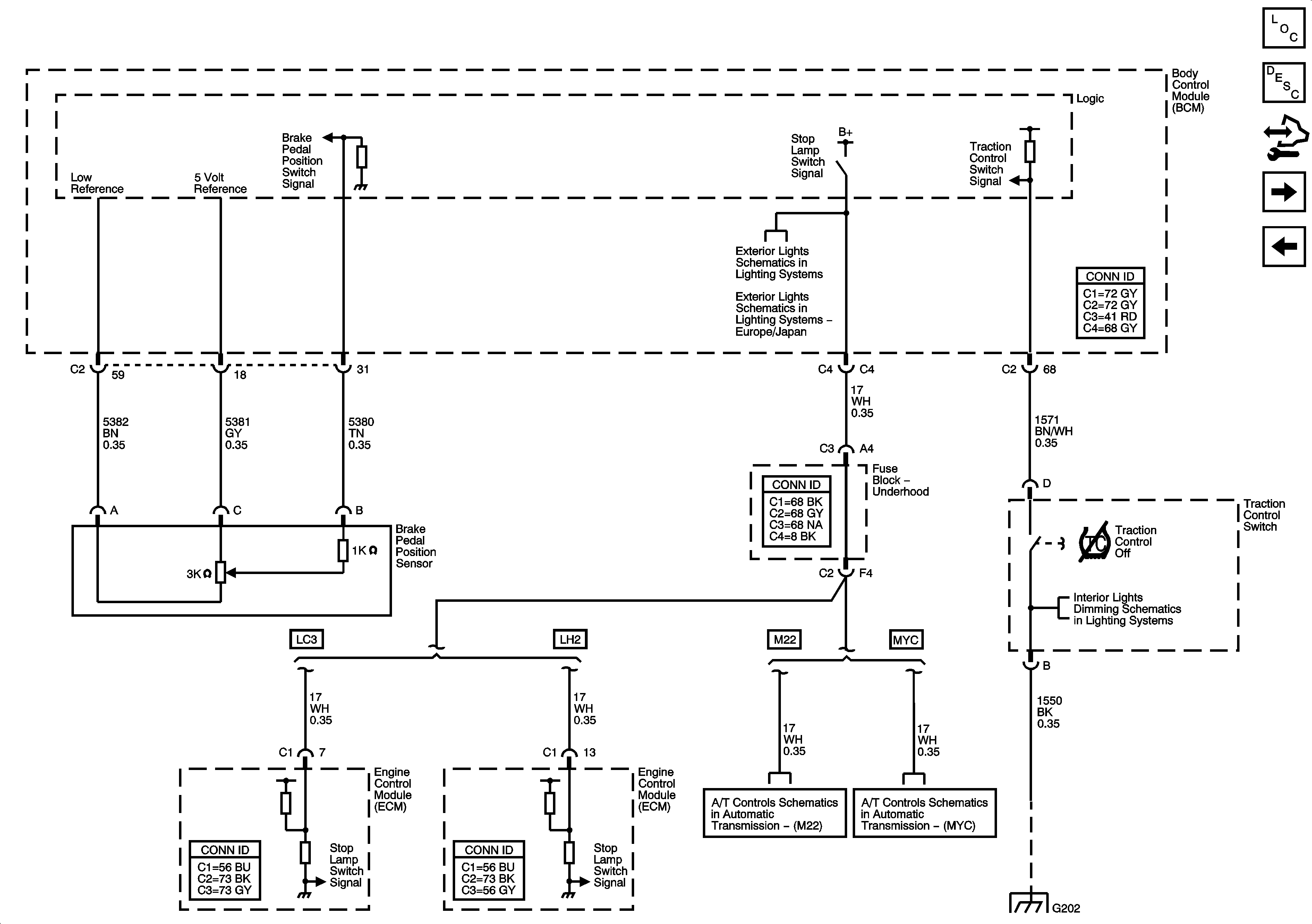
🢒 Brake Pedal Signal and Traction Control Switch
Brake Pedal Signal and Traction Control Switch
Brake Pedal Signal and Traction Control Switch
Master Electrical Component List
ABS Description and Operation
Control Module References
Stability Control Sensors
Wheel Speed Sensors
Turn Signal and Hazard Lamps (Domestic)
Stop Lamps
DLC, HVAC Control Module, Radio and Switches
Shift Lever
Shift Lever
G202 - 1 of 2