GM Service Manual Online
For 1990-2009 cars only
Figure 1:

G101


Object Number: 1752941  Size: FS
Master Electrical Component List
Control Module References
G102
Power and Grounding Schematic Icons
G102
Figure 2:

G102


Object Number: 1752957  Size: FS
Master Electrical Component List
Control Module References
G104 and G106
G101
Power and Grounding Schematic Icons
G101
Figure 3:

G104 and G106


Object Number: 1752964  Size: FS
Master Electrical Component List
Control Module References
G105, G107, G109, G110, G111 and G112
G102
Figure 4:

G105, G107, G109, G110, G111 and G112


Object Number: 1752966  Size: FS
Master Electrical Component List
Control Module References
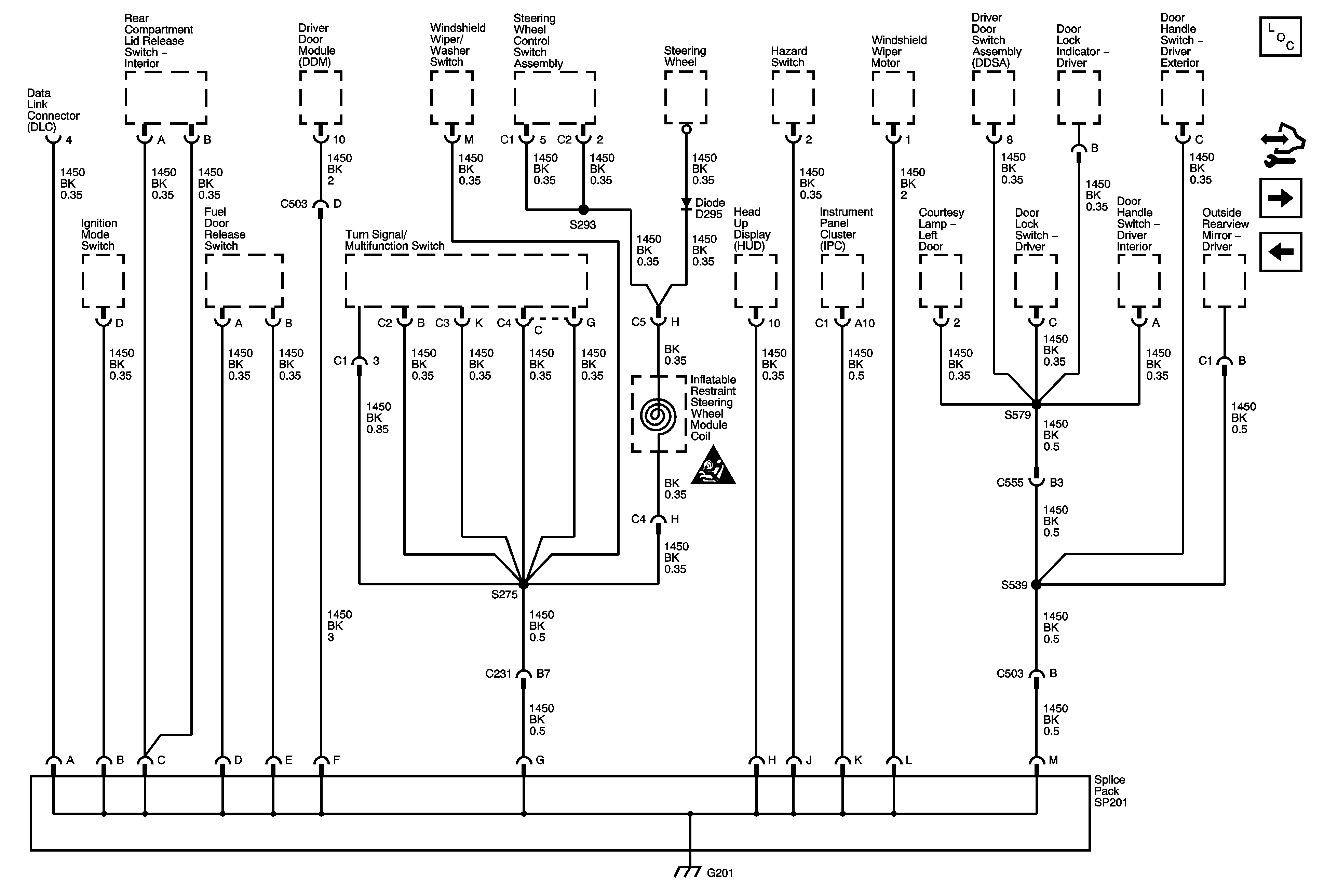
G201
G104 and G106
Figure 5:

G201


Object Number: 1752967  Size: FS
Master Electrical Component List
Control Module References
G202
G105, G107, G109, G110, G111 and G112
Power and Grounding Schematic Icons
Figure 6:

G202


Object Number: 1752968  Size: FS
Master Electrical Component List
Control Module References
G202 Continued
G201
G202 Continued
Figure 7:

G202 Continued


Object Number: 1752970  Size: FS
Master Electrical Component List
Control Module References
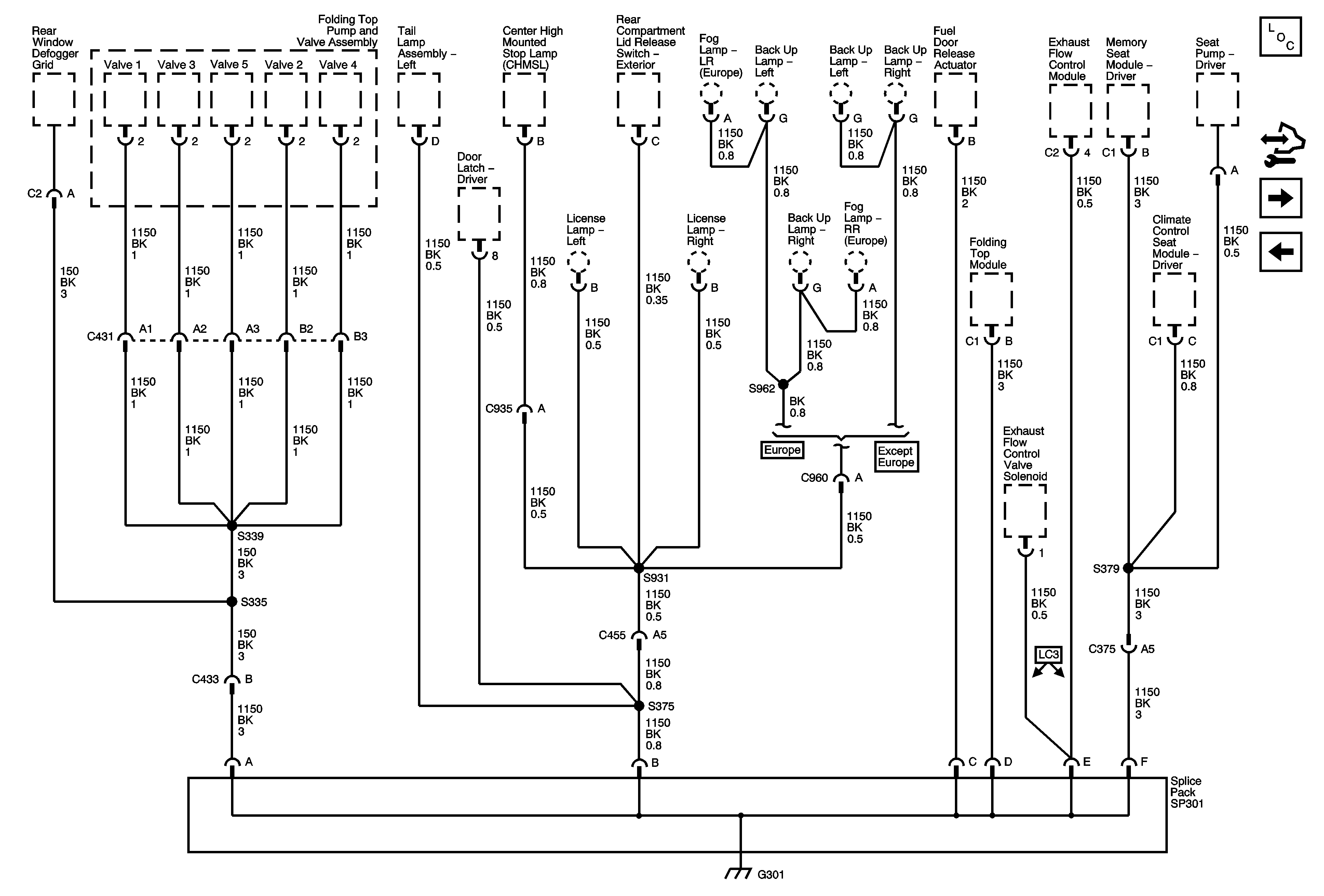
G301
G202
G202
Figure 8:

G301


Object Number: 1752971  Size: FS
Master Electrical Component List
Control Module References
G302, G401, and G402
G202 Continued
Figure 9:

G302, G401, and G402


Object Number: 1752973  Size: FS
Master Electrical Component List
Control Module References
G301