GM Service Manual Online
For 1990-2009 cars only
Makes
🢒
Cadillac
🢒
2007
🢒
XLR
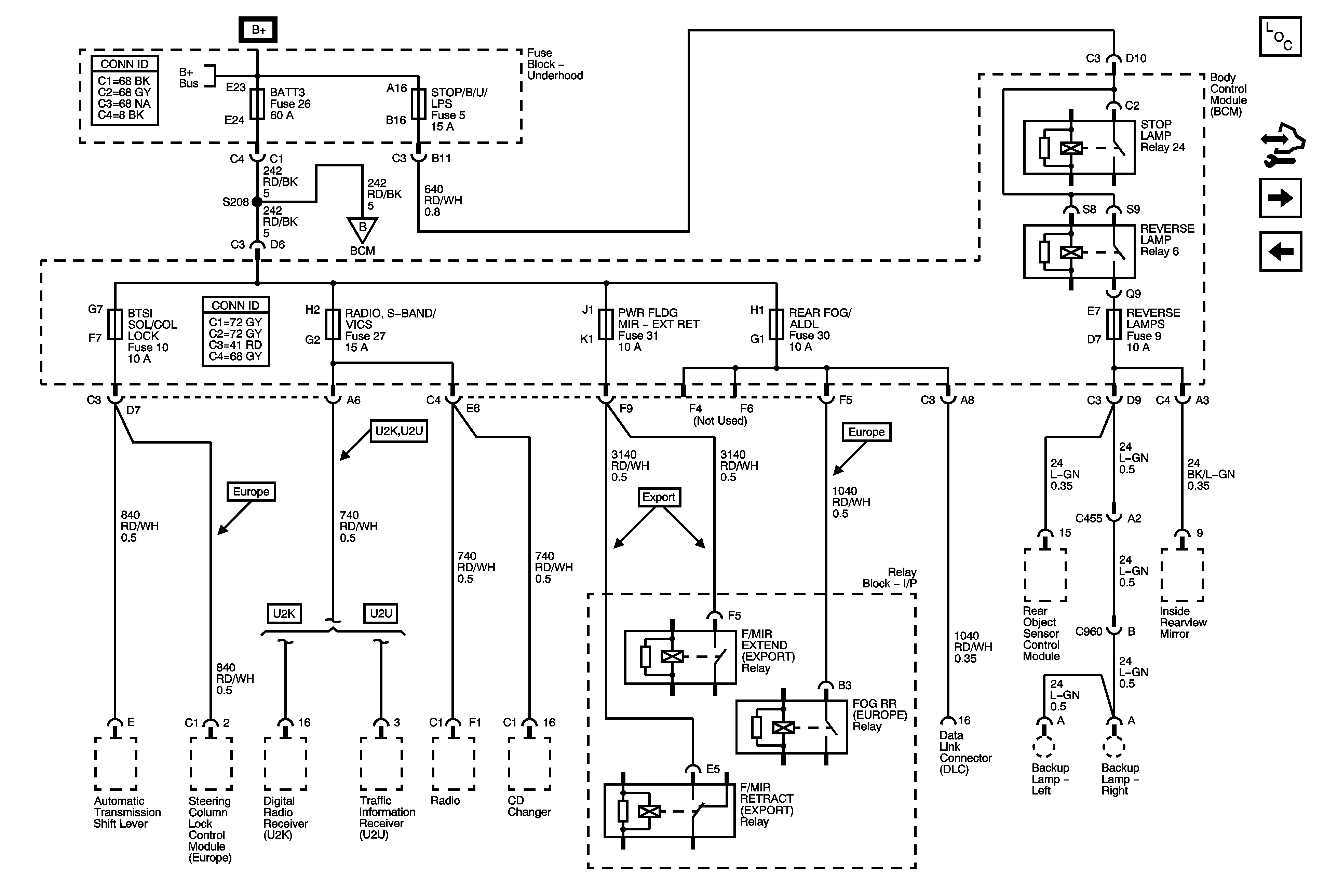
🢒 BATT 3, STOP/B/U/LPS, BTSI SOL/COL LOCK, RADIO/ANT/VICS, PWR FLDG MIR - EXT/RET, REAR FOG/ALDL TOP SW, REVERSE LAMPS Fuses, AND STOP LAMP, REVERSE LAMP Relays
BATT 3, STOP/B/U/LPS, BTSI SOL/COL LOCK, RADIO/ANT/VICS, PWR FLDG MIR - EXT/RET, REAR FOG/ALDL TOP SW, REVERSE LAMPS Fuses, AND STOP LAMP, REVERSE LAMP Relays
BATT3, STOP/B/U/LPS, BTSI SOL/COL LOCK, RADIO/ANT/VICS, PWR FLDG MIR - EXT/RET, REAR FOG/ALDL TOP SW, REVERSE LAMPS Fuses, and STOP LAMP, REVERSE LAMP Relays
Master Electrical Component List
Control Module References
CLUSTER, A.C. LATCH/PK BRK B, DOOR LOCKS, INTERIOR LIGHTS, HVAC/PWR SND, ISRVM/HVAC, TUTD SW/STRG COL SW FUSES, and RUN/CRANK Relay 2
BATT 5, TILT/TELE/MEM SEAT MOD, ACCA/DRIV DR SW, IGNITION SW/INTR SENS, ONSTAR, PARK BRAKE SOL A Fuses, and PARK BRAKE RELEASE Relay
Fuse Block - Underhood Bussing
Fuse Block - Underhood Bussing
CLUSTER, A.C. LATCH/PK BRK B, DOOR LOCKS, INTERIOR LIGHTS, HVAC/PWR SND, ISRVM/HVAC, TUTD SW/STRG COL SW FUSES, and RUN/CRANK Relay 2