GM Service Manual Online
For 1990-2009 cars only
Makes
🢒
Cadillac
🢒
2007
🢒
XLR
🢒 4.4L
4.4L
Master Electrical Component List
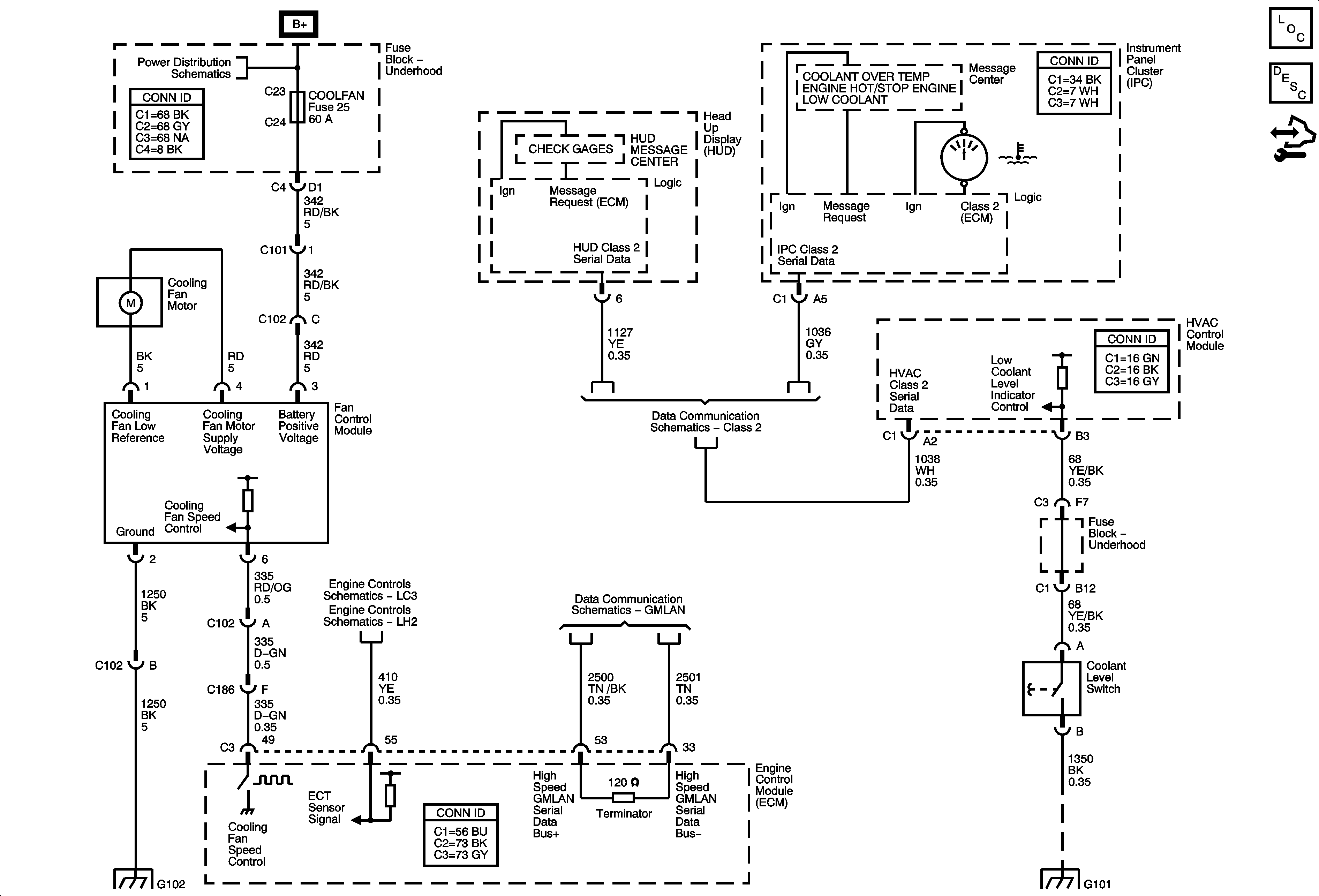
Cooling System Description and Operation
Control Module References
Fuse Block - Underhood Bussing
COOLFAN, AMP, HVAC, ABS, MRRTD, ECM/TCM, HORN, BATT 2 Fuses, and HORN, REAR DEFOG Relays
Class 2
MAF/IAT, ECT, MAP Sensors, and Stop Lamp Switch Signal
IAT/MAF, ECT, MAP Sensors, and Stop Lamp Switch Signal
GMLAN
G102
G101