GM Service Manual Online
For 1990-2009 cars only
Makes
🢒
Cadillac
🢒
2007
🢒
XLR
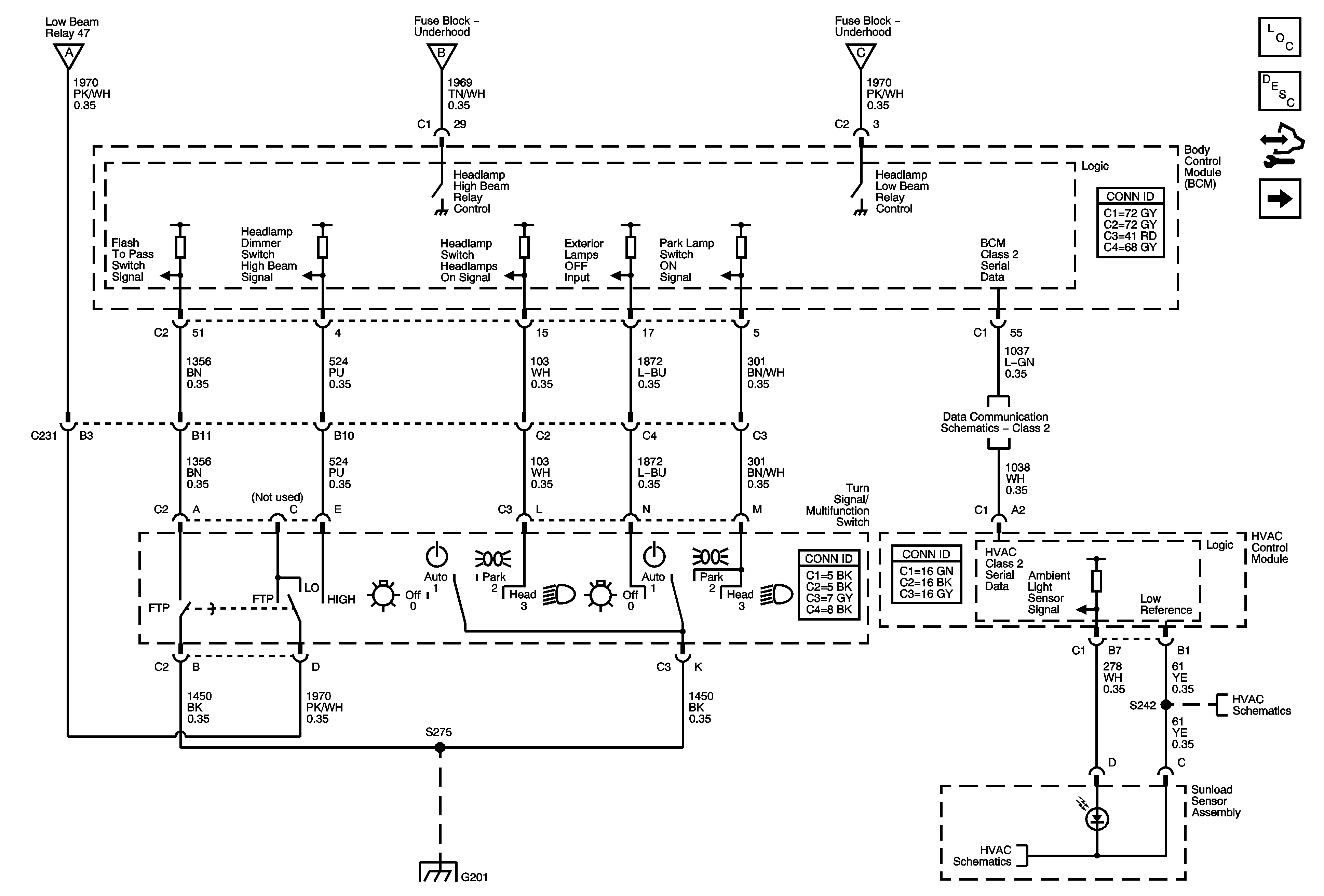
🢒 Headlamp/DRL Controls
Headlamp/DRL Controls
Headlamp/DRL Controls
Master Electrical Component List
Exterior Lighting Systems Description and Operation
Control Module References
Headlamps
Headlamps
Headlamps
Headlamps
Class 2
G201
G201
Temperature Sensors
Temperature Sensors