GM Service Manual Online
For 1990-2009 cars only
Makes
🢒
Cadillac
🢒
2007
🢒
XLR
🢒 Headlamps
Headlamps
Headlamps
Master Electrical Component List
Exterior Lighting Systems Description and Operation
Control Module References
Adaptive Forward Lighting System (AFS) - Except Japan and Europe
Headlamp/DRL Controls
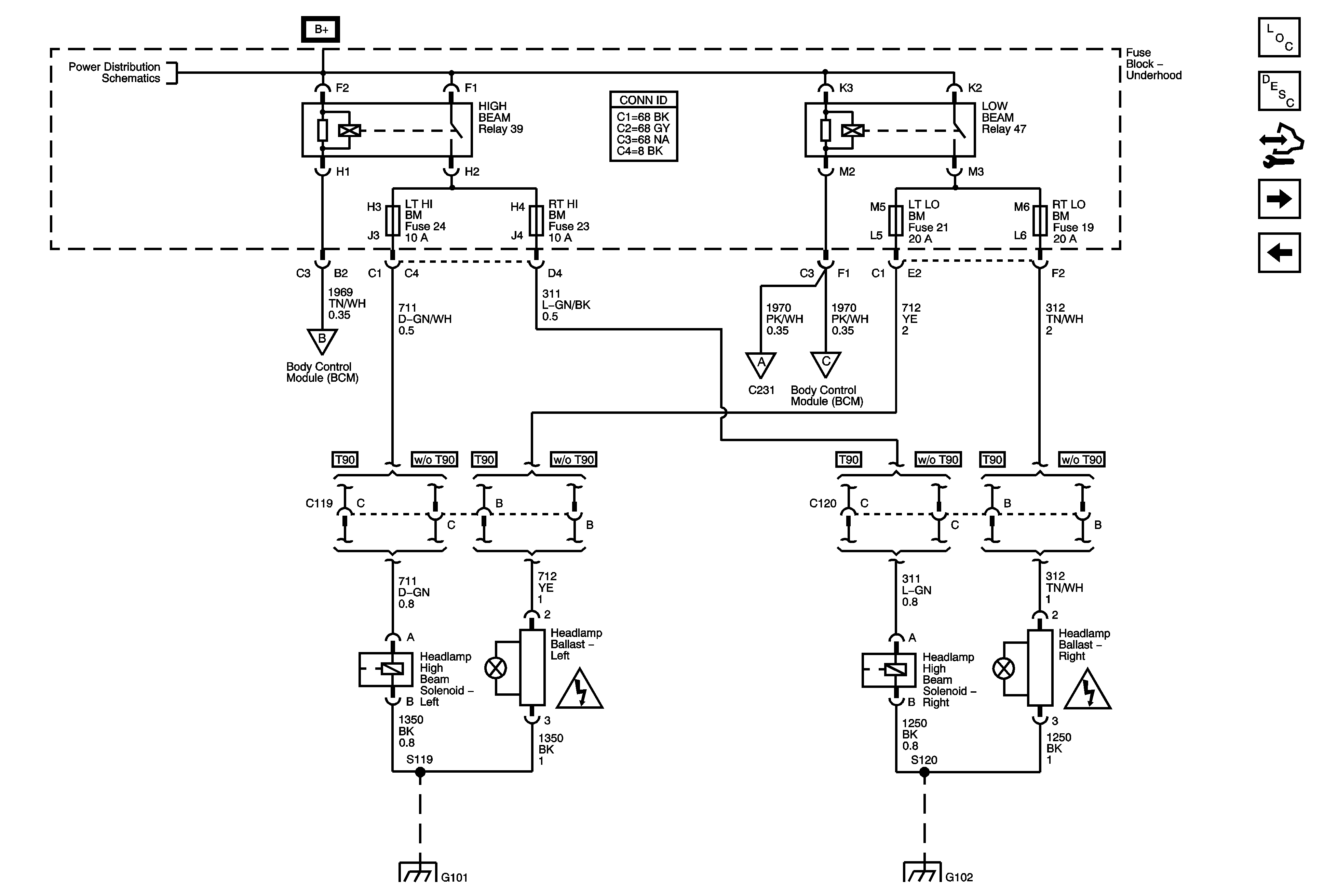
Fuse Block - Underhood Bussing
LT HI BM, RT HI BM, LT LO BM, RT LO BM, WIPER, STEERING WHEEL DIMMING, WIPER DWELL, RUN/ACCESSORY POWER Fuses, and HIGH BEAM, LOW BEAM Relays
Headlamp/DRL Controls
Headlamp/DRL Controls
Headlamp/DRL Controls
Lighting Systems Schematic Icons
Lighting Systems Schematic Icons
G101
G101
G102
G102