GM Service Manual Online
For 1990-2009 cars only
Makes
🢒
Cadillac
🢒
2007
🢒
XLR
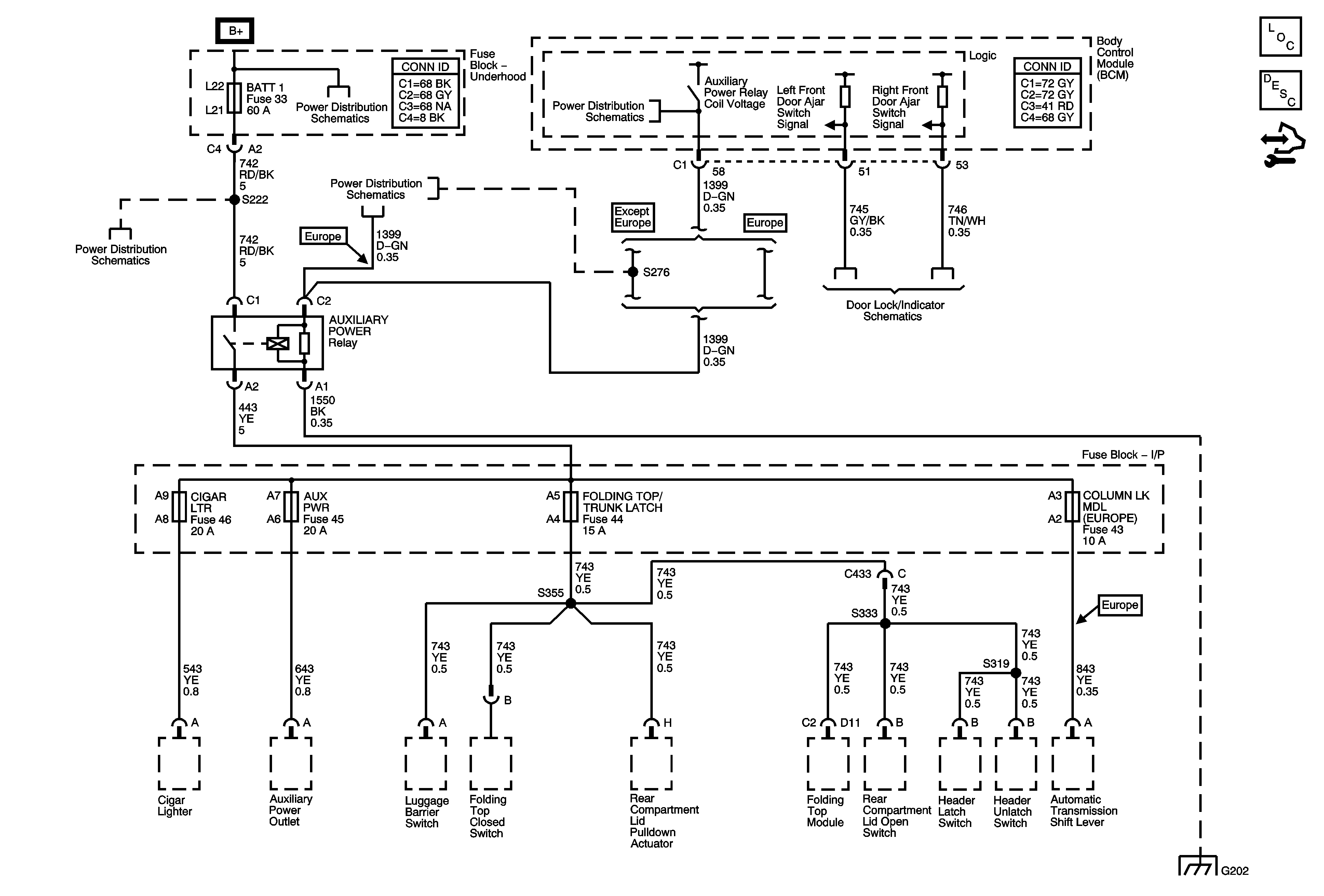
🢒 Power Moding Schematics
Power Moding Schematics
Master Electrical Component List
Body Control System Description and Operation
Control Module References
Fuse Block - Underhood Bussing
Fuse Block - Underhood Bussing
BATT 1, HEATED SEAT LH, HEATED SEAT RH, POWER LUMBAR LH/RH Fuses, and DOOR CONTROLS, POWER SEATS Circuit Breakers, and FUEL DOOR Relay
Ignition Mode Switch
Ignition Mode Switch
Lamp Controls, and Courtesy, Underhood, I/P Compartment, Vanity Mirrors, Inside Rearview Mirror Lamps
G202