GM Service Manual Online
For 1990-2009 cars only
Makes
🢒
Cadillac
🢒
2007
🢒
XLR
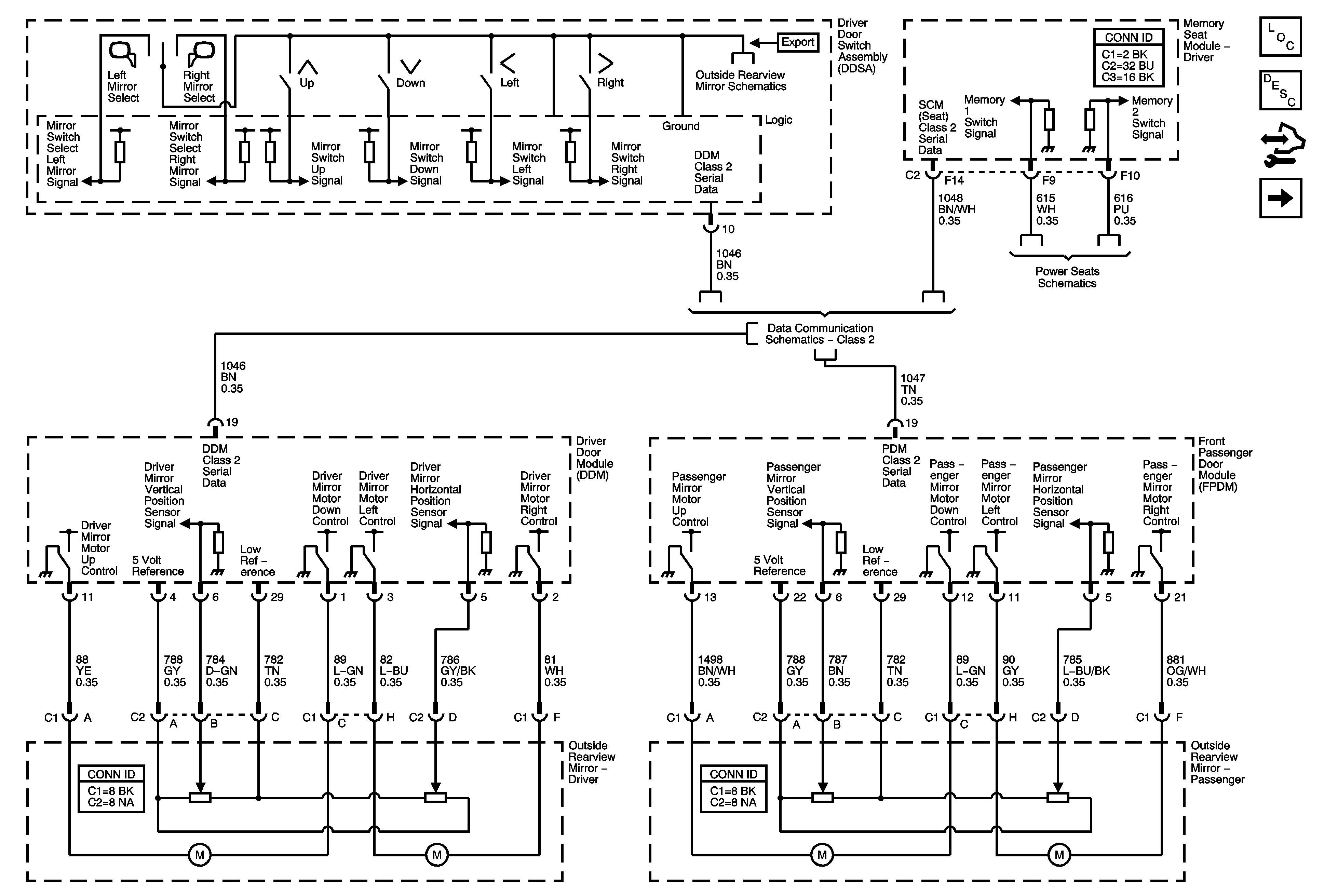
🢒 Memory Power Mirrors
Memory Power Mirrors
Memory Power Mirrors
Master Electrical Component List
Outside Mirror Description and Operation
Control Module References
Dimming Mirror and Heated Mirrors
Power Folding Mirrors - Export
Power, Ground, DLC, Switches, and References
Class 2