GM Service Manual Online
For 1990-2009 cars only
Makes
🢒
Cadillac
🢒
2007
🢒
XLR
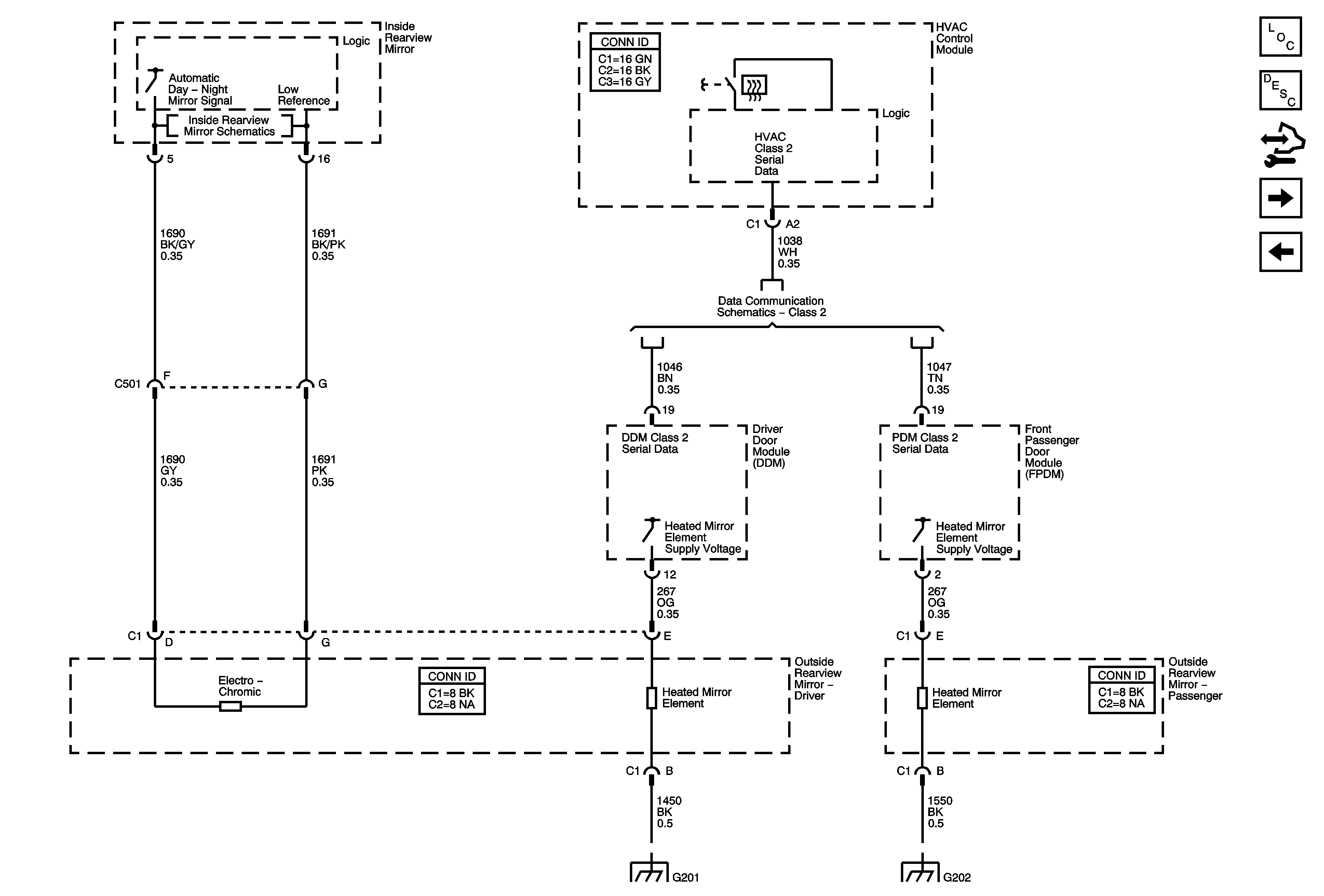
🢒 Dimming Mirror and Heated Mirrors
Dimming Mirror and Heated Mirrors
Dimming Mirror and Heated Mirrors
Master Electrical Component List
Outside Mirror Description and Operation
Control Module References
Power Folding Mirrors - Export
Memory Power Mirrors
Class 2
G201
G202