GM Service Manual Online
For 1990-2009 cars only
Makes
🢒
Cadillac
🢒
2007
🢒
XLR
🢒 Horn Schematics
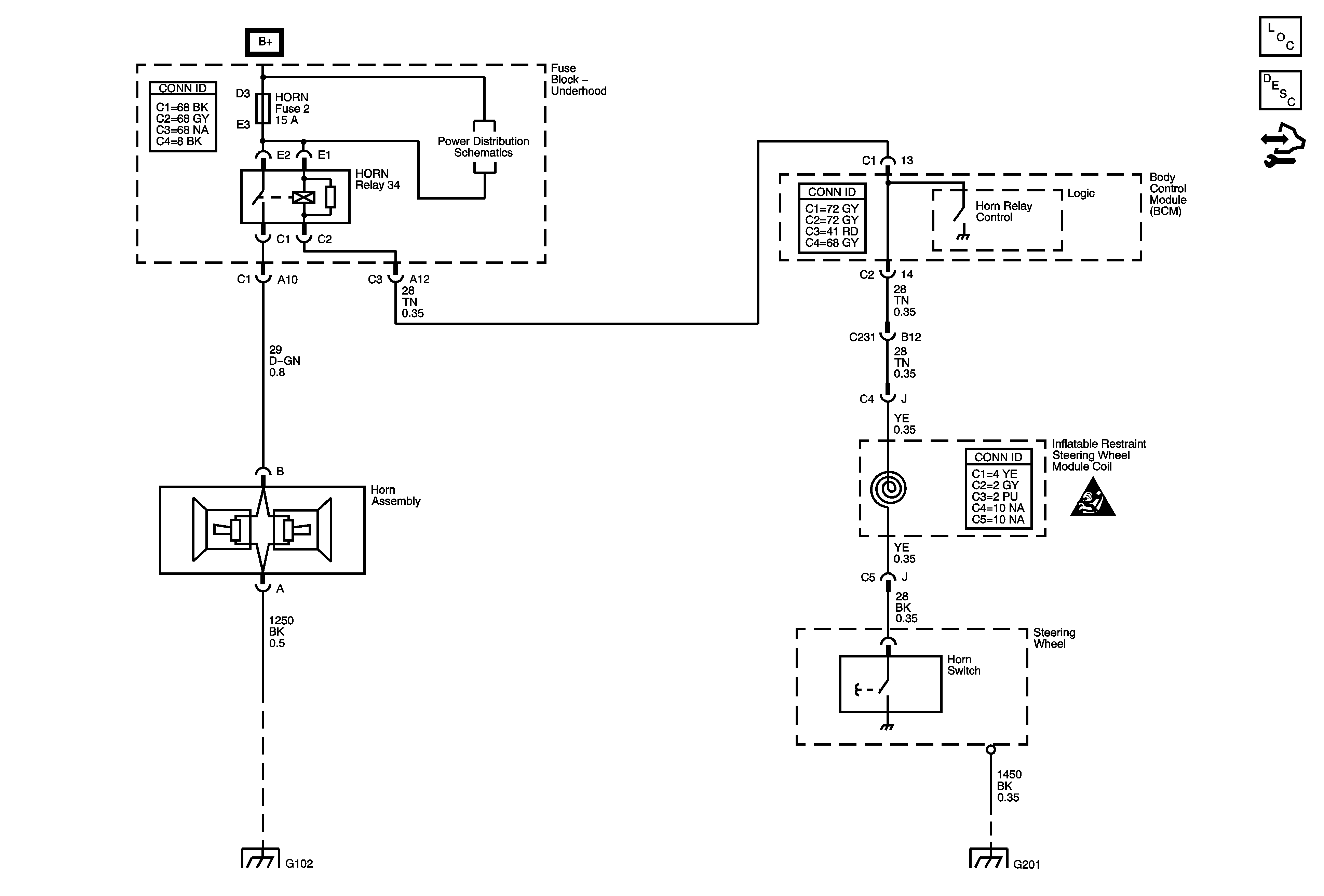
Horn Schematics
Master Electrical Component List
Horns System Description and Operation
Control Module References
Fuse Block - Underhood Bussing
COOLFAN, AMP, HVAC, ABS, MRRTD, ECM/TCM, HORN, BATT 2 Fuses, and HORN, REAR DEFOG Relays
Horn Schematic Icons
G102
G201