GM Service Manual Online
For 1990-2009 cars only
Figure 1:

Module Power, Ground, Serial Data, and MIL


Object Number: 1899391  Size: FS
Master Electrical Component List
Engine Control Module Description
Control Module References
5 Volt 1 and Low References
CLSTR/HUD, DECK LID CLOSE/PARK/BRK B, DR LOCKS, INTERIOR LIGHTS, HVAC/PWR SND, ISRVM/HVAC, TUTD SW STRG COL SW Fuses, and RUN/CRANK Relay
RPA/H/C SEAT/WIPR RELAYS, GMLAN DEVICES, ECM, SCMPSIR SW, ACC/TCM, and ABS/MRRTD/AFS Fuses
Fuse Block - Underhood Bussing
COOLFAN, AMP, HVAC, ABS, W/S WASH/INTERCOOL, MRRTD, ECM/TCM, HORN, and BATT2 Fuses
COOLFAN, AMP, HVAC, ABS, W/S WASH/INTERCOOL, MRRTD, ECM/TCM, HORN, and BATT2 Fuses
ETC, O2 SEN, EMISSION, ODD INJ, EVEN INJ Fuses, and IGN 1 Relay
RPA/H/C SEAT/WIPR RELAYS, GMLAN DEVICES, ECM, SCMPSIR SW, ACC/TCM, and ABS/MRRTD/AFS Fuses
Power, Ground, and DLC
Power, Ground, and DLC
Power, Ground, and DLC
Power, Ground, and Class 2
GMLAN
G104, and G106
Figure 2:

5 Volt 1 and Low References


Object Number: 1899396  Size: FS
Master Electrical Component List
Engine Control Module Description
Control Module References
5 Volt 2 and Low References
Module Power, Ground, Serial Data, and MIL
5 Volt 2 and Low References
Figure 3:

5 Volt 2 and Low References


Object Number: 1899399  Size: FS
Master Electrical Component List
Engine Control Module Description
Control Module References
Engine Data Sensors - Pressure, Temperature, and Throttle Controls
5 Volt 1 and Low References
5 Volt 1 and Low References
Figure 4:

Engine Data Sensors - Pressure, Temperature, and Throttle Controls


Object Number: 1899401  Size: FS
Master Electrical Component List
Throttle Actuator Control (TAC) System Description
Control Module References
Engine Data Sensors - HO2S
5 Volt 2 and Low References
Fuse Block - Underhood Bussing
ETC, O2 SEN, EMISSION, ODD INJ, EVEN INJ Fuses, and IGN 1 Relay
ETC, O2 SEN, EMISSION, ODD INJ, EVEN INJ Fuses, and IGN 1 Relay
G104, and G106
Figure 5:

Engine Data Sensors - HO2S


Object Number: 1899405  Size: FS
Master Electrical Component List
Engine Control Module Description
Control Module References
Ignition Controls - Ignition System Odd
Engine Data Sensors - Pressure, Temperature, and Throttle Controls
ETC, O2 SEN, EMISSION, ODD INJ, EVEN INJ Fuses, and IGN 1 Relay
Figure 6:

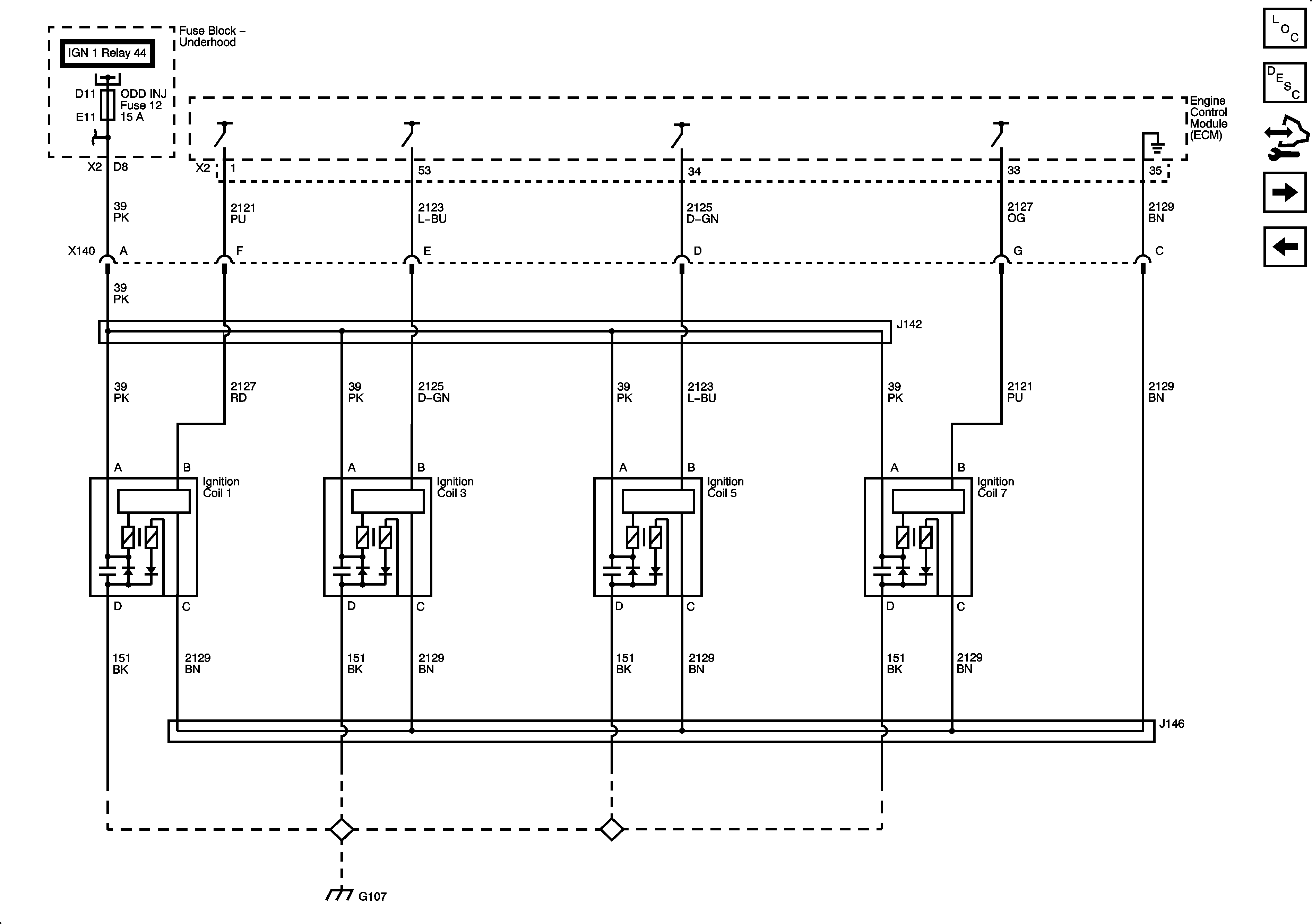
Ignition Controls - Ignition System Odd


Object Number: 1899408  Size: FS
Master Electrical Component List
Electronic Ignition (EI) System Description
Control Module References
Ignition Controls - Ignition System Even
Engine Data Sensors - HO2S
Fuse Block - Underhood Bussing
ETC, O2 SEN, EMISSION, ODD INJ, EVEN INJ Fuses, and IGN 1 Relay
G105, G107, G109, G110, G111, and G112
Figure 7:

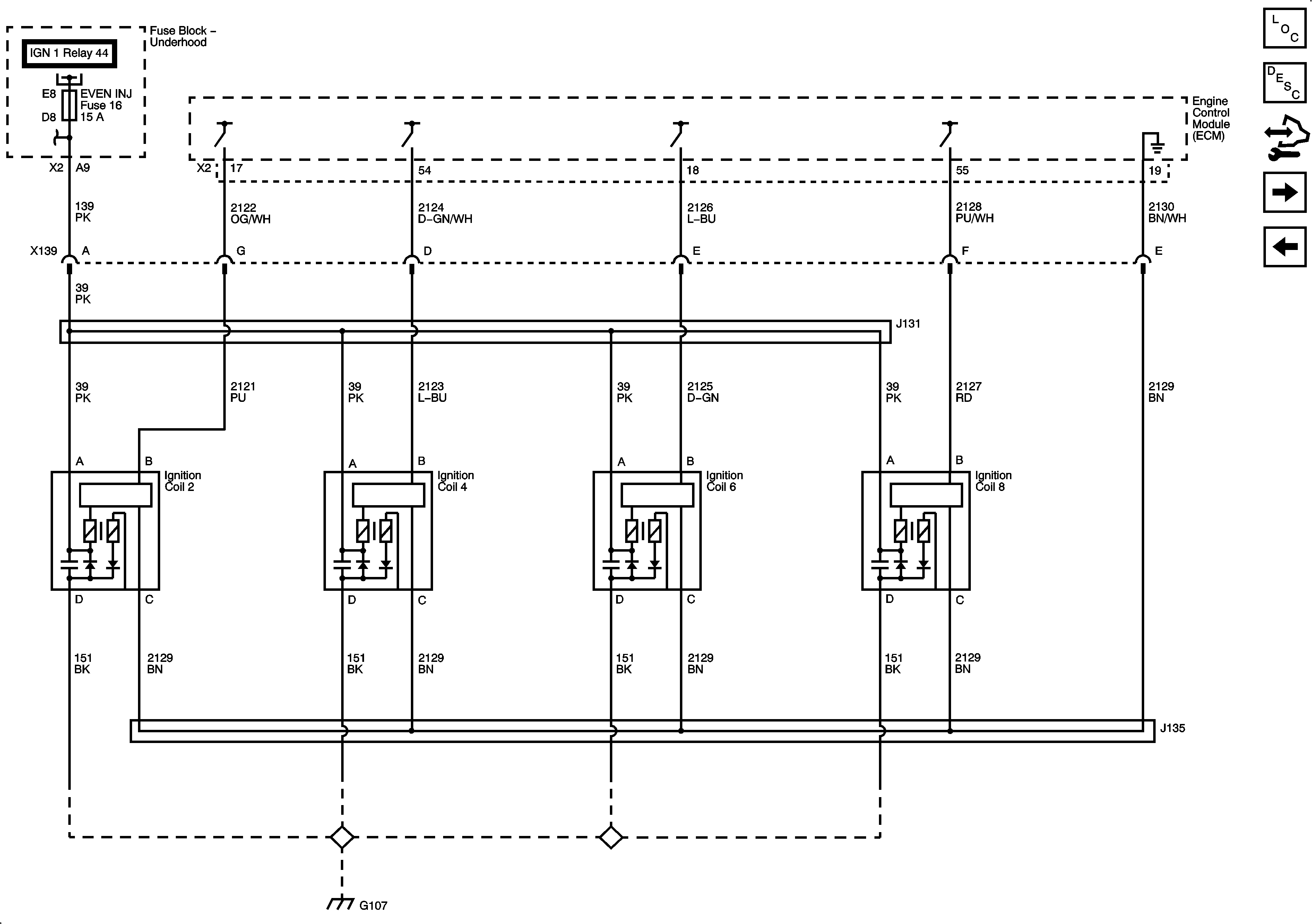
Ignition Controls - Ignition System Even


Object Number: 1899410  Size: FS
Master Electrical Component List
Electronic Ignition (EI) System Description
Control Module References
Ignition Controls - Camshaft Sensors/Actuators
Ignition Controls - Ignition System Odd
Fuse Block - Underhood Bussing
ETC, O2 SEN, EMISSION, ODD INJ, EVEN INJ Fuses, and IGN 1 Relay
G105, G107, G109, G110, G111, and G112
Figure 8:

Ignition Controls - Camshaft Sensors/Actuators


Object Number: 1899417  Size: FS
Master Electrical Component List
Camshaft Actuator System Description
Control Module References
Ignition Controls - Crankshaft/Knock Sensors
Ignition Controls - Ignition System Even
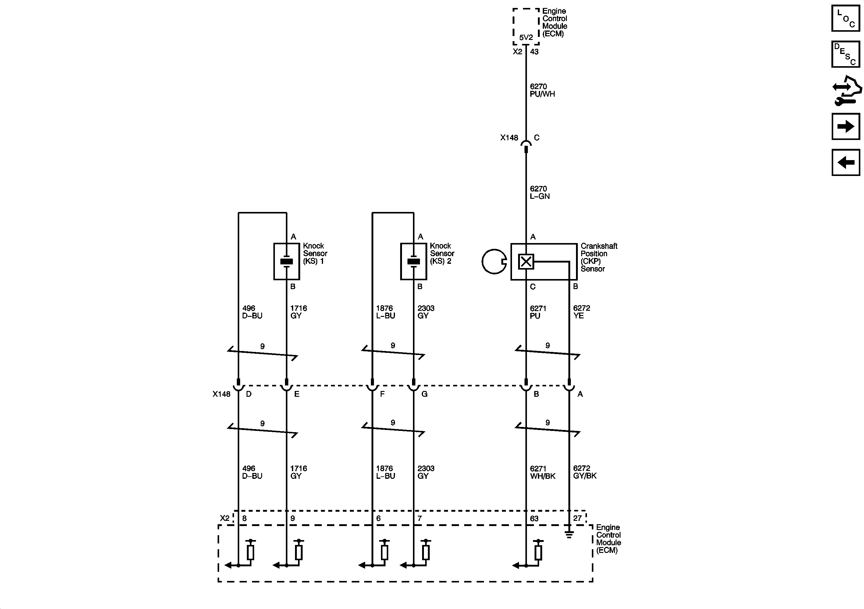
Figure 9:

Ignition Controls - Crankshaft/Knock Sensors


Object Number: 1899421  Size: FS
Master Electrical Component List
Engine Control Module Description
Control Module References
Fuel Controls - Fuel Injectors and Fuel Pump Controls
Ignition Controls - Camshaft Sensors/Actuators
Figure 10:

Fuel Controls - Fuel Injectors and Fuel Pump Controls


Object Number: 1899425  Size: FS
Master Electrical Component List
Fuel System Description
Control Module References
EVAP Controls and Manifold Tuning
Ignition Controls - Crankshaft/Knock Sensors
Fuse Block - Underhood Bussing
ETC, O2 SEN, EMISSION, ODD INJ, EVEN INJ Fuses, and IGN 1 Relay
ETC, O2 SEN, EMISSION, ODD INJ, EVEN INJ Fuses, and IGN 1 Relay
Fuse Block - Underhood Bussing
G102
G302, G401, and G402
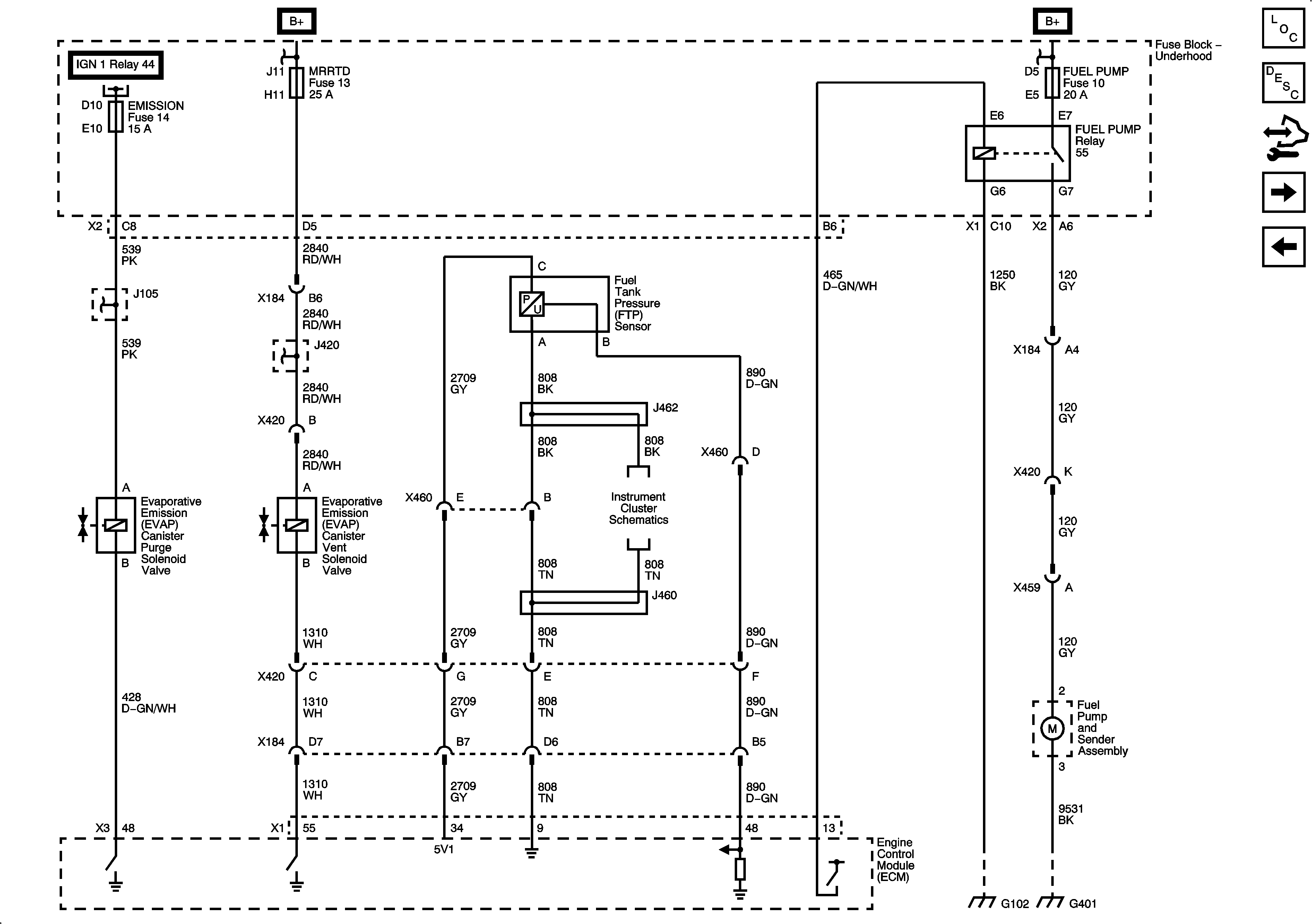
Figure 11:

EVAP Solenoids and Fuel Tank Pressure (FTP) Sensor


Object Number: 1899435  Size: FS
Master Electrical Component List
Evaporative Emission Control System Description
Control Module References
Supercharger Sensors, Bypass Valve, and Coolant Pump
Fuel Controls - Fuel Injectors and Fuel Pump Controls
Fuse Block - Underhood Bussing
ETC, O2 SEN, EMISSION, ODD INJ, EVEN INJ Fuses, and IGN 1 Relay
Fuse Block - Underhood Bussing
COOLFAN, AMP, HVAC, ABS, W/S WASH/INTERCOOL, MRRTD, ECM/TCM, HORN, and BATT2 Fuses
Gages
Figure 12:

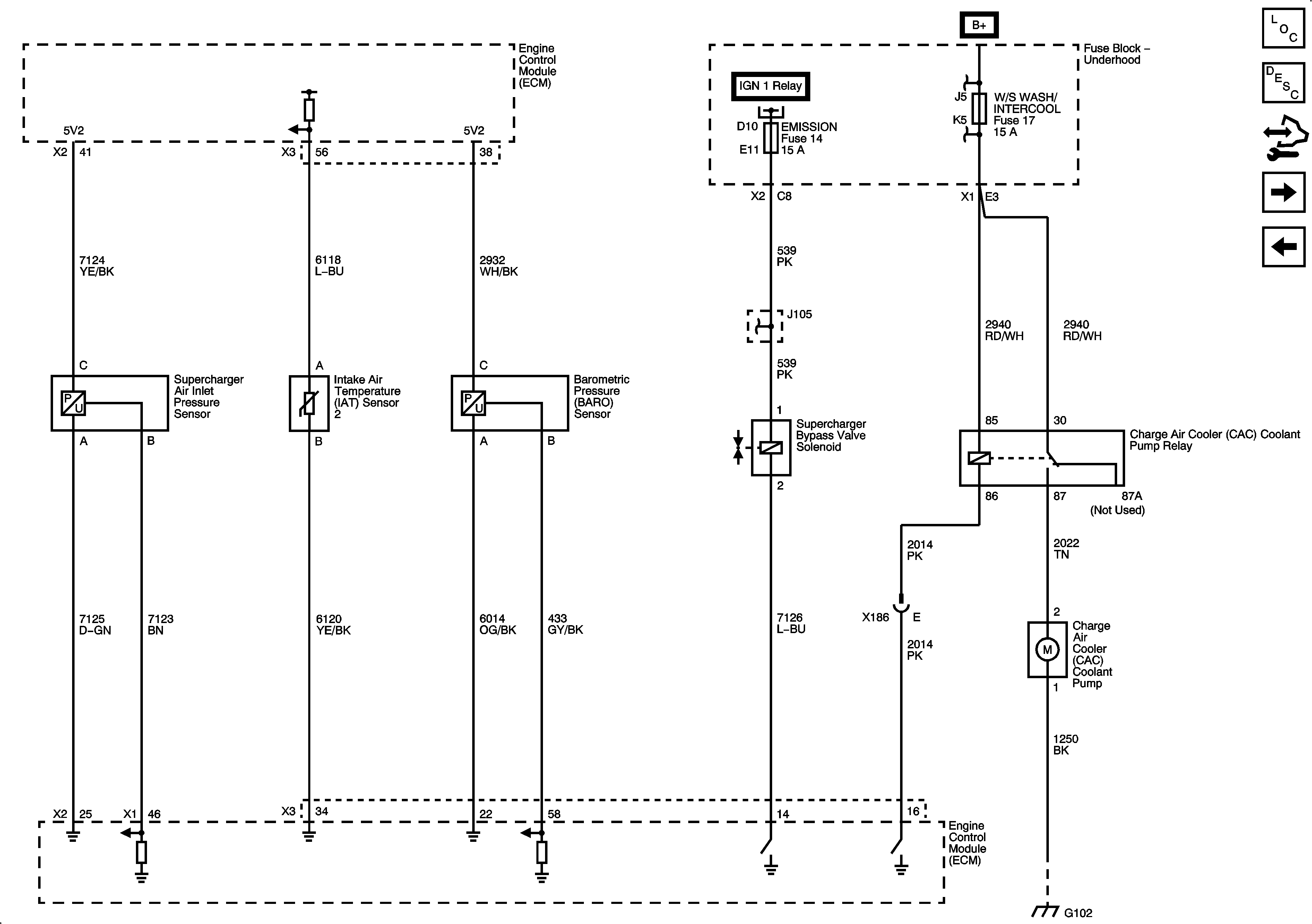
Supercharger Sensors, Bypass Valve, and Coolant Pump


Object Number: 1899438  Size: FS
Master Electrical Component List
Supercharger Description and Operation
Control Module References
Monitored/Controlled Subsystem References
EVAP Controls and Manifold Tuning
Fuse Block - Underhood Bussing
Fuse Block - Underhood Bussing
ETC, O2 SEN, EMISSION, ODD INJ, EVEN INJ Fuses, and IGN 1 Relay
COOLFAN, AMP, HVAC, ABS, W/S WASH/INTERCOOL, MRRTD, ECM/TCM, HORN, and BATT2 Fuses
G102
Figure 13:

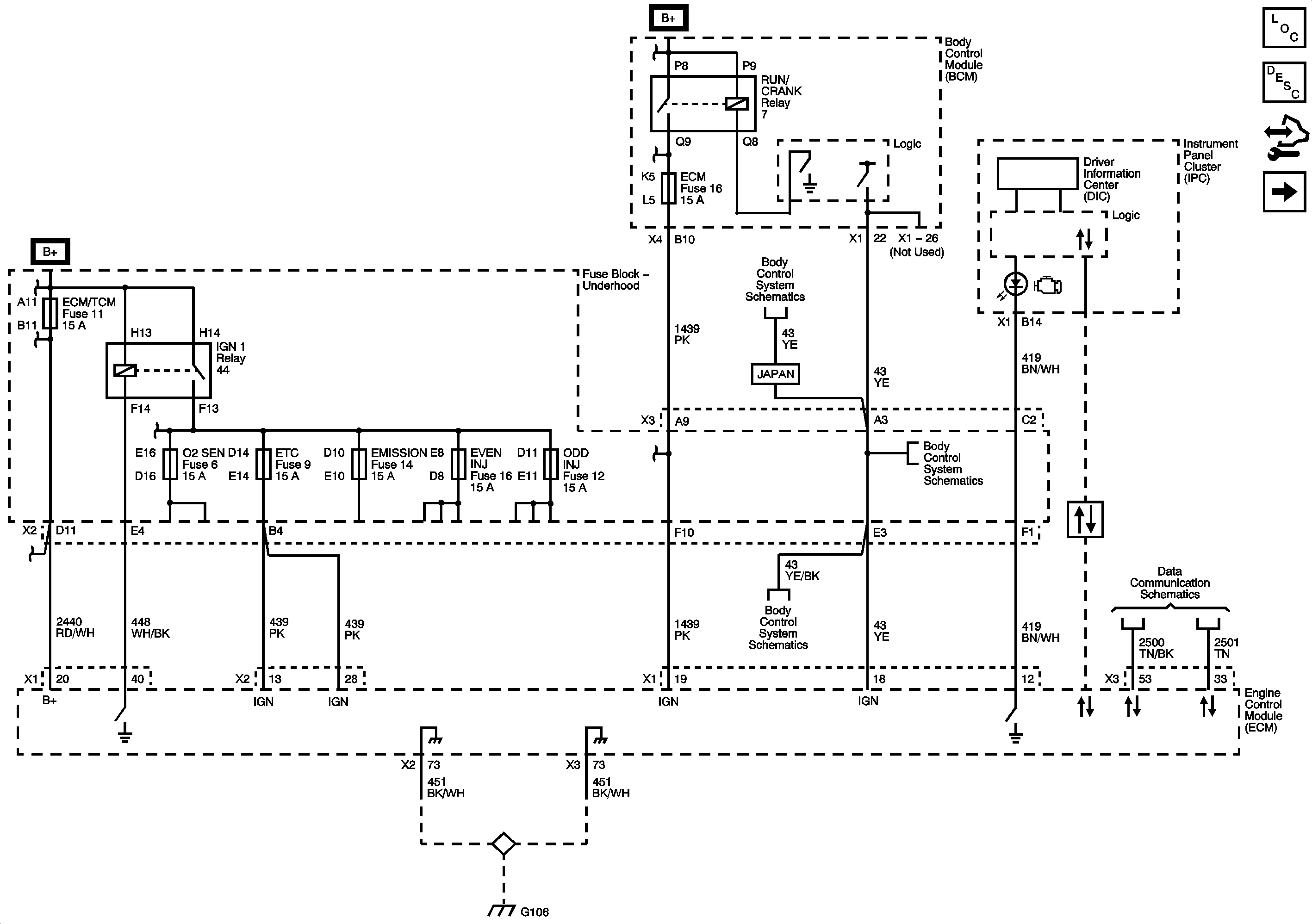
Monitored/Controlled Subsystem References


Object Number: 1899451  Size: FS
Master Electrical Component List
Engine Control Module Description
Control Module References
Supercharger Sensors, Bypass Valve, and Coolant Pump
Starting
A/C Compressor Controls
Engine Cooling Schematics
4.4L Engine Mechanical Schematics
Gages
Stop and License Lamps