GM Service Manual Online
For 1990-2009 cars only
Figure 1:

Switches


Object Number: 1899620  Size: FS
Master Electrical Component List
Exterior Lighting Systems Description and Operation
Control Module References
Park Lamps
Power, Ground, and Indicators
DLC, HVAC Control Module, Radio, and Switches
Power, Ground, and Class 2
Temperature Sensors
Temperature Sensors
G201
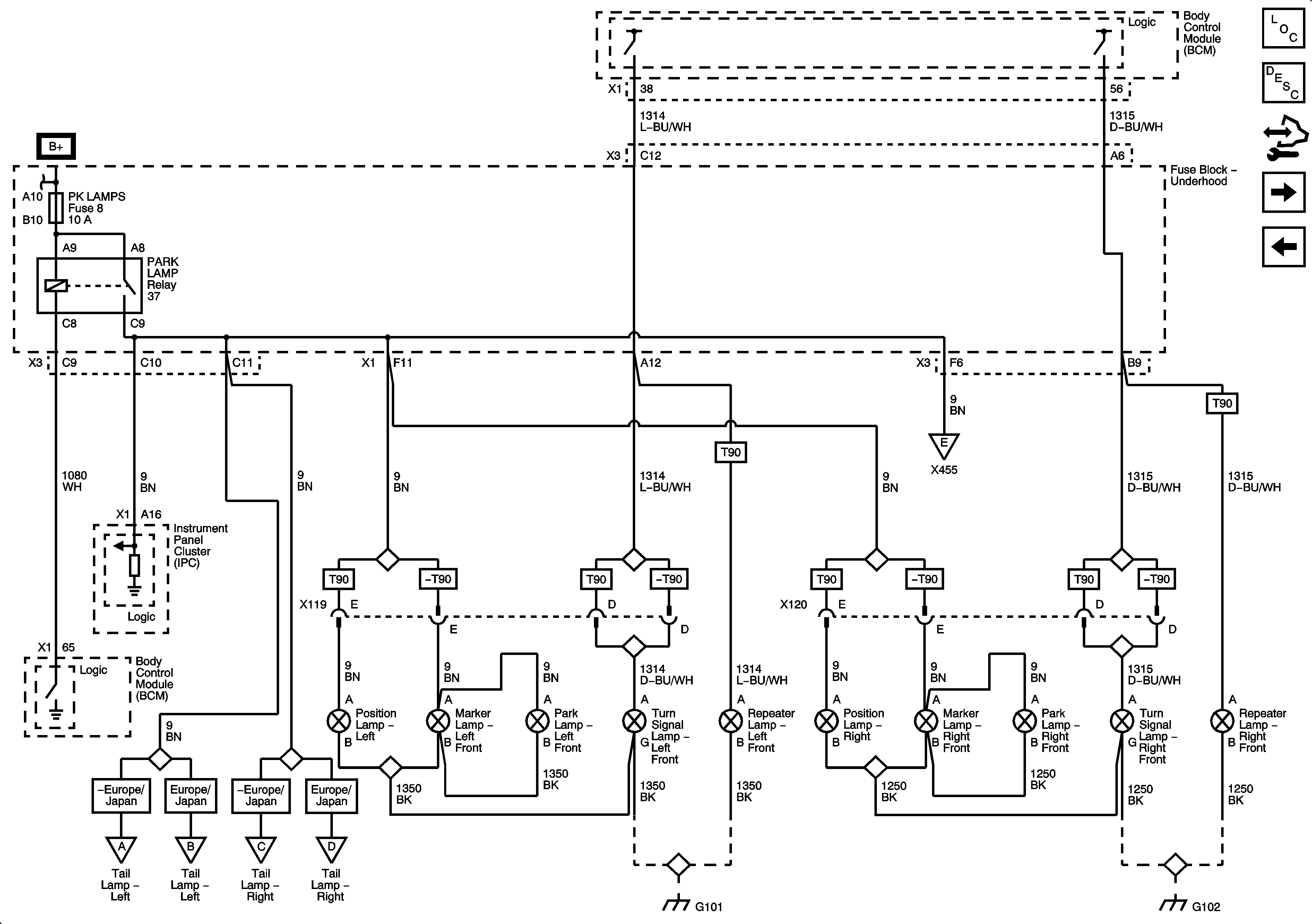
Figure 2:

Park Lamps


Object Number: 1899621  Size: FS
Master Electrical Component List
Exterior Lighting Systems Description and Operation
Control Module References
Stop and License Lamps
Switches
Fuse Block - Underhood Bussing
Stop and License Lamps
Tail Lamps
G101
G102
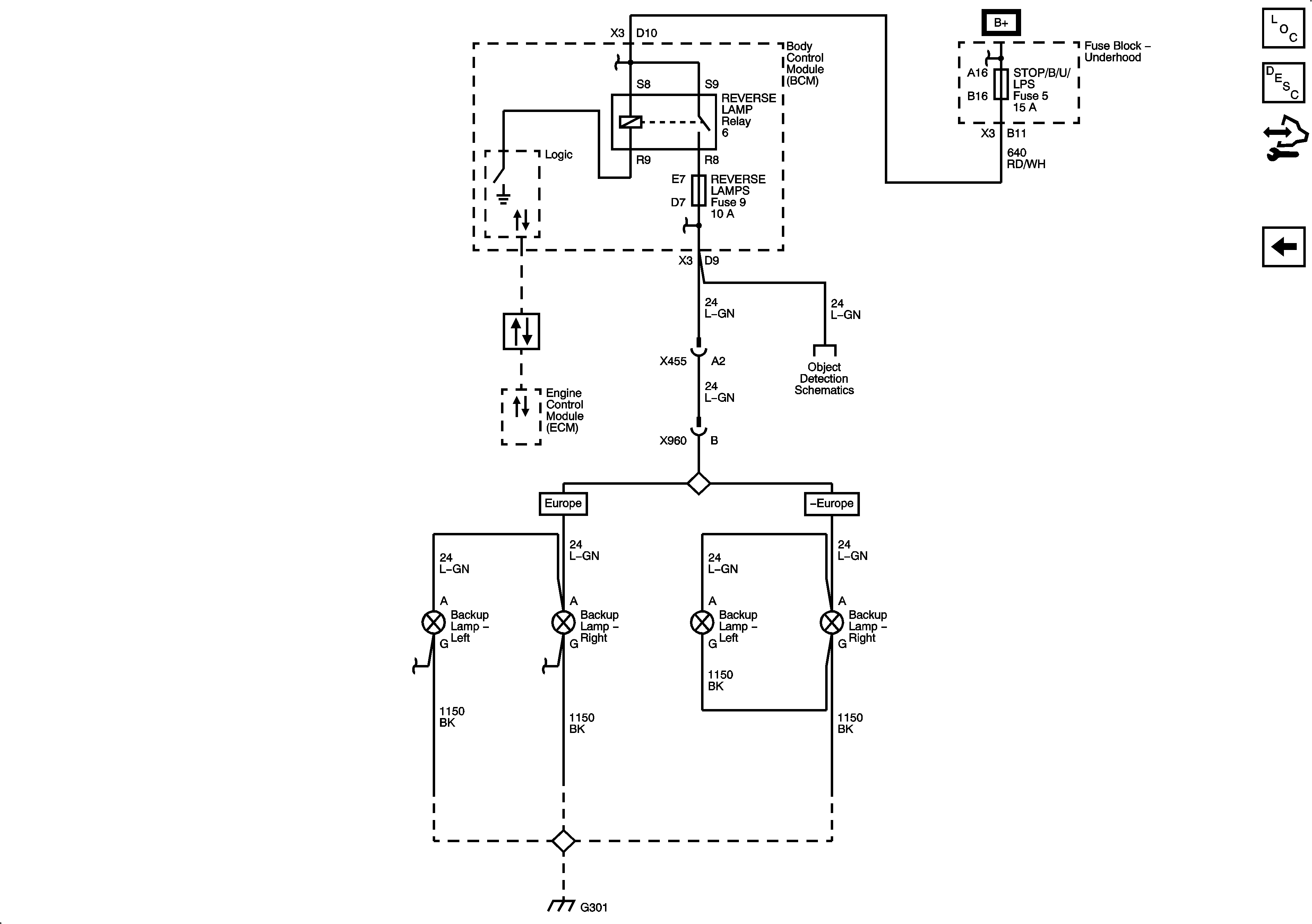
Figure 3:

Stop and License Lamps


Object Number: 1899622  Size: FS
Master Electrical Component List
Exterior Lighting Systems Description and Operation
Control Module References
Tail Lamps
Park Lamps
Fuse Block - Underhood Bussing
BATT3, STOP/B/U/LPS, BTSI SOL/COL LOCK, RADIO, S-BAND/VICS, PWR FLDG MIR - EXT RET, REAR FOG/ALDL, REVERESE LAMPS Fuses, and REVERSE LAMP Relay
Park Lamps
Tail Lamps
Tail Lamps
G301
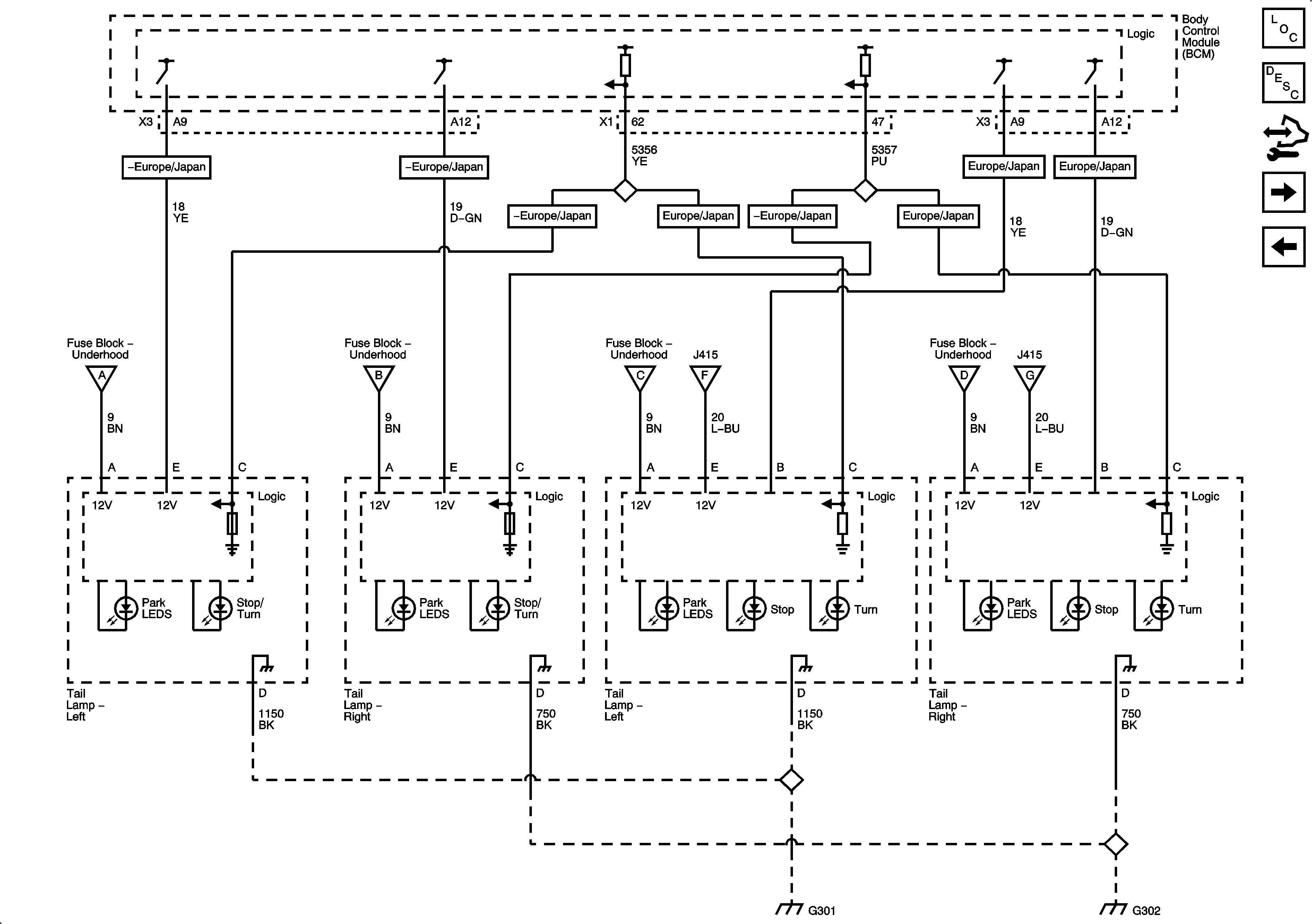
Figure 4:

Tail Lamps


Object Number: 1899623  Size: FS
Master Electrical Component List
Exterior Lighting Systems Description and Operation
Control Module References
Backup Lamps
Stop and License Lamps
Park Lamps
Park Lamps
Park Lamps
Stop and License Lamps
Park Lamps
Stop and License Lamps
G301
G302, G401, and G402
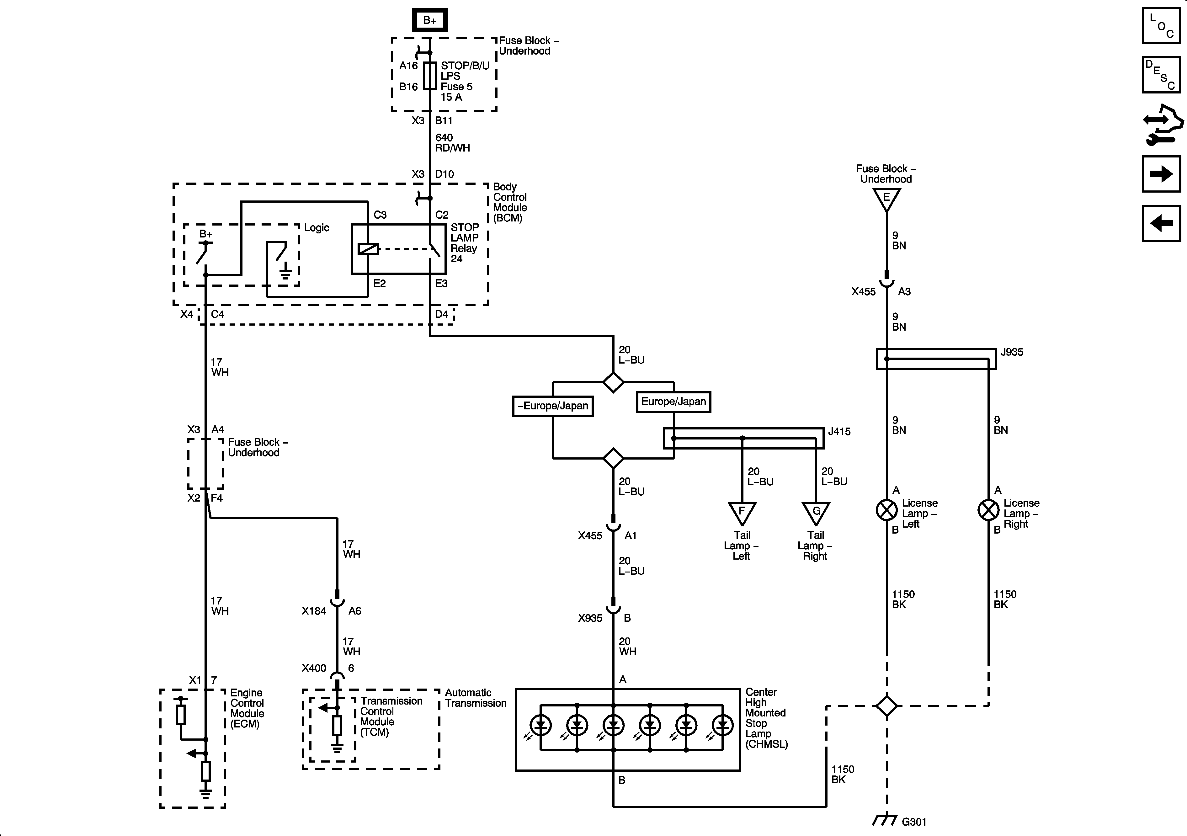
Figure 5:

Backup Lamps


Object Number: 1899624  Size: FS
Master Electrical Component List
Exterior Lighting Systems Description and Operation
Control Module References
Tail Lamps
Fuse Block - Underhood Bussing
BATT3, STOP/B/U/LPS, BTSI SOL/COL LOCK, RADIO, S-BAND/VICS, PWR FLDG MIR - EXT RET, REAR FOG/ALDL, REVERESE LAMPS Fuses, and REVERSE LAMP Relay
BATT3, STOP/B/U/LPS, BTSI SOL/COL LOCK, RADIO, S-BAND/VICS, PWR FLDG MIR - EXT RET, REAR FOG/ALDL, REVERESE LAMPS Fuses, and REVERSE LAMP Relay
GMLAN
Object Detection Schematics
G301
G301
G301