GM Service Manual Online
For 1990-2009 cars only
Makes
🢒
Cadillac
🢒
2008
🢒
XLR
🢒
Diagnostic Navigation
🢒
Vehicle Diagnostic Information
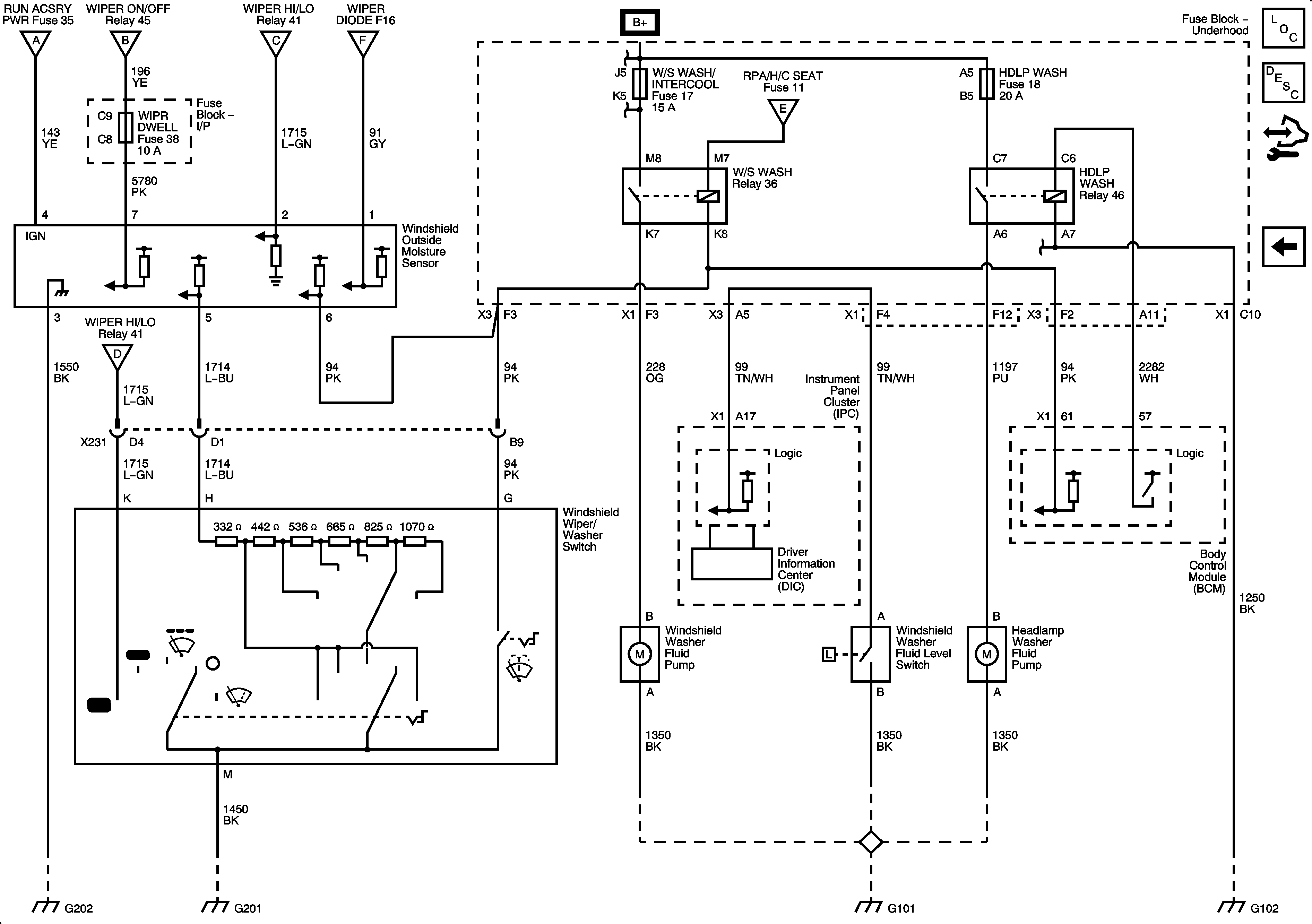
🢒 Wiper/Washer Schematics
Figure
1:
Power, Ground, and Wiper Motor
Master Electrical Component List
Wiper/Washer System Description and Operation
Control Module References
Wiper Switch, Washers, and Outside Moisture Sensor
CLSTR/HUD, DECK LID CLOSE/PARK/BRK B, DR LOCKS, INTERIOR LIGHTS, HVAC/PWR SND, ISRVM/HVAC, TUTD SW STRG COL SW Fuses, and RUN/CRANK Relay
RPA/H/C SEAT/WIPR RELAYS, GMLAN DEVICES, ECM, SCMPSIR SW, ACC/TCM, and ABS/MRRTD/AFS Fuses
Power, Ground, and DLC
Power, Ground, and DLC
Fuse Block - Underhood Bussing
Wiper Switch, Washers, and Outside Moisture Sensor
Wiper Switch, Washers, and Outside Moisture Sensor
Wiper Switch, Washers, and Outside Moisture Sensor
Wiper Switch, Washers, and Outside Moisture Sensor
Wiper Switch, Washers, and Outside Moisture Sensor
Wiper Switch, Washers, and Outside Moisture Sensor
G102
G102
G201
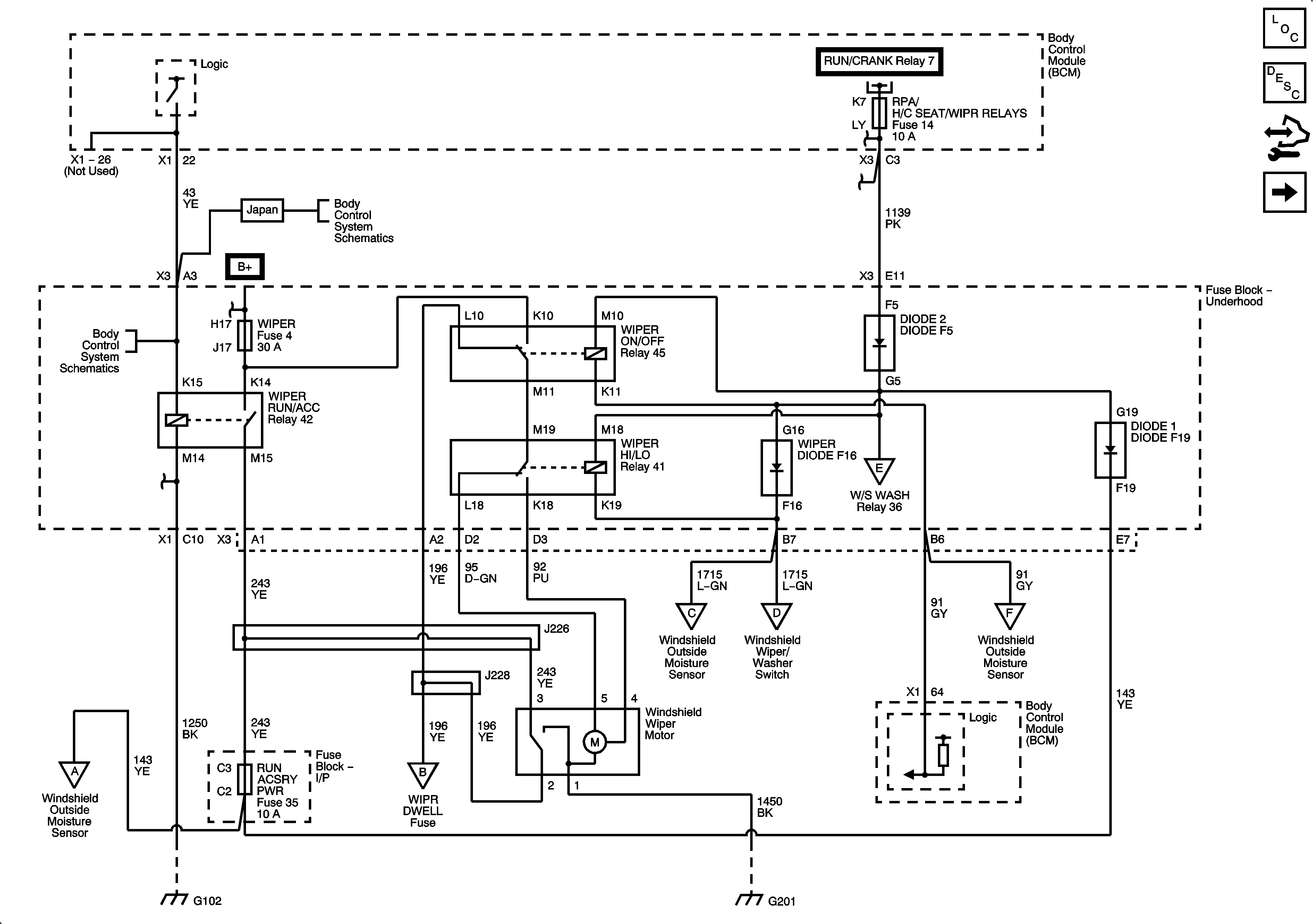
Figure
2:
Wiper Switch, Washers, and Outside Moisture Sensor
Master Electrical Component List
Headlamp Washer System Description and Operation
Control Module References
Power, Ground, and Wiper Motor
Fuse Block - Underhood Bussing
COOLFAN, AMP, HVAC, ABS, W/S WASH/INTERCOOL, MRRTD, ECM/TCM, HORN, and BATT2 Fuses
Power, Ground, and Wiper Motor
Power, Ground, and Wiper Motor
Power, Ground, and Wiper Motor
G102
G202
G201
G101
G102