GM Service Manual Online
For 1990-2009 cars only
Makes
🢒
Cadillac
🢒
2008
🢒
XLR
🢒
Body Systems
🢒
Lighting
🢒 Interior Lights Dimming Schematics
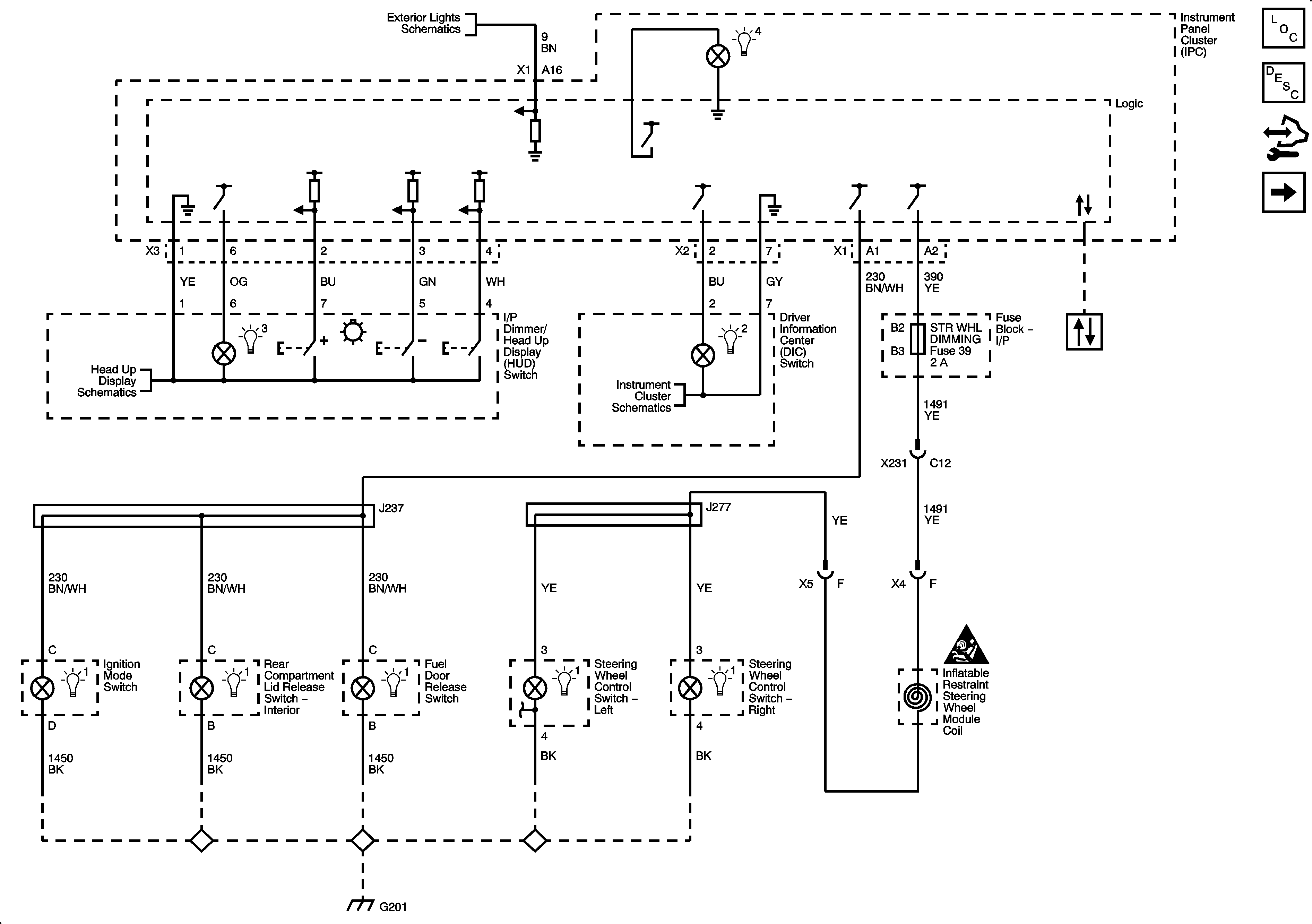
Figure
1:
Dimmer Controls, IPC, Switches, and DLC
Master Electrical Component List
Interior Lighting Systems Description and Operation
Control Module References
DLC, HVAC Control Module, Radio, and Switches
Park Lamps
Head Up Display Schematics
Messages
Power, Ground, and Class 2
Master Electrical Schematic Icons
G201
G201
Figure
2:
DLC, HVAC Control Module, Radio, and Switches
Master Electrical Component List
Interior Lighting Systems Description and Operation
Control Module References
Dimmer Controls, IPC, Switches, and DLC
BATT5, TILT/TELE SW/MEM SEAT MOD, ACCA/DRIV DR SW, IGN SW/INTR SENSR, ONSTAR, and PRK BRK SOLA Fuses
BATT5, TILT/TELE SW/MEM SEAT MOD, ACCA/DRIV DR SW, IGN SW/INTR SENSR, ONSTAR, and PRK BRK SOLA Fuses
BATT5, TILT/TELE SW/MEM SEAT MOD, ACCA/DRIV DR SW, IGN SW/INTR SENSR, ONSTAR, and PRK BRK SOLA Fuses
BATT5, TILT/TELE SW/MEM SEAT MOD, ACCA/DRIV DR SW, IGN SW/INTR SENSR, ONSTAR, and PRK BRK SOLA Fuses
Power, Ground, and Class 2
G201
G201
G202
G202
G202
G201
G201
G201
G201
G202 Continued
G202 Continued
G202 Continued
G202 Continued