GM Service Manual Online
For 1990-2009 cars only
Makes
🢒
Cadillac
🢒
2009
🢒
XLR
🢒
Body Systems
🢒
Vehicle Access
🢒 Release Systems Schematics
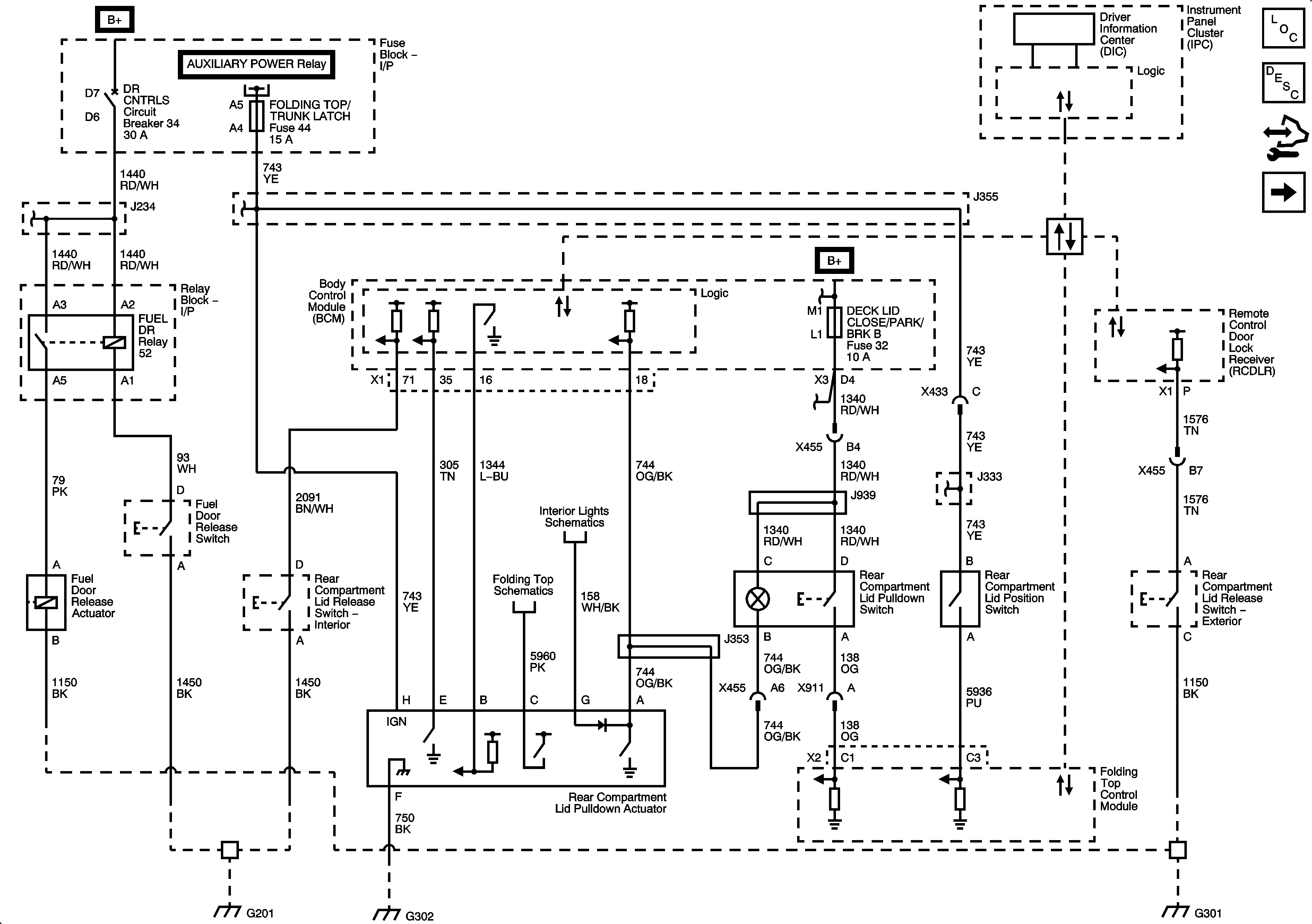
Figure
1:
Fuel Door and Rear Compartment Lid Release
Master Electrical Component List
Luggage Compartment Description and Operation (Coupe)
Control Module References
Valet Switch
BATT1, HTD SEAT LH, HTD SEAT RH, PWR LUMBAR LH/RH Fuses, and DR CNTRLS, PWR SEAT Circuit Breakers
BATT1, HTD SEAT LH, HTD SEAT RH, PWR LUMBAR LH/RH Fuses, and DR CNTRLS, PWR SEAT Circuit Breakers
AUXILIARY POWER Relay, and CIGAR LTR, AUX PWR, FOLDING TOP/TRUNK LATCH, COLUMN LK MDL (EUROPE) Fuses
AUXILIARY POWER Relay, and CIGAR LTR, AUX PWR, FOLDING TOP/TRUNK LATCH, COLUMN LK MDL (EUROPE) Fuses
AUXILIARY POWER Relay, and CIGAR LTR, AUX PWR, FOLDING TOP/TRUNK LATCH, COLUMN LK MDL (EUROPE) Fuses
CLSTR/HUD, DECK LID CLOSE/PARK/BRK B, DR LOCKS, INTERIOR LIGHTS, HVAC/PWR SND, ISRVM/HVAC, TUTD SW STRG COL SW Fuses, and RUN/CRANK Relay
Power, Ground, and Class 2
Switches
Door and Rear Compartment Courtesy Lamps
G201
G302, G401, and G402
G301
Figure
2:
Valet Switch
Master Electrical Component List
Luggage Compartment Description and Operation (Coupe)
Control Module References
Fuel Door and Rear Compartment Lid Release
Power, Ground, and Class 2
G202 1 of 2