GM Service Manual Online
For 1990-2009 cars only
Makes
🢒
Cadillac
🢒
2009
🢒
XLR
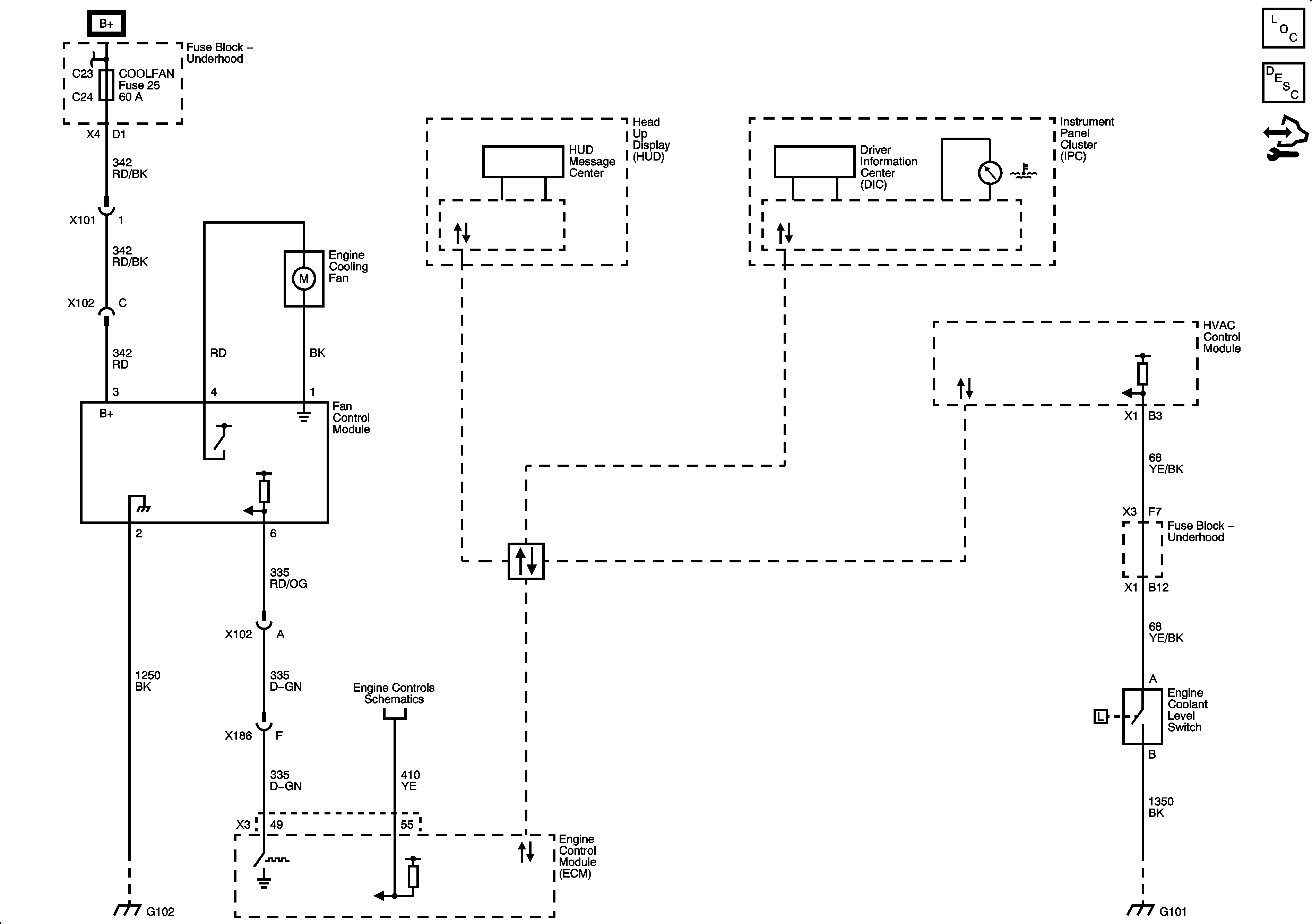
🢒 Engine Cooling Schematics
Engine Cooling Schematics
Master Electrical Component List
Cooling System Description and Operation
Control Module References
Fuse Block - Underhood Bussing
COOLFAN, AMP, HVAC, ABS, W/S WASH/INTERCOOL, MRRTD, ECM/TCM, HORN, and BATT2 Fuses
Power, Ground, and Class 2
Engine Data Sensors - Pressure, Temperature, and Throttle Controls
G102
G101