GM Service Manual Online
For 1990-2009 cars only
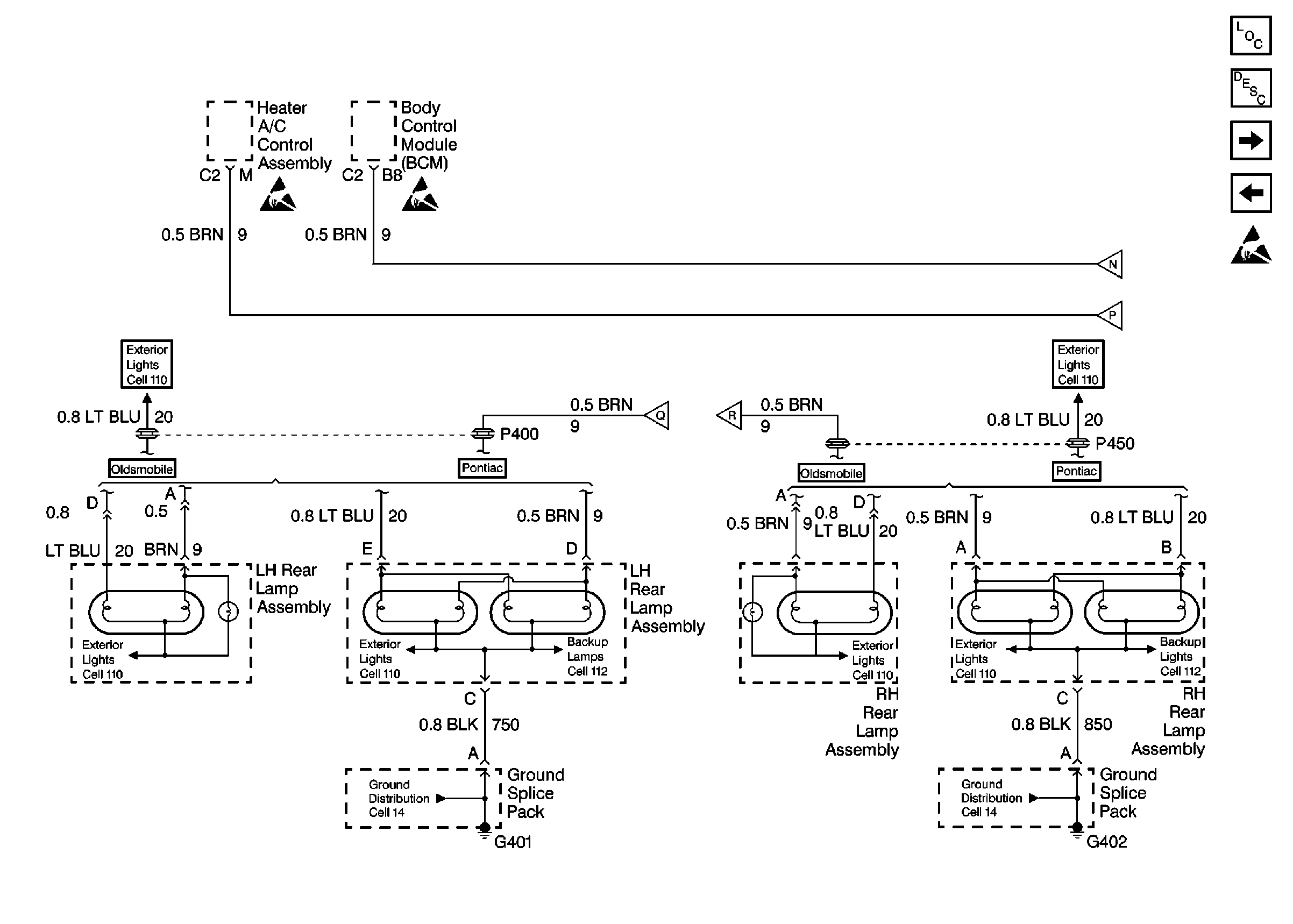
Figure 1:

Right Rear Lamp Assembly and Hazard Switch


Object Number: 234921  Size: FS
Lighting Systems Components
Exterior Lights Circuit Description
Left Rear Lamp Assembly
Handling Electrostatic Discharge Sensitive Parts Notice
Cell 117: Interior Lamps
Ground Distribution Schematics
Ground Distribution Schematics
Left Rear Lamp Assembly
Left Rear Lamp Assembly
Power Distribution Schematics
Power Distribution Schematics
Cell 110: Front Park/Turn and Marker Lamps
Cell 110: Tail/Stop Lamps
Cell 110: Tail/Stop Lamps
Figure 2:

Left Rear Lamp Assembly


Object Number: 292416  Size: FS
Lighting Systems Components
Exterior Lights Circuit Description
Cell 110: Front Park/Turn and Marker Lamps
Right Rear Lamp Assembly and Hazard Switch
Handling Electrostatic Discharge Sensitive Parts Notice
Ground Distribution Schematics
Handling Electrostatic Discharge Sensitive Parts Notice
Right Rear Lamp Assembly and Hazard Switch
Right Rear Lamp Assembly and Hazard Switch
Cell 110: Tail/Stop Lamps
Cell 110: Tail/Stop Lamps
Right Rear Lamp Assembly and Hazard Switch
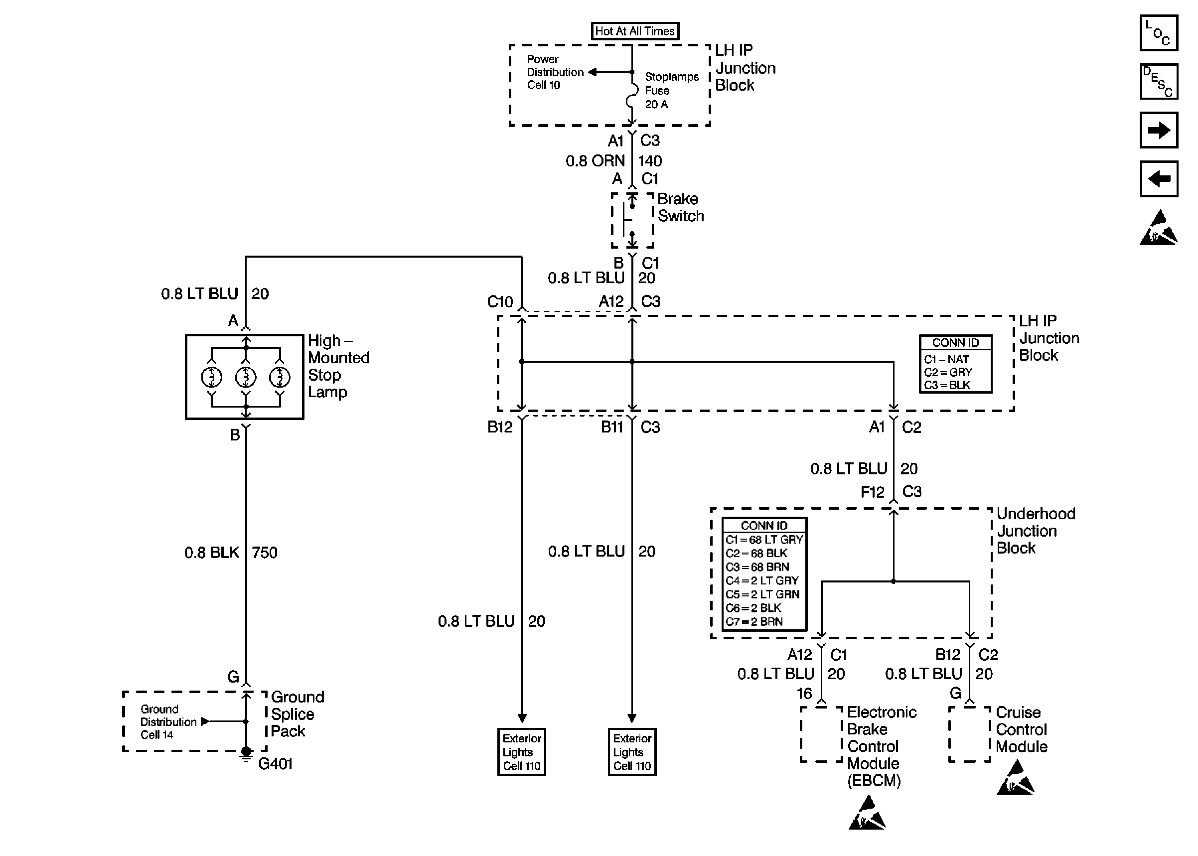
Figure 3:

Cell 110: Front Park/Turn and Marker Lamps


Object Number: 234923  Size: FS
Lighting Systems Components
Exterior Lights Circuit Description
Brake Switch and High Mounted Stop Lamp
Left Rear Lamp Assembly
Handling Electrostatic Discharge Sensitive Parts Notice
Ground Distribution Schematics
Ground Distribution Schematics
Ground Distribution Schematics
Ground Distribution Schematics
Handling Electrostatic Discharge Sensitive Parts Notice
Power Distribution Schematics
Left Rear Lamp Assembly
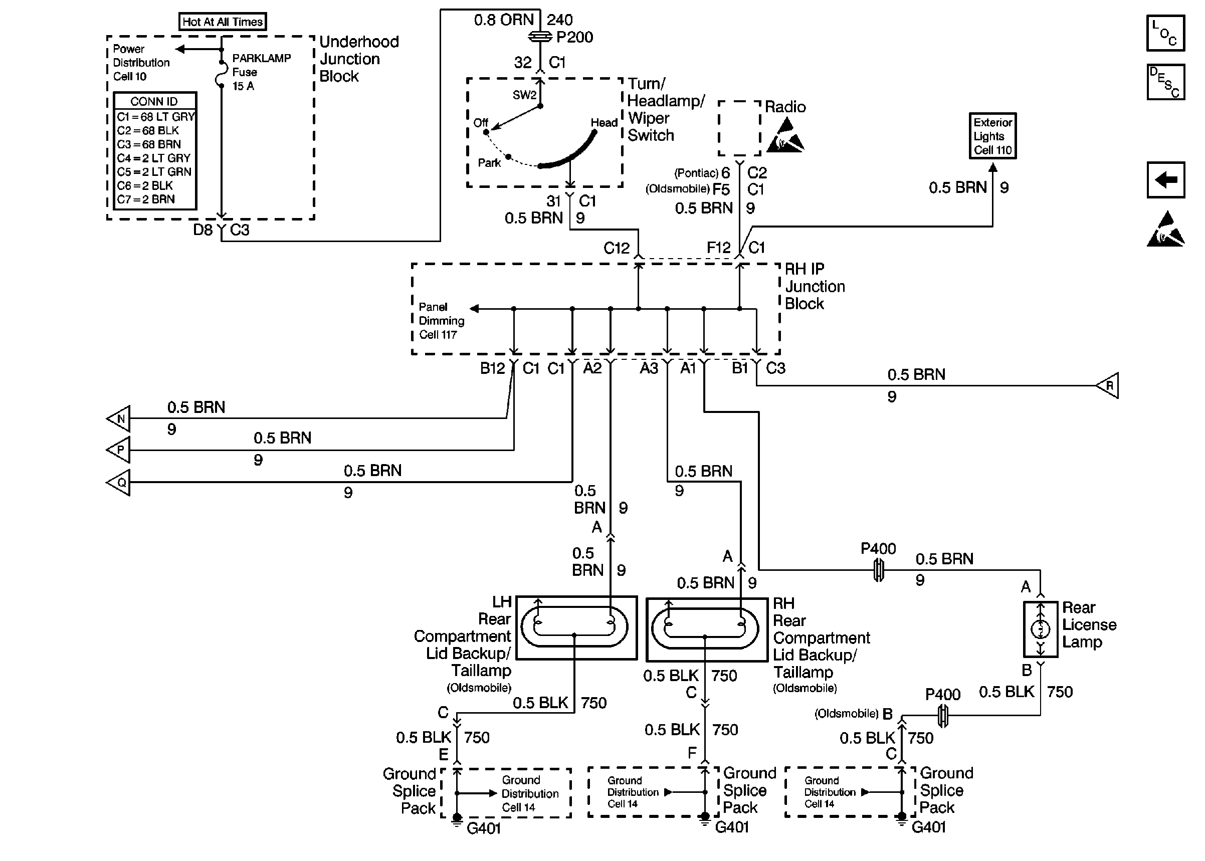
Rear Compartment Lid Lamp and License Lamp
Right Rear Lamp Assembly and Hazard Switch
Figure 4:

Brake Switch and High Mounted Stop Lamp


Object Number: 234924  Size: FS
Lighting Systems Components
Exterior Lights Circuit Description
Cell 110: Tail/Stop Lamps
Cell 110: Front Park/Turn and Marker Lamps
Handling Electrostatic Discharge Sensitive Parts Notice
Power Distribution Schematics
Ground Distribution Schematics
Handling Electrostatic Discharge Sensitive Parts Notice
Handling Electrostatic Discharge Sensitive Parts Notice
Cell 110: Tail/Stop Lamps
Cell 110: Tail/Stop Lamps
Figure 5:

Cell 110: Tail/Stop Lamps


Object Number: 292407  Size: FS
Lighting Systems Components
Exterior Lights Circuit Description
Left Rear Lamp Assembly
Brake Switch and High Mounted Stop Lamp
Handling Electrostatic Discharge Sensitive Parts Notice
Handling Electrostatic Discharge Sensitive Parts Notice
Handling Electrostatic Discharge Sensitive Parts Notice
Rear Compartment Lid Lamp and License Lamp
Rear Compartment Lid Lamp and License Lamp
Rear Compartment Lid Lamp and License Lamp
Rear Compartment Lid Lamp and License Lamp
Cell 112
Cell 112
Cell 110: Front Park/Turn and Marker Lamps
Left Rear Lamp Assembly
Left Rear Lamp Assembly
Right Rear Lamp Assembly and Hazard Switch
Right Rear Lamp Assembly and Hazard Switch
Ground Distribution Schematics
Ground Distribution Schematics
Figure 6:

Rear Compartment Lid Lamp and License Lamp


Object Number: 234926  Size: FS
Lighting Systems Components
Exterior Lights Circuit Description
Left Rear Lamp Assembly
Handling Electrostatic Discharge Sensitive Parts Notice
Handling Electrostatic Discharge Sensitive Parts Notice
Ground Distribution Schematics
Ground Distribution Schematics
Ground Distribution Schematics
Cell 110: Tail/Stop Lamps
Cell 110: Tail/Stop Lamps
Cell 110: Tail/Stop Lamps
Cell 110: Tail/Stop Lamps
Power Distribution Schematics
Cell 117: Panel Dimmer Switch and Lamp Dimmer Module