GM Service Manual Online
For 1990-2009 cars only
Makes
🢒
Chevrolet
🢒
1999
🢒
Alero Export
🢒
Body and Accessories
🢒
Seats
🢒 Power Seats Schematics
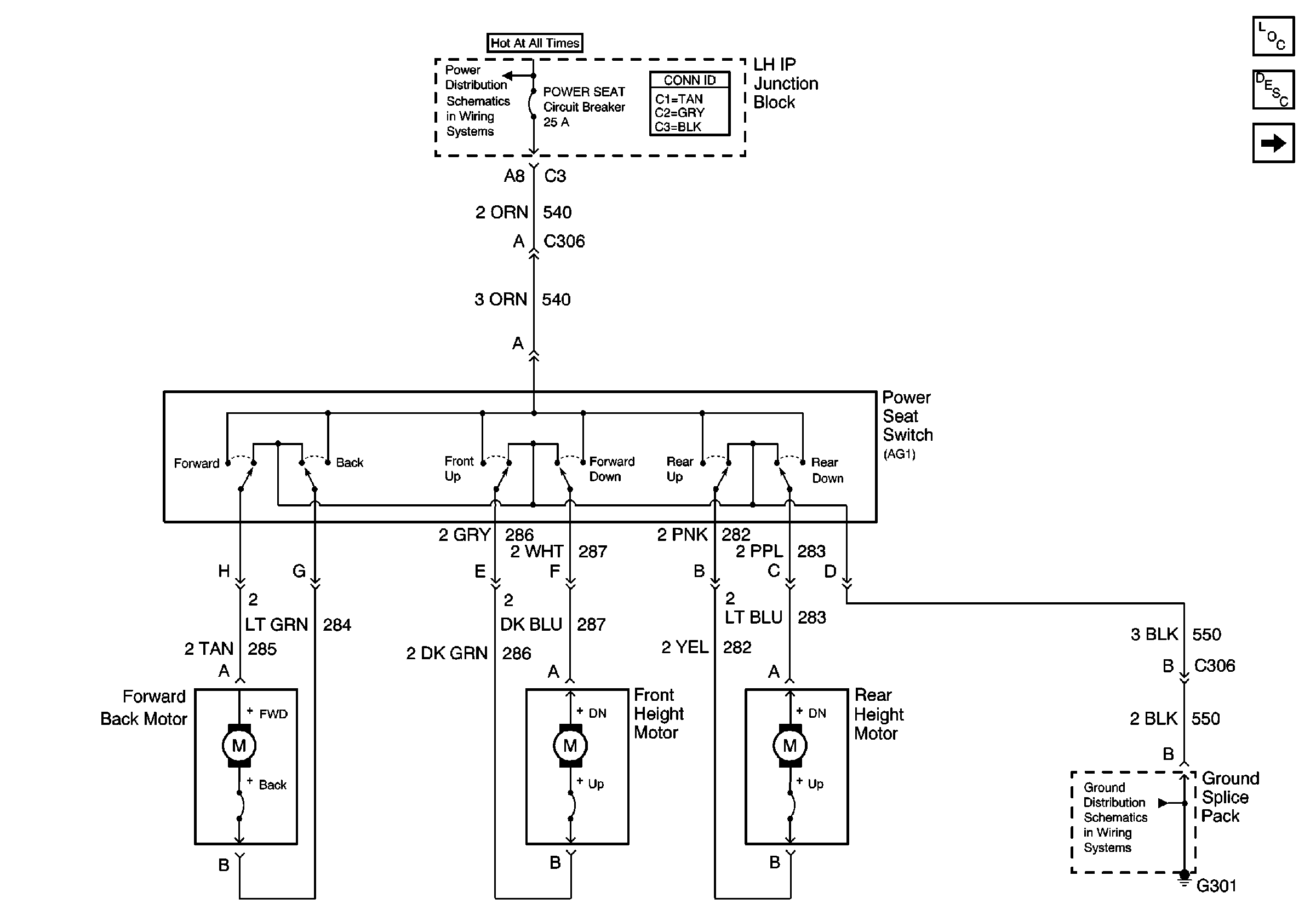
Figure
1:
6-Way Power Seats
Power Seat Systems Components
Power Seats Circuit Description
Power Distribution Schematics
Ground Distribution Schematics
4-Way Power Seats
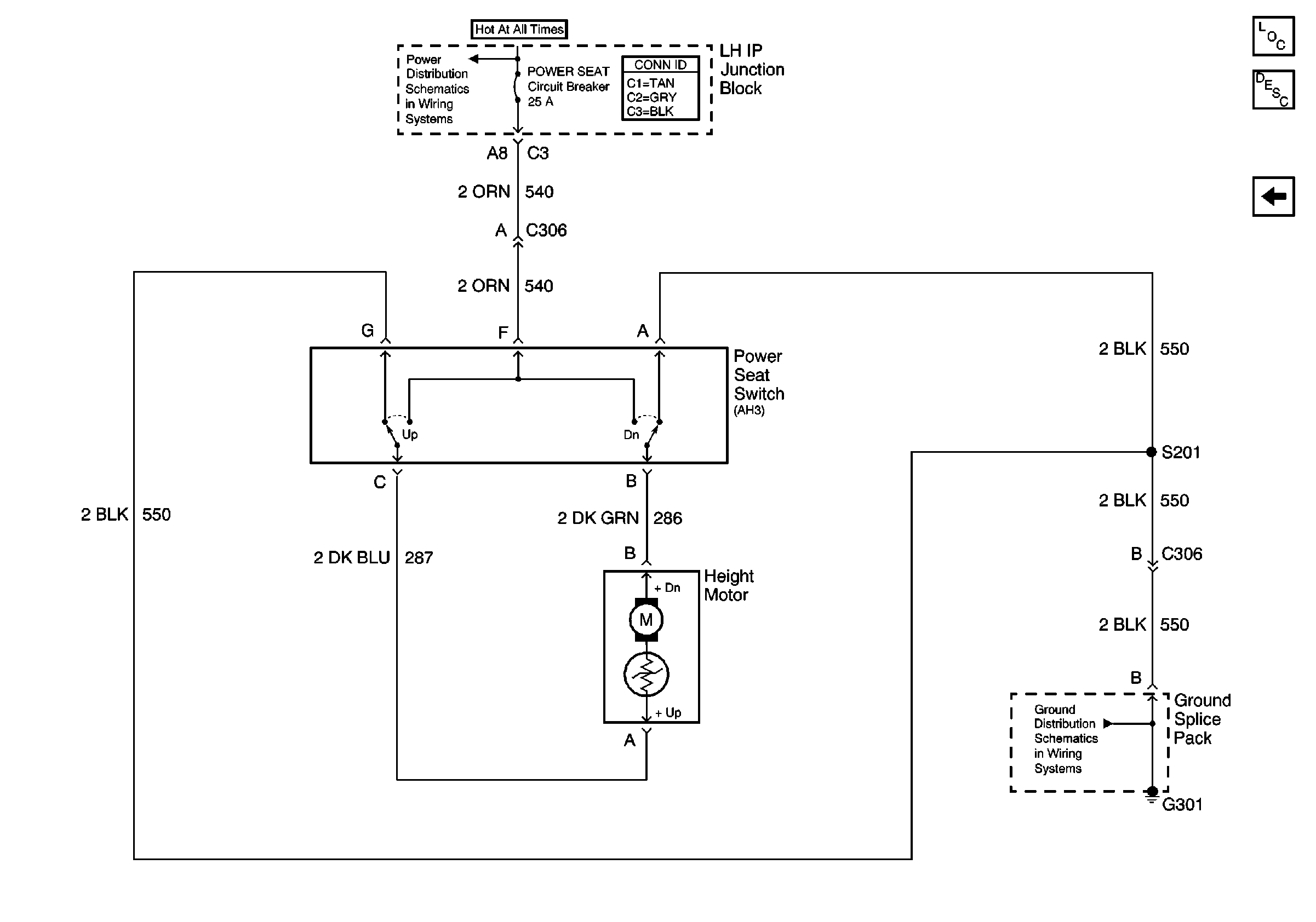
Figure
2:
4-Way Power Seats
Power Seat Systems Components
Power Seats Circuit Description
Power Distribution Schematics
Ground Distribution Schematics
6-Way Power Seats