GM Service Manual Online
For 1990-2009 cars only
Makes
🢒
Chevrolet
🢒
1999
🢒
Alero Export
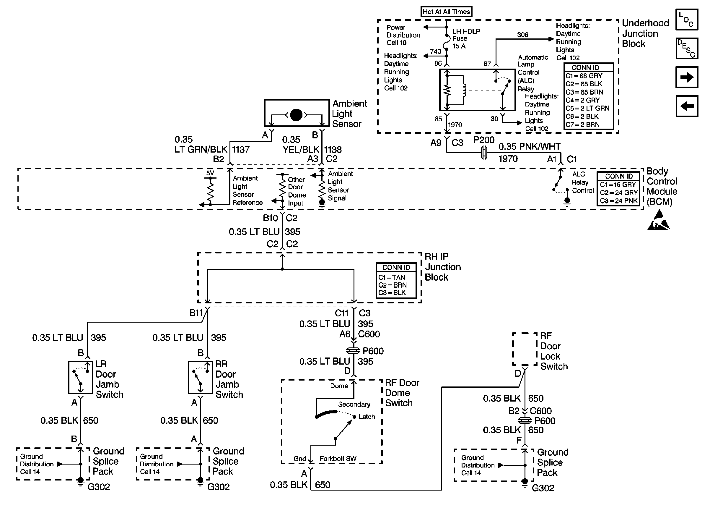
🢒 Cell 51: Ambient Light Sensor; Right Rear, Left Rear, Right Front Door Lock Switches
Cell 51: Ambient Light Sensor; Right Rear, Left Rear, Right Front Door Lock Switches
Cell 51: Ambient Light Sensor; Right Rear, Left Rear, Right Front Door Lock Switches
Body Control Module Components
Body Control System Circuit Description
Cell 51: DRL Relay and Parklamp Relay
Cell 51: Ignition Switch, Reading Lamp, Panel Dimmer Switch
Handling ESD Sensitive Parts Notice
Power Distribution Schematics
Headlights/Daytime Running Lights (DRL) Schematics
Headlights/Daytime Running Lights (DRL) Schematics
Headlights/Daytime Running Lights (DRL) Schematics
Ground Distribution Schematics
Ground Distribution Schematics
Ground Distribution Schematics
Power and Grounding Connector End Views
Body Control System Connector End Views
Power and Grounding Connector End Views