GM Service Manual Online
For 1990-2009 cars only

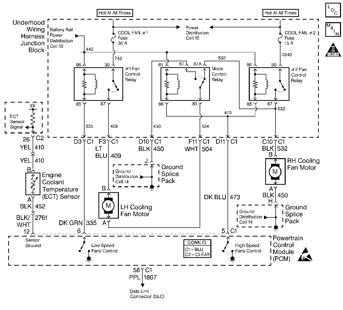
Object Number: 328595  Size: LF
Engine Controls Components
Engine Controls Schematics
OBD II Symbol Description Notice
Handling ESD Sensitive Parts Notice

Circuit Description

The Engine Coolant Temperature (ECT) sensor is a thermistor mounted in the engine coolant stream. The PCM applies a voltage (about 5.0V) through a pull up resistor to the ECT signal circuit. When the engine coolant is cold, the sensor (thermistor) resistance is high, therefore the PCM will measure a high signal voltage. As the engine coolant warms, the sensor resistance becomes less, and the ECT signal voltage measured at the PCM drops. With a fully warmed up engine, the ECT signal voltage should measure about 1.5 to 2.0V.

Conditions for Setting the DTC

    •  The ECT sensor signal indicates an engine coolant temperature less than -40°C (-40°F).
    •  Above conditions present for longer than 3 seconds.

Action Taken When the DTC Sets

    • The PCM will illuminate the malfunction indicator lamp (MIL) during the second consecutive trip in which the diagnostic test has been run and failed.
    • The PCM will store conditions which were present when the DTC set as Freeze Frame/Failure Records data.

Conditions for Clearing the MIL/DTC

    • The PCM will turn OFF the malfunction indicator lamp (MIL) during the third consecutive trip in which the diagnostic has run and passed.
    • The history DTC will clear after 40 consecutive warm-up cycles have occurred without a malfunction.
    • The DTC can be cleared by using a scan tool.

Diagnostic Aids

Check for the following conditions:

    •  Poor connection at PCM. Inspect harness connectors for backed out terminals, improper mating, broken locks, improperly formed or damaged terminals, and poor terminal to wire connection.
    •  Damaged harness. Inspect the wiring harness for damage. If the harness appears to be OK, observe the ECT display on the scan tool while moving connectors and wiring harnesses related to the ECT sensor. A change in the ECT display will indicate the location of the fault.
    • The Temperature vs. Resistance table may be used to test the ECT sensor at various temperatures to evaluate the possibilitiy of a shift sensor that may be open above or below a certain temperature. Refer to Temperature Versus Resistance . If this is the case, replace the ECT sensor. Refer to Engine Coolant Temperature Sensor Replacement .
        If the ECT sensor appears to be OK, the fault is intermittent. Refer to Diagnostic Aids.

If DTC P0118 cannot be duplicated, the information included in the Fail Records data can be useful in determining vehicle mileage since the DTC was last set. If it is determined that the DTC occurs intermittently, performing the DTC P1115 Diagnostic Chart may isolate the cause of the fault.

Test Description

The numbers below refer to the step numbers on the Diagnostic Table:

  1. Verifies that the fault is present.

  2. If DTC P0118 can be repeated only by duplicating the Fail Records conditions.

  3. This vehicle is equipped with a PCM which utilizes an Electrically Erasable Programmable Read Only Memory (EEPROM). When the PCM is being replaced, the new PCM must be programmed.

DTC P0118 - ECT Sensor Circuit High Voltage

Step

Action

Value(s)

Yes

No

1

Was the Powertrain ON Board Diagnostic System Check performed?

--

Go to Step 2

Go to Powertrain On Board Diagnostic (OBD) System Check

2

Turn the ignition ON, observe the Eng. Cool. Temp. display on the scan tool.

Is Eng. Cool. Temp. below the specified value?

-30°C (-22°F)

Go to Step 4

Go to Step 3

3

  1. Turn the ignition ON, engine OFF.
  2. Review and record scan tool Fail Records data.
  3. Operate vehicle within Fail Records conditions as noted.
  4. Using a scan tool, monitor Specific DTC info for DTC P0118.

Does scan tool indicate DTC P0118 failed?

--

Go to Step 4

Go to Diagnostic Aids

4

  1. Disconnect the ECT sensor electrical connector.
  2. Jumper the ECT signal circuit and the sensor ground circuit together at the ECT sensor harness connector.
  3. Observe the Eng. Cool. Temp. display on the scan tool.

Is Eng. Cool. Temp. above the specified value?

130°C (266°F)

Go to Step 6

Go to Step 5

5

  1. Jumper the ECT signal circuit at the ECT sensor harness connector to chassis ground.
  2. Observe the Eng. Cool. Temp. display on the scan tool.

Is Eng. Cool. Temp. above the specified value?

130°C (266°F)

Go to Step 7

Go to Step 8

6

Check for poor connections at the ECT sensor and replace terminals if necessary. Refer to Wiring Repairs .

Did any terminals require replacement?

--

Go to Step 12

Go to Step 10

7

  1. Turn the ignition OFF.
  2. Disconnect the PCM, and check the ECT sensor ground circuit for an open.
  3. If the ECT sensor ground circuit is open, repair it as necessary. Refer to Wiring Repairs .

Was the ECT sensor ground circuit open?

--

Go to Step 12

Go to Step 9

8

  1. Turn the ignition OFF.
  2. Disconnect the PCM, and check the ECT signal circuit for an open.
  3. If the ECT sensor signal circuit is open, repair it as necessary. Refer to Wiring Repairs .

Was the ECT signal circuit open?

--

Go to Step 12

Go to Step 9

9

Check for a poor sensor ground or ECT signal circuit terminal connection at the PCM and replace terminal(s) if necessary. Refer to Wiring Repairs .

Did any of the terminals need to be replaced?

--

Go to Step 12

Go to Step 11

10

Replace the ECT sensor. Refer to Engine Coolant Temperature Sensor Replacement

Is the action complete?

--

Go to Step 12

--

11

Important: The replacement PCM must be programmed. Refer to Powertrain Control Module Replacement/Programming .

Replace the PCM.

Is the action complete?

--

Go to Step 12

--

12

  1. Review and record scan tool Fail Records data.
  2. Clear DTCs.
  3. Operate vehicle within Fail Records conditions as noted.
  4. Using a scan tool, monitor Specific DTC info for DTC P0118.

Does scan tool indicate DTC P0118 failed?

--

Go to Step 2

System OK