GM Service Manual Online
For 1990-2009 cars only
Figure 1:

Cell 21: Power, Ground, MIL, and DLC


Object Number: 229866  Size: FS
Engine Controls Components
Information Sensors/Switches Description
Cell 21: Ignition Controls
OBDII Symbol Description Notice
Handling Electrostatic Discharge Sensitive Parts Notice
Handling Electrostatic Discharge Sensitive Parts Notice
Cell 10: LH BEC BATT 1, AUX PWR/CIGAR, PARK LPS, PCM BATT, PWRSEAT, PWR MIRROR, DR LOCK and TRUNK REL/RFA Fuses
Cell 10: IGN MOD, BU LMP/BTSI, PCM IGN, F/P INJR, A/C BFC, AUTO TRANS, ABS IGN Fuses
Power and Grounding Connector End Views
Cell 10: AIR BAG, TURN LPS, RDO ACC, WIPER, PCM ACC and IPC/BFC ACC FusEs
Power and Grounding Connector End Views
Cell 10: RH HDLP, LH HDLP, GEN BATT, LH BEC BATT 2, ABS BATT,STOP LPS, HAZARD LPS, IPC/HVAC BATT and BFC BATT Fuses
Instrument Cluster Ignition Voltage and Indicators 1 of 3
Powertrain Control Module Connector End Views
Cell 14: G102 and G104
Cell 14: G201
Cell 14: G102 and G104
Cell 50
Instrument Cluster Ignition Voltage and Indicators 1 of 3
Cell 10: RH HDLP, LH HDLP, GEN BATT, LH BEC BATT 2, ABS BATT,STOP LPS, HAZARD LPS, IPC/HVAC BATT and BFC BATT Fuses
Figure 2:

Cell 21: Ignition Controls


Object Number: 229869  Size: FS
Engine Controls Components
Information Sensors/Switches Description
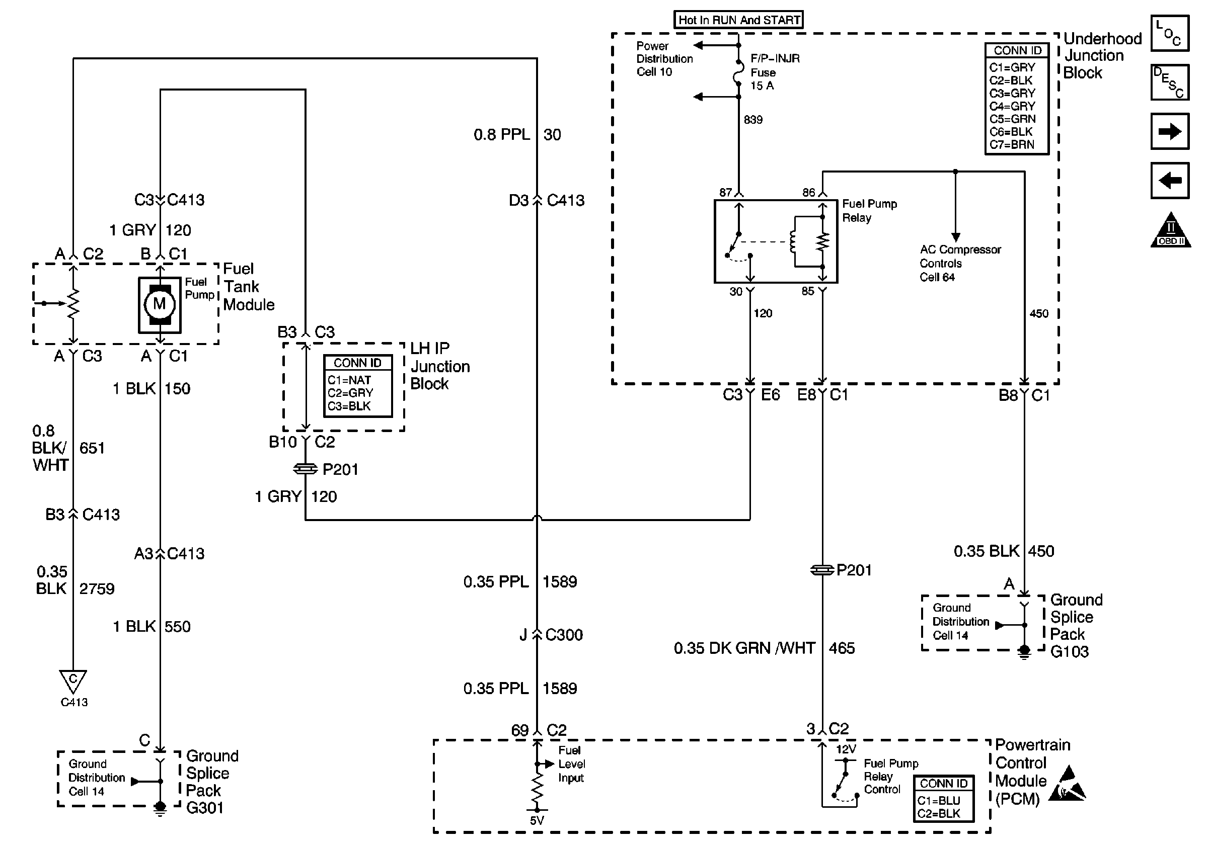
Cell 21: Fuel Controls
Cell 21: Power, Ground, MIL, and DLC
OBDII Symbol Description Notice
Handling Electrostatic Discharge Sensitive Parts Notice
Cell 10: LH BEC BATT 1, AUX PWR/CIGAR, PARK LPS, PCM BATT, PWRSEAT, PWR MIRROR, DR LOCK and TRUNK REL/RFA Fuses
Power and Grounding Connector End Views
Engine Controls Connector End Views
Powertrain Control Module Connector End Views
Cell 14: G103 and G105
Figure 3:

Cell 21: Fuel Controls


Object Number: 229872  Size: FS
Engine Controls Components
Information Sensors/Switches Description
Cell 21: Fuel Injectors
Cell 21: Ignition Controls
OBDII Symbol Description Notice
Handling Electrostatic Discharge Sensitive Parts Notice
Cell 10: LH BEC BATT 1, AUX PWR/CIGAR, PARK LPS, PCM BATT, PWRSEAT, PWR MIRROR, DR LOCK and TRUNK REL/RFA Fuses
Power and Grounding Connector End Views
HVAC Air Delivery System Check
Cell 14: G301
Cell 21: Engine Data Sensors
Powertrain Control Module Connector End Views
Cell 14: G103 and G105
Figure 4:

Cell 21: Fuel Injectors


Object Number: 229874  Size: FS
Engine Controls Components
Information Sensors/Switches Description
Cell 21: Engine Data Sensors
Cell 21: Fuel Controls
OBDII Symbol Description Notice
Handling Electrostatic Discharge Sensitive Parts Notice
Cell 10: IGN MOD, BU LMP/BTSI, PCM IGN, F/P INJR, A/C BFC, AUTO TRANS, ABS IGN Fuses
Power and Grounding Connector End Views
Powertrain Control Module Connector End Views
Figure 5:

Cell 21: Engine Data Sensors


Object Number: 229877  Size: FS
Engine Controls Components
Information Sensors/Switches Description
Cell 21: EVAP and EGR Controls
Cell 21: Fuel Injectors
OBDII Symbol Description Notice
Handling Electrostatic Discharge Sensitive Parts Notice
Handling Electrostatic Discharge Sensitive Parts Notice
Powertrain Control Module Connector End Views
Cell 21: Fuel Controls
Figure 6:

Cell 21: EVAP and EGR Controls


Object Number: 229883  Size: FS
Engine Controls Components
Information Sensors/Switches Description
Cell 21: Oxygen Sensors
Cell 21: Engine Data Sensors
OBDII Symbol Description Notice
Handling Electrostatic Discharge Sensitive Parts Notice
Cell 10: LH BEC BATT 1, AUX PWR/CIGAR, PARK LPS, PCM BATT, PWRSEAT, PWR MIRROR, DR LOCK and TRUNK REL/RFA Fuses
Cell 10: LH BEC BATT 1, AUX PWR/CIGAR, PARK LPS, PCM BATT, PWRSEAT, PWR MIRROR, DR LOCK and TRUNK REL/RFA Fuses
Power and Grounding Connector End Views
Power and Grounding Connector End Views
Ground Distribution Schematics
Powertrain Control Module Connector End Views
Figure 7:

Cell 21: Oxygen Sensors


Object Number: 229888  Size: FS
Engine Controls Components
Information Sensors/Switches Description
Cell 21: IAC Valve, Generator, TR, and Oil Switches
Cell 21: EVAP and EGR Controls
OBDII Symbol Description Notice
Handling Electrostatic Discharge Sensitive Parts Notice
Power Distribution Schematics
Power and Grounding Connector End Views
Powertrain Control Module Connector End Views
Ground Distribution Schematics
Ground Distribution Schematics
Figure 8:

Cell 21: IAC Valve, Generator, TR, and Oil Switches


Object Number: 229890  Size: FS
Engine Controls Components
Information Sensors/Switches Description
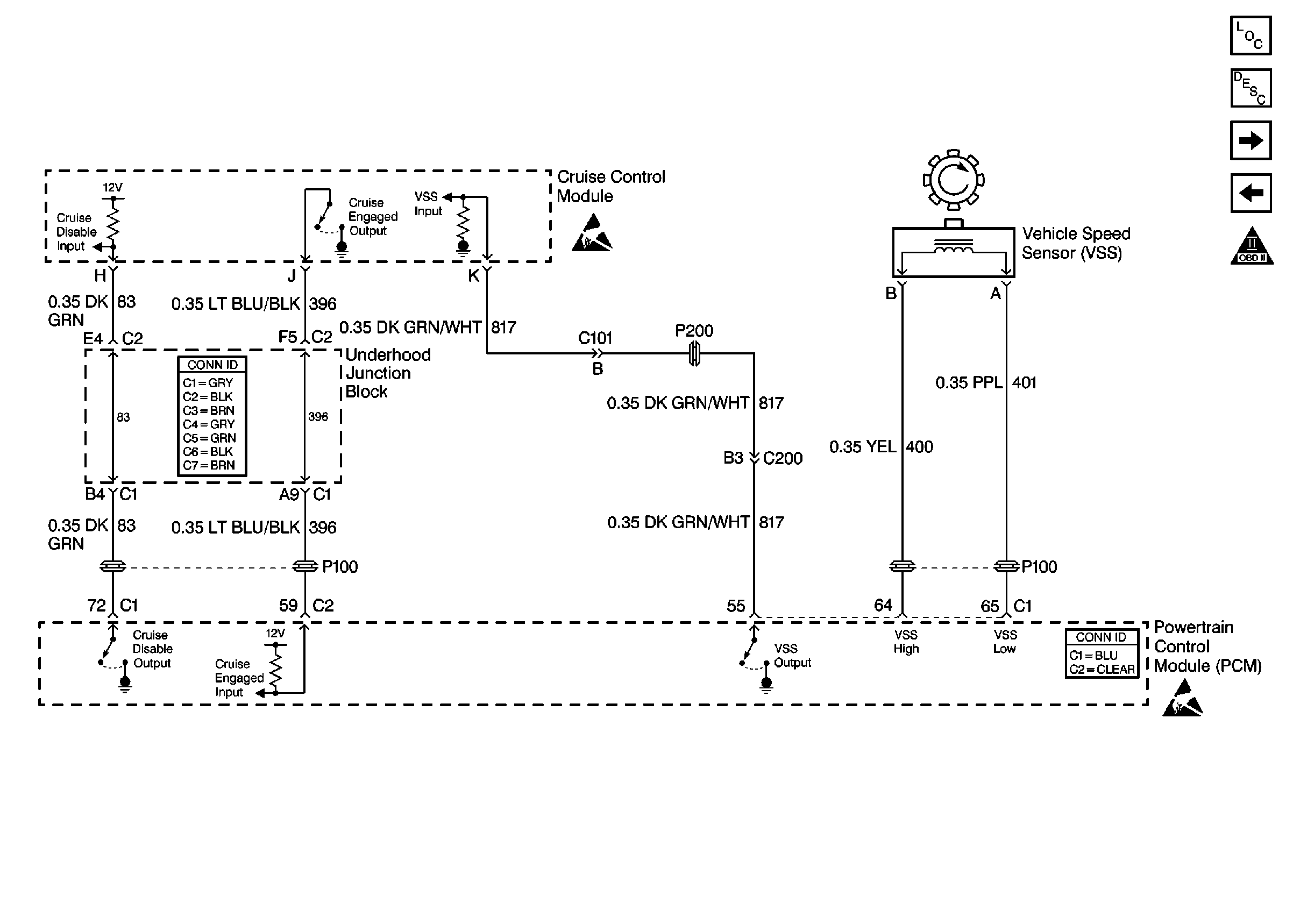
Cell 21: VSS and Cruise Control
Cell 21: Oxygen Sensors
OBDII Symbol Description Notice
Handling Electrostatic Discharge Sensitive Parts Notice
Powertrain Control Module Connector End Views
Ground Distribution Schematics
Figure 9:

Cell 21: VSS and Cruise Control


Object Number: 229898  Size: FS
Engine Controls Components
Information Sensors/Switches Description
Transaxle Controls (Solenoids)
Cell 21: IAC Valve, Generator, TR, and Oil Switches
OBDII Symbol Description Notice
Handling Electrostatic Discharge Sensitive Parts Notice
Handling Electrostatic Discharge Sensitive Parts Notice
Powertrain Control Module Connector End Views
Power and Grounding Connector End Views
Figure 10:

Transaxle Controls (Solenoids)


Object Number: 229901  Size: FS
Engine Controls Components
Information Sensors/Switches Description
Cell 21: Transaxle Controls (Switches)
Cell 21: VSS and Cruise Control
OBDII Symbol Description Notice
Handling Electrostatic Discharge Sensitive Parts Notice
Figure 11:

Cell 21: Transaxle Controls (Switches)


Object Number: 229905  Size: FS
Engine Controls Components
Information Sensors/Switches Description
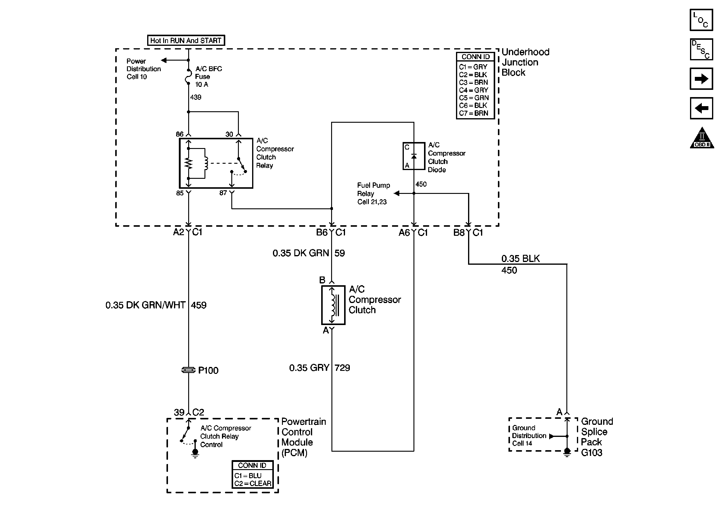
Cell 21: A/C Controls
Transaxle Controls (Solenoids)
OBDII Symbol Description Notice
Handling Electrostatic Discharge Sensitive Parts Notice
Handling Electrostatic Discharge Sensitive Parts Notice
Figure 12:

Cell 21: A/C Controls


Object Number: 229908  Size: FS
Engine Controls Components
Information Sensors/Switches Description
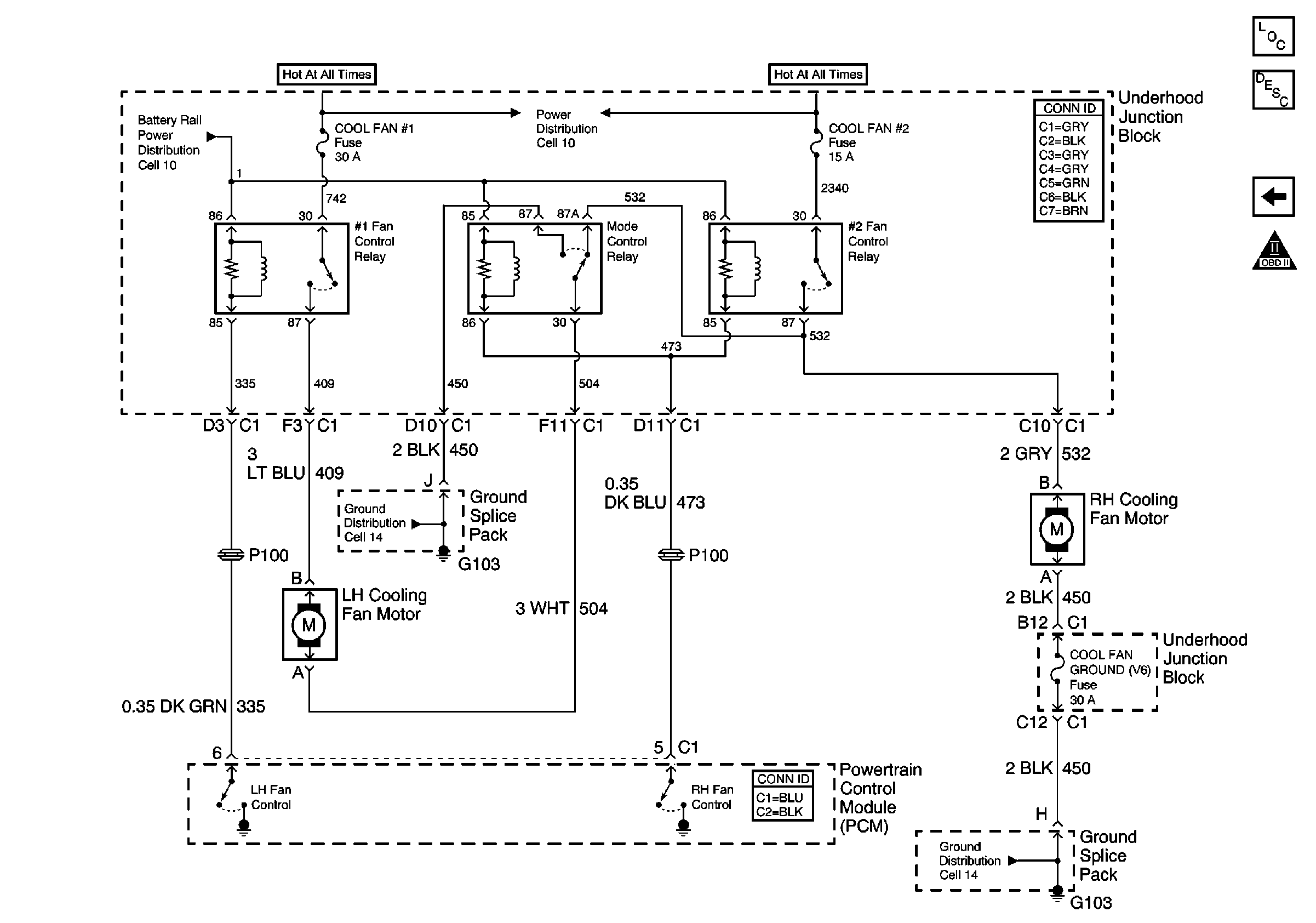
Cooling Fan Controls
Cell 21: Transaxle Controls (Switches)
OBDII Symbol Description Notice
Figure 13:

Cooling Fan Controls


Object Number: 229911  Size: FS
Engine Controls Components
Information Sensors/Switches Description
Cell 21: A/C Controls
OBDII Symbol Description Notice