 
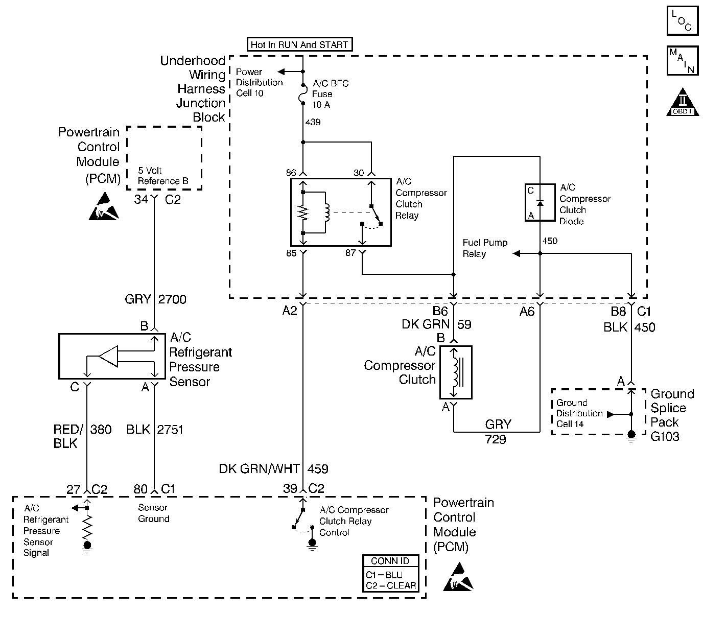
The A/C system uses an A/C refrigerant pressure sensor mounted in the high pressure side of the A/C refrigerant system to monitor A/C refrigerant pressure. The PCM uses this information to turn ON the engine coolant fans when the A/C refrigerant pressure is high and to keep the compressor disengaged when A/C refrigerant pressure is excessively high or low.
The A/C refrigerant pressure sensor operates like other 3-wire sensors. The PCM applies a 5.0 volt reference and a sensor ground to the sensor. Changes in the A/C refrigerant pressure will cause the A/C refrigerant pressure input to the PCM to vary. The PCM monitors the A/C refrigerant pressure signal circuit and can determine when the signal is outside of the possible range of the sensor. When the signal is out of range (high or low) for a prolonged period of time, the PCM will set DTC P0530. When DTC P0530 is set, the PCM will not allow the A/C compressor clutch to engage. This is done to protect the compressor.
| • | A/C refrigerant pressure sensor signal voltage is below 0.1 volt with the engine running and A/C requested. | 
| • | A/C refrigerant pressure sensor signal voltage is above 4.94 volts with the engine running and the A/C requested. | 
| • | Either of the above conditions for 20 seconds. | 
The PCM stores conditions which were present when the DTC set as Failure Records only. This information will not be stored as Freeze Frame Records.
| • | The DTC becomes history when the conditions for setting the DTC are no longer present. | 
| • | The history DTC clears after 40 malfunction free warm-up cycles. | 
| • | The PCM receives a clear code command from the scan tool. | 
Check for the following conditions:
| • | Poor connection at PCM. Inspect harness connectors for backed out terminals, improper mating, broken locks, improperly formed or damaged terminals, and poor terminal to wire connection. | 
| • | Damaged harness. Inspect the wiring harness for damage. If the harness appears to be OK, observe the A/C pressure display on the scan tool while moving connectors and wiring harnesses related to the A/C refrigerant pressure sensor. A change in the A/C pressure display will indicate the location of the fault. | 
If DTC P0530 cannot be duplicated, reviewing the Fail Records vehicle mileage since the diagnostic test last failed may help determine how often the condition that caused the DTC to be set occurs. This may assist in diagnosing the condition.
The numbers below refer to the step numbers on the Diagnostic Table:
Normal A/C pressure sensor signal voltage is between 0.1 and 4.2 volts. If A/C voltage is within range, review Fail Records data to determine the conditions that were present when DTC P0530 set.
If the A/C refrigerant pressure signal voltage stays high after disconnecting the A/C refrigerant pressure sensor electrical connector, the signal circuit is shorted to voltage or the PCM is faulty.
This vehicle is equipped with a PCM which utilizes an Electrically Erasable Programmable Read Only Memory (EEPROM). When the PCM is being replaced, the new PCM must be programmed.
| Step | Action | Value(s) | Yes | No | ||||
|---|---|---|---|---|---|---|---|---|
| 1 | Was the Powertrain ON-Board Diagnostic (OBD) System Check performed? | -- | ||||||
| Observe the A/C refrigerant pressure sensor voltage. Is the A/C refrigerant pressure sensor voltage less than the specified value? | 0.1V | |||||||
| 3 | Is the A/C refrigerant pressure sensor voltage equal to or greater than the specified value? | 4.0V | Go to Diagnostic Aids | |||||
| Disconnect the A/C refrigerant pressure sensor while observing A/C refrigerant pressure sensor voltage on the scan tool. Does the scan tool indicate voltage near the specified value? | 0.0V | |||||||
| 5 | 
 Does the scan tool indicate A/C refrigerant pressure sensor voltage near the specified value? | 5.0V | ||||||
| 6 | Using a Digital Multimeter, measure voltage between the 5 volt reference B circuit and the ground circuit at the A/C refrigerant pressure sensor harness connector. Is voltage near the specified value? | 5.0V | ||||||
| 7 | Check for a poor 5 volt reference B circuit terminal connection at the PCM. Refer to Wiring Repairs . Was a problem found? | -- | ||||||
| 8 | Check the 5 volt reference B circuit for the ffollowing: 
 
 Refer to Wiring Repairs . Was a problem found? | -- | ||||||
| 9 | Check the A/C refrigerant pressure signal circuit for a poor terminal connection at the PCM. Refer to Wiring Repairs . Was a problem found? | -- | ||||||
| 10 | Check the A/C refrigerant pressure signal circuit between the A/C refrigerant pressure sensor connector and the PCM for an open or short to ground. Refer to Wiring Repairs . Was a problem found? | -- | ||||||
| 11 | Check the A/C refrigerant pressure signal circuit between the A/C pressure sensor connector and the PCM for a short to voltage. Refer to Wiring Repairs . Was a problem found? | -- | ||||||
| 12 | Check for a short to voltage on the 5 volt reference B circuit. Refer to Wiring Repairs . Was a problem found? | -- | ||||||
| 13 | Check for a poor sensor ground circuit terminal connection at the PCM. Refer to Wiring Repairs . Was a problem found? | -- | ||||||
| 14 | Check for a poor sensor ground circuit terminal connection at the A/C refrigerant pressure sensor connector. Was a problem found? | -- | ||||||
| 15 | Check for an open in the sensor ground circuit. Refer to Wiring Repairs . Was a problem found? | -- | ||||||
| 16 | Check for a poor 5 volt reference B circuit or A/C refrigerant pressure signal circuit terminal connection at the A/C refrigerant pressure sensor. Was a problem found? | -- | ||||||
| 17 | Replace the faulty harness connector terminal. Refer to Wiring Repairs . Is the action complete? | -- | -- | |||||
| 18 | Locate and repair open/short circuit in wiring harness as necessary. Refer to Wiring Repairs . Is the action complete? | -- | -- | |||||
| 19 | Replace the A/C refrigerant pressure sensor. Refer to Air Conditioning (A/C) Refrigerant Pressure Sensor Replacement in HVAC System-Manual. Is the action complete? | -- | -- | |||||
| Important: : The replacement PCM must be programmed. Refer to Powertrain Control Module Replacement/Programming . Replace the PCM. Is the action complete? | -- | -- | ||||||
| 21 | 
 Is the A/C refrigerant pressure sensor voltage between the specified values? | 0.1V-4.2V | System OK |