GM Service Manual Online
For 1990-2009 cars only

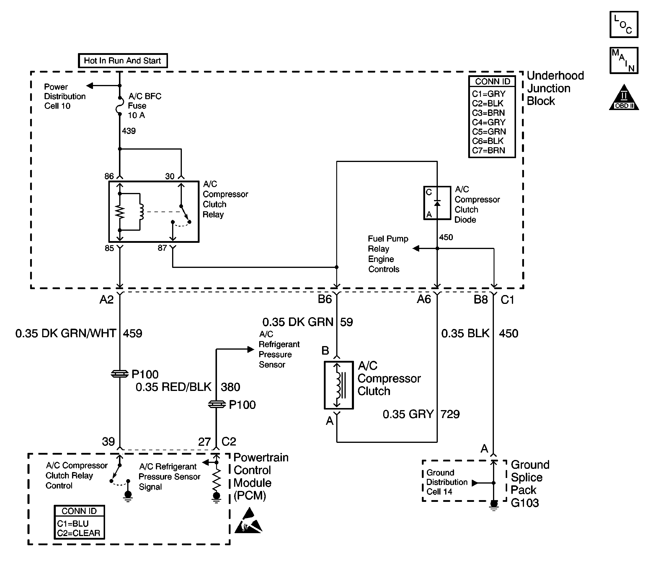
Object Number: 577188  Size: LF
Engine Controls Components
Power, Ground, A/C Compressor Clutch, and AIR
OBD II Symbol Description Notice
Handling ESD Sensitive Parts Notice

Circuit Description

Output driver modules (ODMs) are used by the powertrain control module (PCM) to turn on many of the current-driven devices that are needed to control various engine and transaxle functions. Each ODM is capable of controlling up to 7 separate outputs by applying ground to the device which the PCM is commanding ON. ODMs have the capability of diagnosing each output circuit individually. DTC P1546 set indicates an improper voltage level has been detected on the output circuit which controls the A/C compressor control relay.

Conditions for Running the DTC

The ignition is ON.

Conditions for Setting the DTC

    • An improper voltage level has been detected on the output circuit which controls the A/C compressor control relay.
    • The above condition is present for at least 30 seconds.

Action Taken When the DTC Sets

The PCM stores conditions which were present when the DTC set as Failure Records only. This information will not be stored as Freeze Frame Records.

Conditions for Clearing the MIL/DTC

    • The DTC becomes history when the conditions for setting the DTC are no longer present.
    • The history DTC clears after 40 malfunction free warm-up cycles.
    • The PCM receives a clear code command from the scan tool.

Diagnostic Aids

Inspect for the following conditions:

Many situations may lead to an intermittent condition. Perform each inspection or test as directed.

Important: :  Remove any debris from the connector surfaces before servicing a component. Inspect the connector gaskets when diagnosing or replacing a component. Ensure that the gaskets are installed correctly. The gaskets prevent contaminate intrusion.

    • Loose terminal connection
       -  Use a corresponding mating terminal to test for proper tension. Refer to Testing for Intermittent Conditions and Poor Connections , and to Connector Repairs in Wiring Systems for diagnosis and repair.
       -  Inspect the harness connectors for backed out terminals, improper mating, broken locks, improperly formed or damaged terminals, and faulty terminal to wire connection. Refer to Testing for Intermittent Conditions and Poor Connections , and to Connector Repairs in Wiring Systems for diagnosis and repair.
    • Damaged harness--Inspect the wiring harness for damage. If the harness inspection does not reveal a problem, observe the display on the scan tool while moving connectors and wiring harnesses related to the sensor. A change in the scan tool display may indicate the location of the fault. Refer to Wiring Repairs in Wiring Systems for diagnosis and repair.
    •  Inspect the powertrain control module (PCM) and the engine grounds for clean and secure connections. Refer to Wiring Repairs in Wiring Systems for diagnosis and repair.

If the condition is determined to be intermittent, reviewing the Snapshot or Freeze Frame/Failure Records may be useful in determining when the DTC or condition was identified.

Test Description

The numbers below refer to the step numbers on the diagnostic table:

  1. This step prompts you to complete some basic tests and store the Freeze Frame and Failure Records data on the scan tool.

  2. This step tests the relay switch.

  3. This step tests for voltage at the coil feed side of the relay.

  4. This step verifies that the PCM is providing ground to the relay.

  5. This step tests if ground is constantly being applied to the relay.

  6. This step ensures that the replacement PCM, which utilizes an electrically erasable programmable read only memory (EEPROM), is programmed when installed.

Step

Action

Values

Yes

No

1

Did you perform the Powertrain On Board Diagnostic (OBD) System Check?

--

Go to Step 2

Go to Powertrain On Board Diagnostic (OBD) System Check

2

  1. Turn ON the ignition, with the engine OFF.
  2. Important: Listen for a click when the relay operates as you command both the ON and OFF states.

  3. With a scan tool, command the A/C relay ON and OFF.
  4. Repeat the commands as necessary.

Does the relay turn ON and OFF with each command?

--

Go to Diagnostic Aids

Go to Step 3

3

  1. Turn OFF the ignition.
  2. Disconnect the relay.
  3. Turn ON the ignition, with the engine OFF.
  4. Probe the coil feed circuit of the relay using a test lamp that is connected to a good ground.

Does the test lamp illuminate?

--

Go to Step 4

Go to Step 10

4

  1. Connect a test lamp between the control circuit of the relay and the coil feed circuit of the relay.
  2. With a scan tool, command the A/C relay ON and OFF .

Does the test lamp turn ON and OFF with each command?

--

Go to Step 8

Go to Step 5

5

Does the test lamp remain illuminated with each command?

--

Go to Step 7

Go to Step 6

6

Test the control circuit of the relay for a short to voltage or an open. Refer to Wiring Repairs in Wiring Systems.

Did you find and correct the condition?

--

Go to Step 13

Go to Step 9

7

Test the control circuit of the relay for a short to ground. Refer to Wiring Repairs in Wiring Systems.

Did you find and correct the condition?

--

Go to Step 13

Go to Step 9

8

Inspect for faulty connections at the relay. Refer to Testing for Intermittent Conditions and Poor Connections and Connector Repairs in Wiring Systems.

Did you find and correct the condition?

--

Go to Step 13

Go to Step 11

9

Inspect for faulty connections at the PCM. Refer to Testing for Intermittent Conditions and Poor Connections and Connector Repairs in Wiring Systems.

Did you find and correct the condition?

--

Go to Step 13

Go to Step 12

10

Repair the feed circuit of the relay. Refer to Wiring Repairs in Wiring Systems.

Did you complete the repair?

--

Go to Step 13

--

11

Replace the relay.

Did you complete the replacement?

--

Go to Step 13

--

12

Important: The replacement PCM must be programmed.

Replace the PCM. Refer to Powertrain Control Module Replacement/Programming .

Did you complete the replacement?

--

Go to Step 13

--

13

  1. Use the scan tool in order to record Fail Records and clear the DTCs .
  2. Operate the vehicle within the Fail Record conditions.

Does the DTC reset?

--

Go to Step 2

System OK