GM Service Manual Online
For 1990-2009 cars only
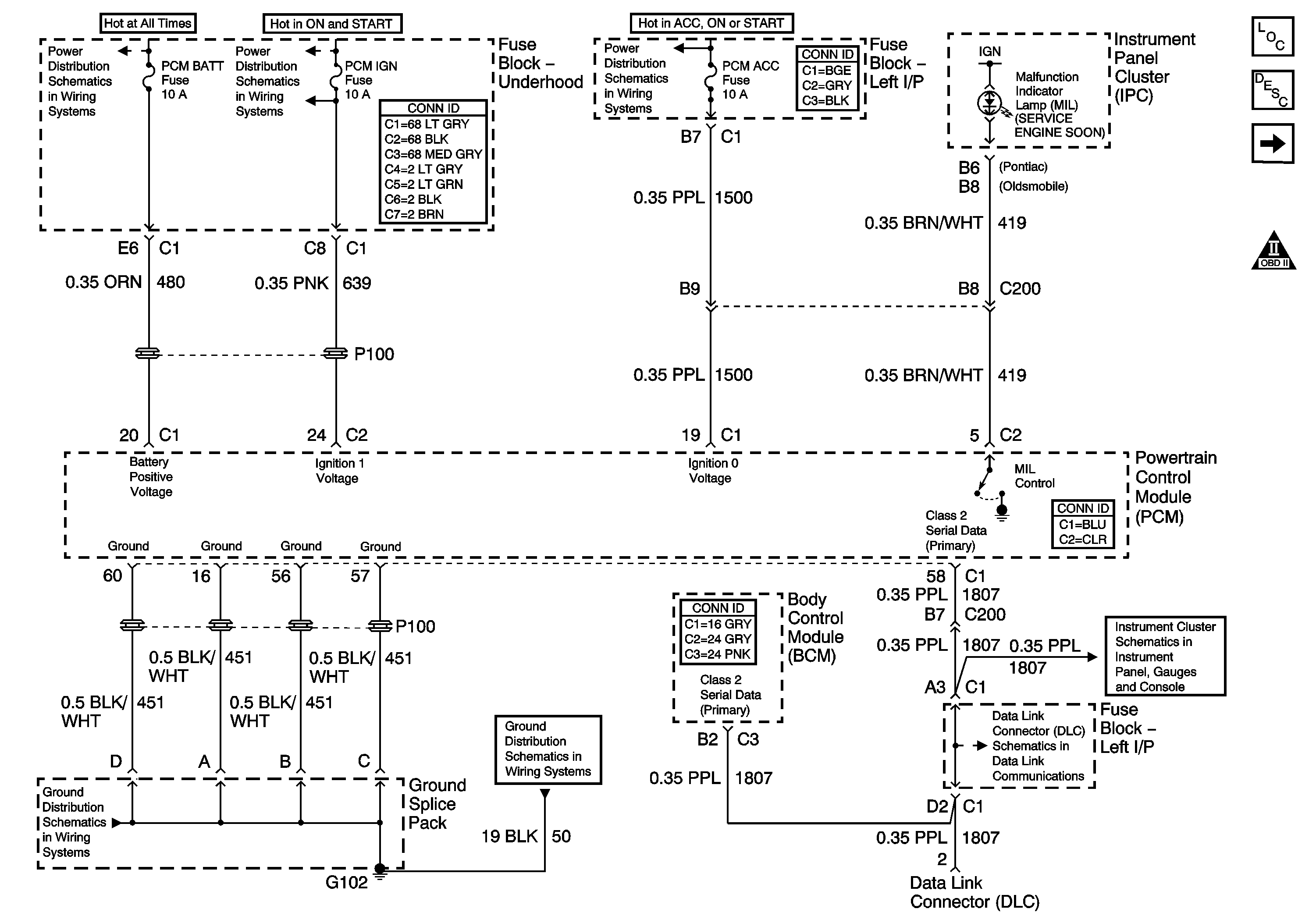
Figure 1:

Power, Ground, MIL and DLC


Object Number: 667488  Size: FS
Master Electrical Component List
Powertrain Control Module Description
Power, Ground, CMP, CKP 24X, CKP 7X, KS and ICM
OBD II Symbol Description Notice
Power, Ground, and DLC
Data Link Connector Schematics
Fault Indicators
IGN SW-BATT 1, HTR A/C IGN, ERLS, PCM, ACC, IPC/BFC Fuses
G102 and G104
IGN SW-BATT2, WIPER, AIR BAG, TURN LPS, IGN MOD, BU LMP, PCM IGN, F/PINJR, A/C BFC, AUTO TRANS, ABS, IGN Fuses
LH BEC BATT1, AUX PWR/CIGAR, PARK LPS, PCM BATT, PWR MIRROR, DR LOCK, TRUNK REL/RFA/Radio Amp Fuses, and RWR SEAT Circuit Breaker
G102 and G104
Figure 2:

Power, Ground, CMP, CKP 24X, CKP 7X, KS and ICM


Object Number: 667491  Size: FS
Master Electrical Component List
Powertrain Control Module Description
Fuel System
Power, Ground, MIL and DLC
OBD II Symbol Description Notice
G103 and G105
IGN SW-BATT2, WIPER, AIR BAG, TURN LPS, IGN MOD, BU LMP, PCM IGN, F/PINJR, A/C BFC, AUTO TRANS, ABS, IGN Fuses
Figure 3:

Fuel System


Object Number: 667513  Size: FS
Master Electrical Component List
Powertrain Control Module Description
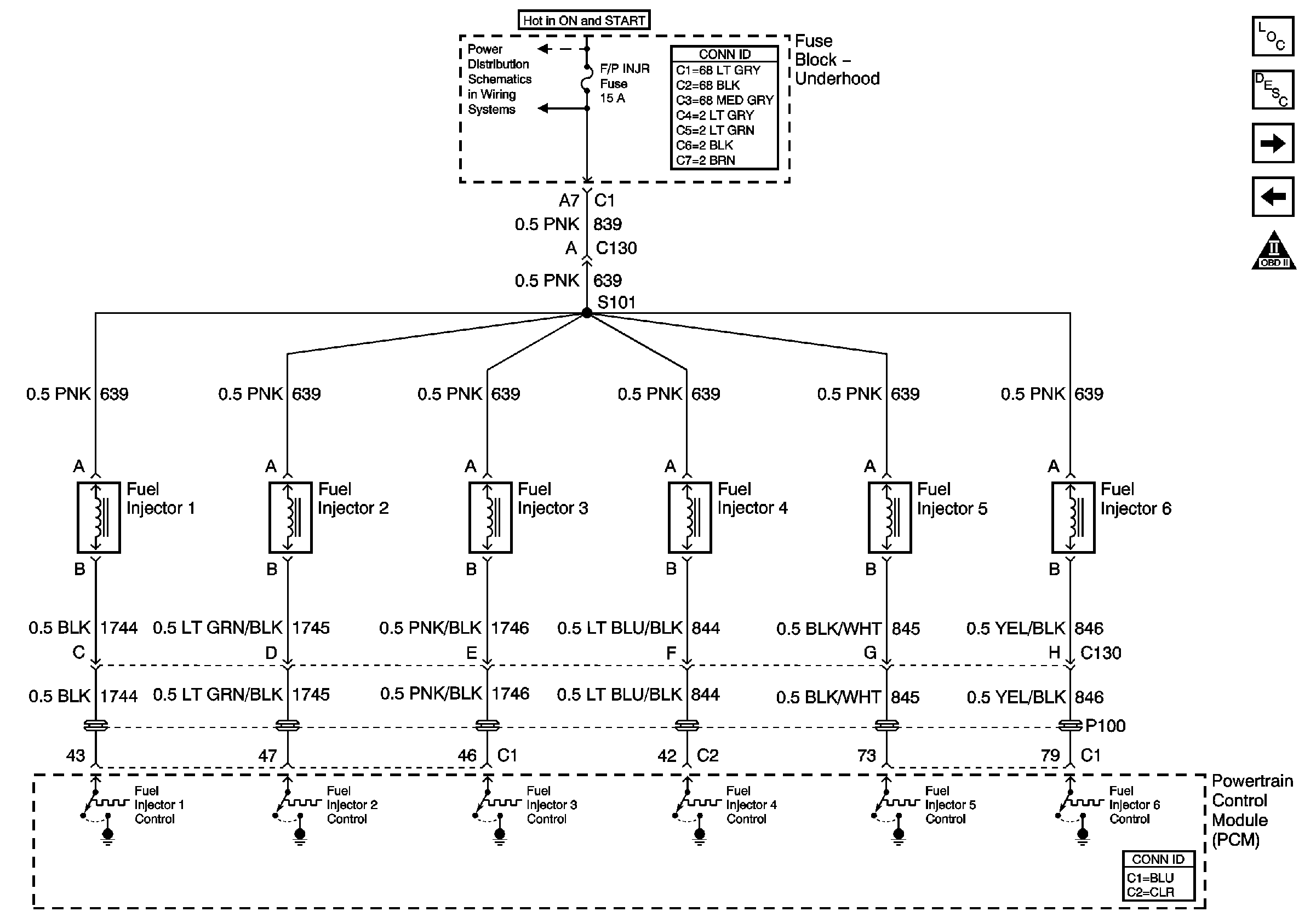
Power, Ground and Fuel Injectors
Power, Ground, CMP, CKP 24X, CKP 7X, KS and ICM
OBD II Symbol Description Notice
Compressor Controls
G103 and G105
IGN SW-BATT2, WIPER, AIR BAG, TURN LPS, IGN MOD, BU LMP, PCM IGN, F/PINJR, A/C BFC, AUTO TRANS, ABS, IGN Fuses
G302
Figure 4:

Power, Ground and Fuel Injectors


Object Number: 667517  Size: FS
Master Electrical Component List
Powertrain Control Module Description
Engine Data Sensors
Fuel System
OBD II Symbol Description Notice
IGN SW-BATT2, WIPER, AIR BAG, TURN LPS, IGN MOD, BU LMP, PCM IGN, F/PINJR, A/C BFC, AUTO TRANS, ABS, IGN Fuses
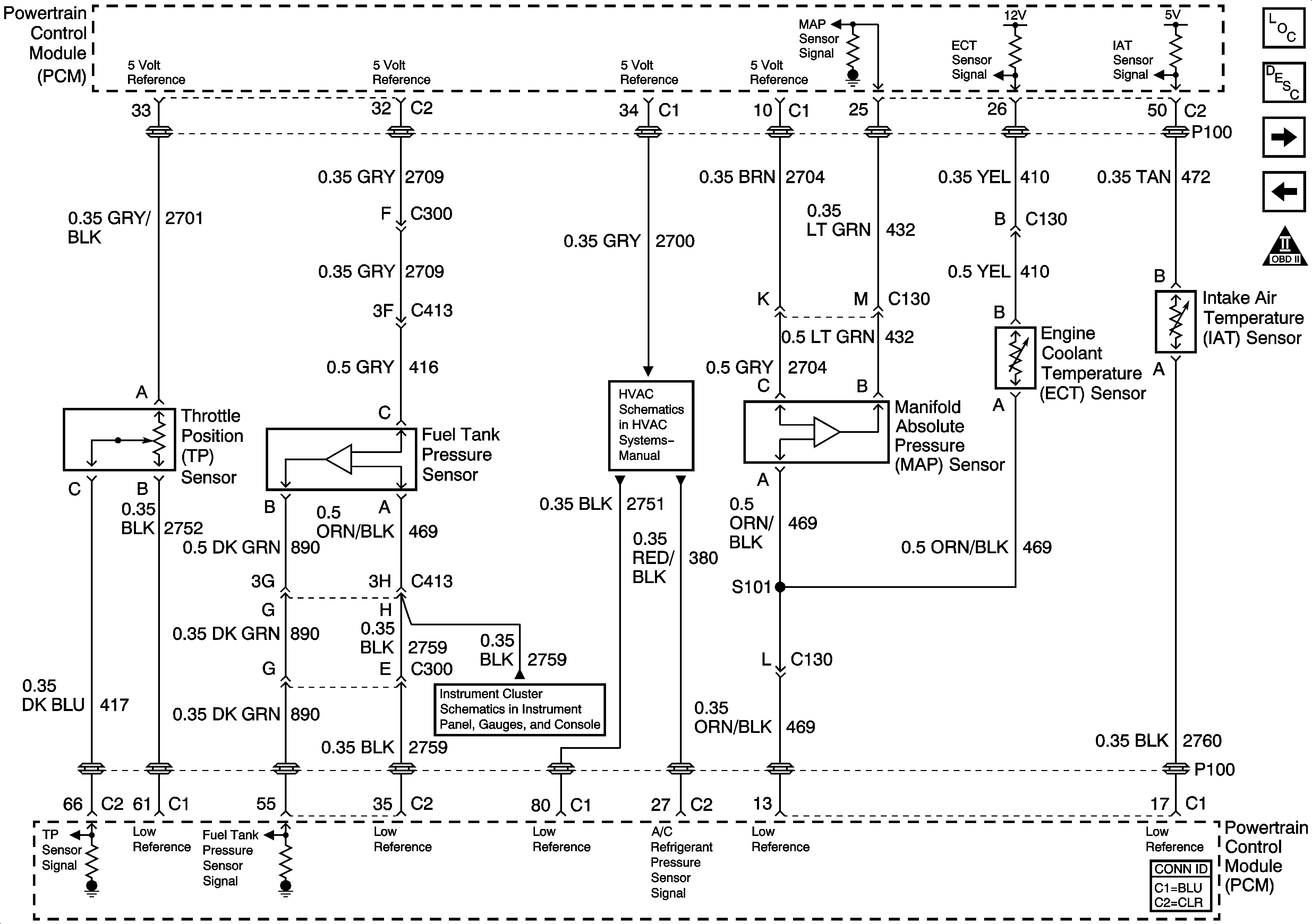
Figure 5:

Engine Data Sensors


Object Number: 667545  Size: FS
Master Electrical Component List
Powertrain Control Module Description
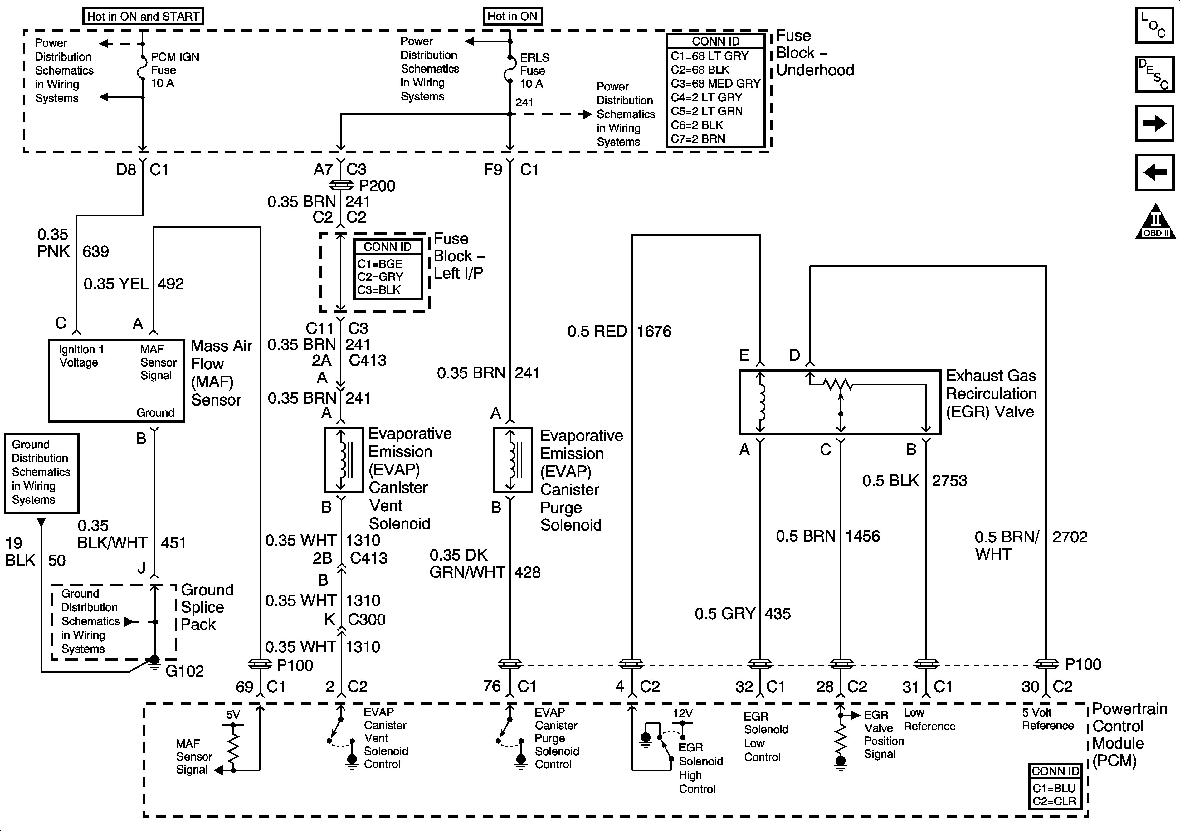
Power, Ground, MAF, EVAP, and EGR
Power, Ground and Fuel Injectors
OBD II Symbol Description Notice
Compressor Controls
Fault Indicators
Figure 6:

Power, Ground, MAF, EVAP, and EGR


Object Number: 667546  Size: FS
Master Electrical Component List
Powertrain Control Module Description
HO2S 1 and HO2S 2
Engine Data Sensors
OBD II Symbol Description Notice
IGN SW-BATT 1, HTR A/C IGN, ERLS, PCM, ACC, IPC/BFC Fuses
IGN SW-BATT 1, HTR A/C IGN, ERLS, PCM, ACC, IPC/BFC Fuses
IGN SW-BATT2, WIPER, AIR BAG, TURN LPS, IGN MOD, BU LMP, PCM IGN, F/PINJR, A/C BFC, AUTO TRANS, ABS, IGN Fuses
G102 and G104
G102 and G104
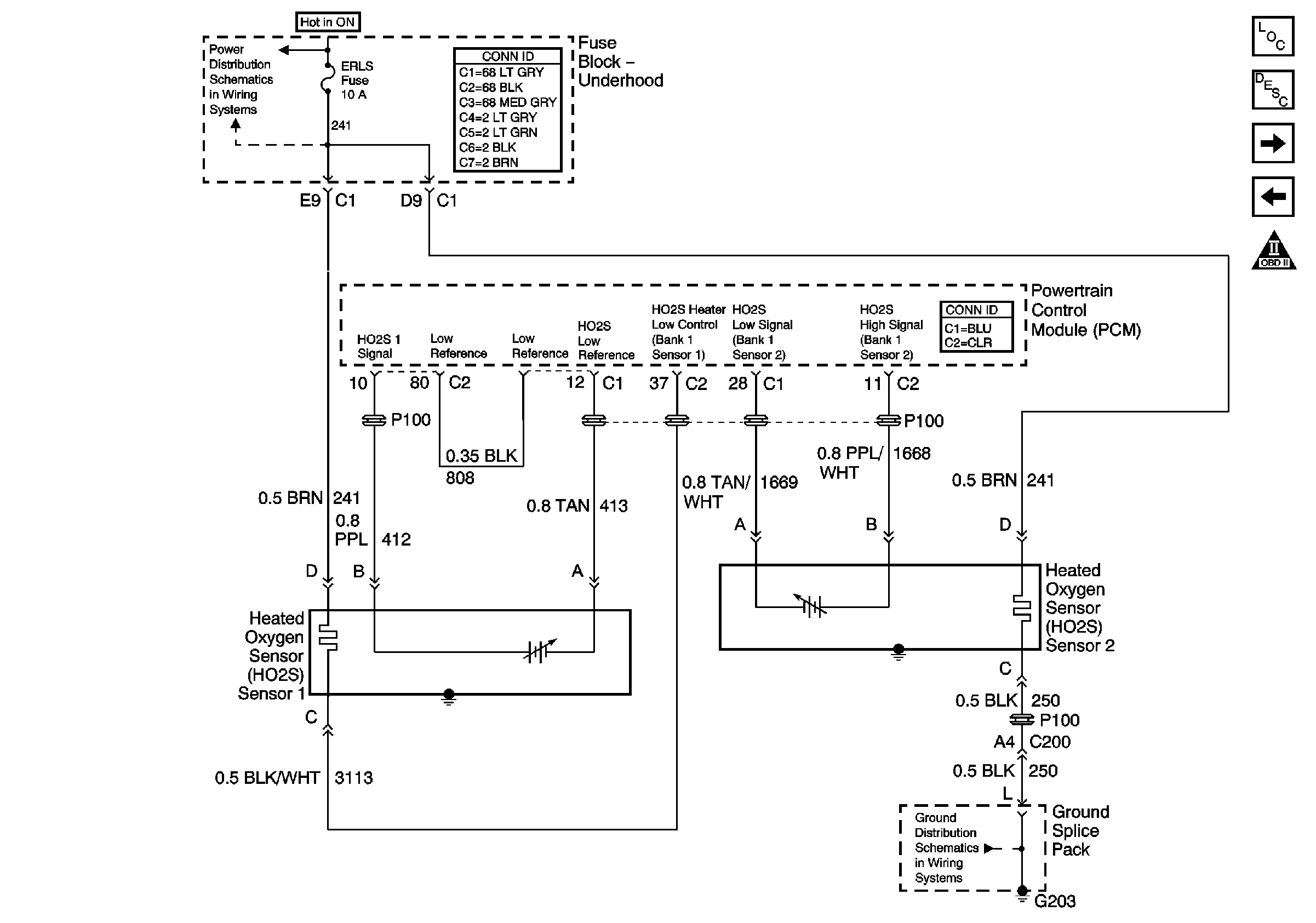
Figure 7:

HO2S 1 and HO2S 2


Object Number: 667548  Size: FS
Master Electrical Component List
Powertrain Control Module Description
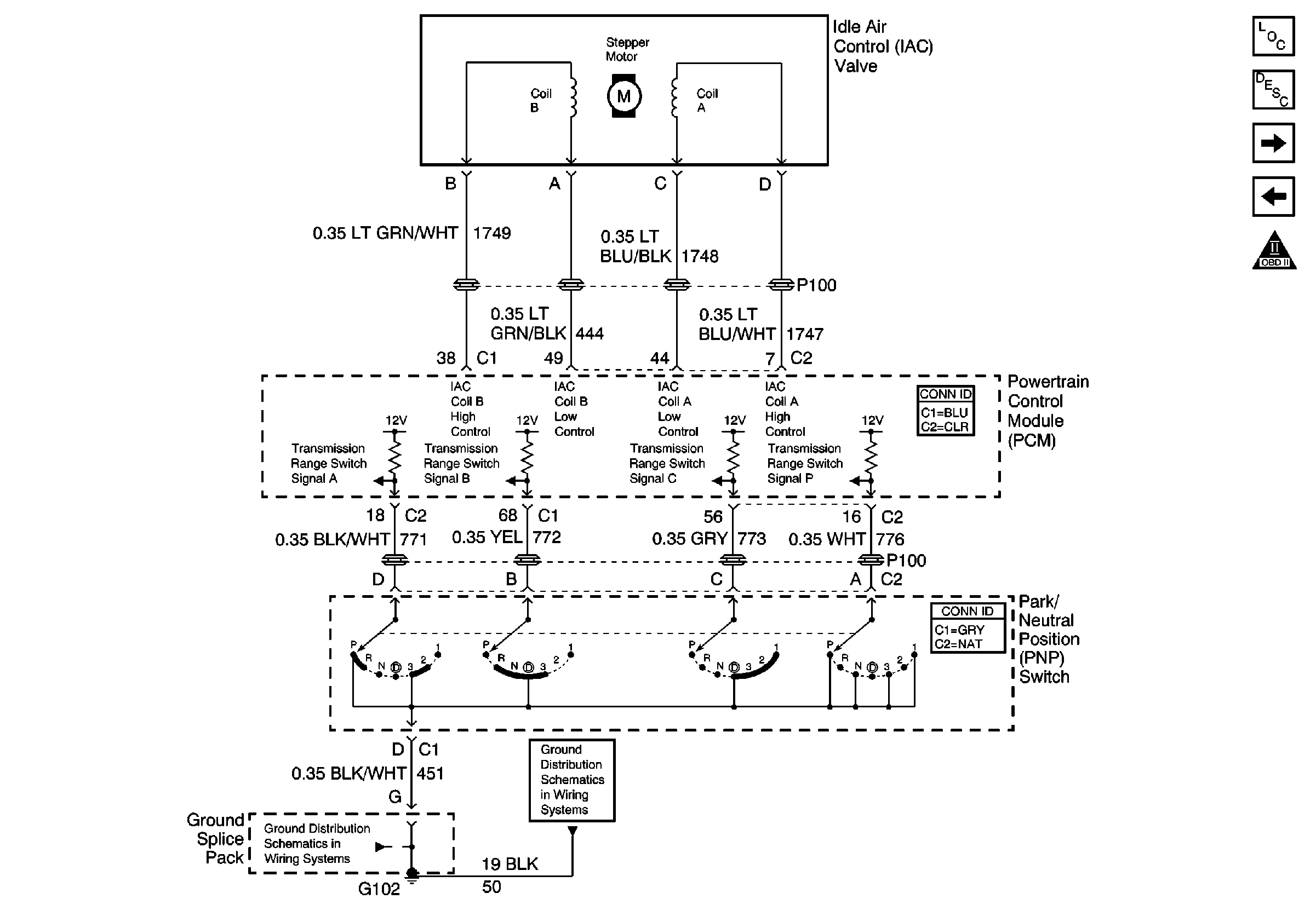
Generator, PNP, Oil, Indicators, and IAC
Power, Ground, MAF, EVAP, and EGR
OBD II Symbol Description Notice
G203
IGN SW-BATT 1, HTR A/C IGN, ERLS, PCM, ACC, IPC/BFC Fuses
Figure 8:

Generator, PNP, Oil, Indicators, and IAC


Object Number: 667552  Size: FS
Master Electrical Component List
Powertrain Control Module Description
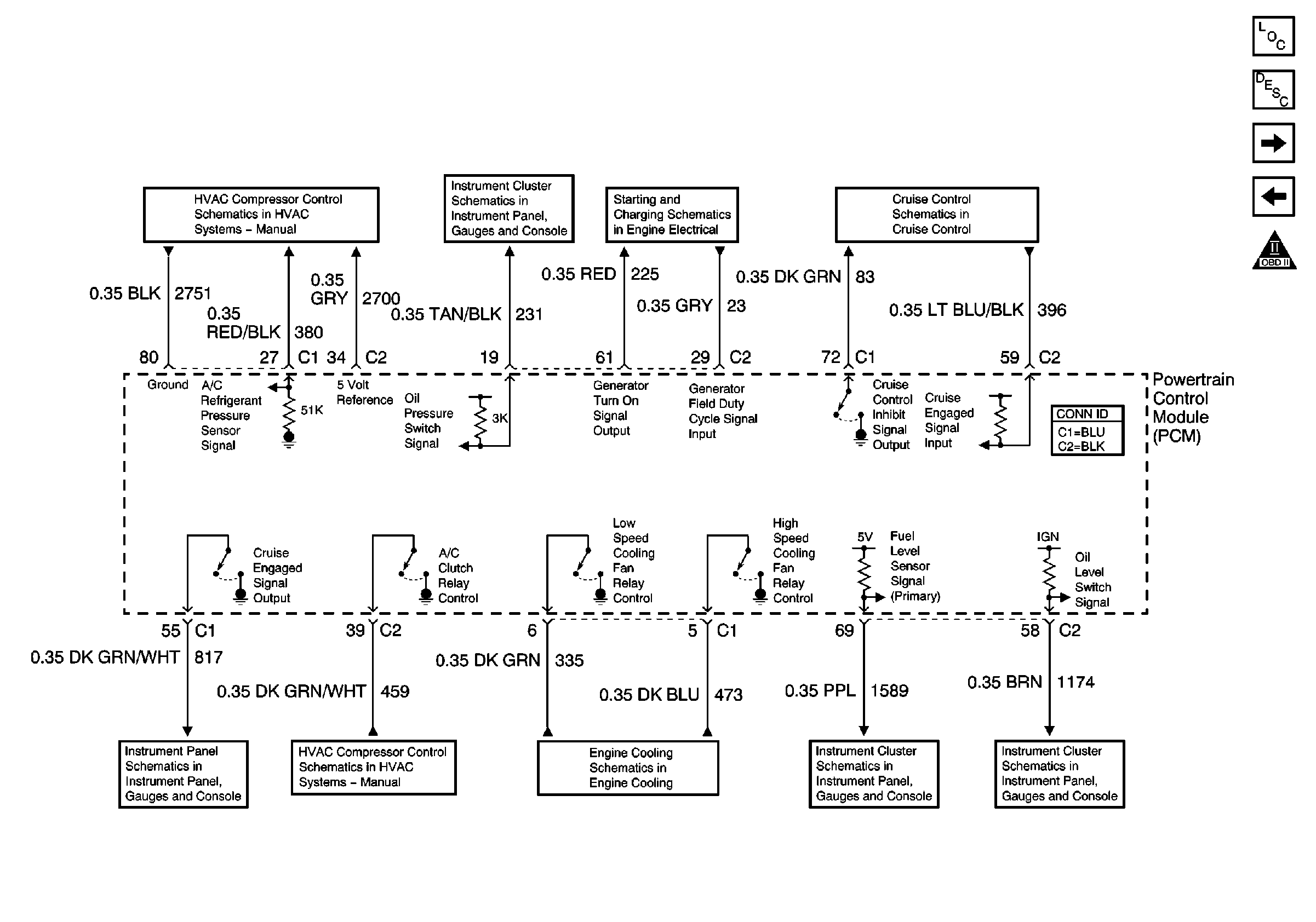
Power, Cruise Control Brake Switch, VSS
HO2S 1 and HO2S 2
OBD II Symbol Description Notice
G102 and G104
G102 and G104
Figure 9:

Power, Cruise Control Brake Switch, VSS


Object Number: 667574  Size: FS
Master Electrical Component List
Powertrain Control Module Description
PCM General References
Generator, PNP, Oil, Indicators, and IAC
OBD II Symbol Description Notice
PWR WNDWS Circuit Breaker, CRUISE SW, Cruise, SUNROOF, HVAC BLOWERFuses
Cruise Control Module
Figure 10:

PCM General References


Object Number: 667581  Size: FS
Master Electrical Component List
Powertrain Control Module Description
Automatic Transmission References
Power, Cruise Control Brake Switch, VSS
OBD II Symbol Description Notice
Fault Indicators
Fault Indicators
Cooling Fan Motor Controls
Compressor Controls
Power, Ground, and DLC
Compressor Controls
Fault Indicators
Charging System
Cruise Control Module
Figure 11:

Automatic Transmission References


Object Number: 667585  Size: FS
Master Electrical Component List
Powertrain Control Module Description
PCM General References
OBD II Symbol Description Notice
Brake Switch, Solenoids and VSS: 4T45-E 3.4L(LA1)
TFP Valve Position Switch, TFT Sensor and A/T ISS Sensor: 4T45-E 3.4L(LA1)