GM Service Manual Online
For 1990-2009 cars only
Figure 1:

Power, Ground, and Antenna


Object Number: 676409  Size: FS
Master Electrical Component List
Radio/Audio System Description and Operation
Front Speakers; UQ2 and UQ8
Amplifier; U85
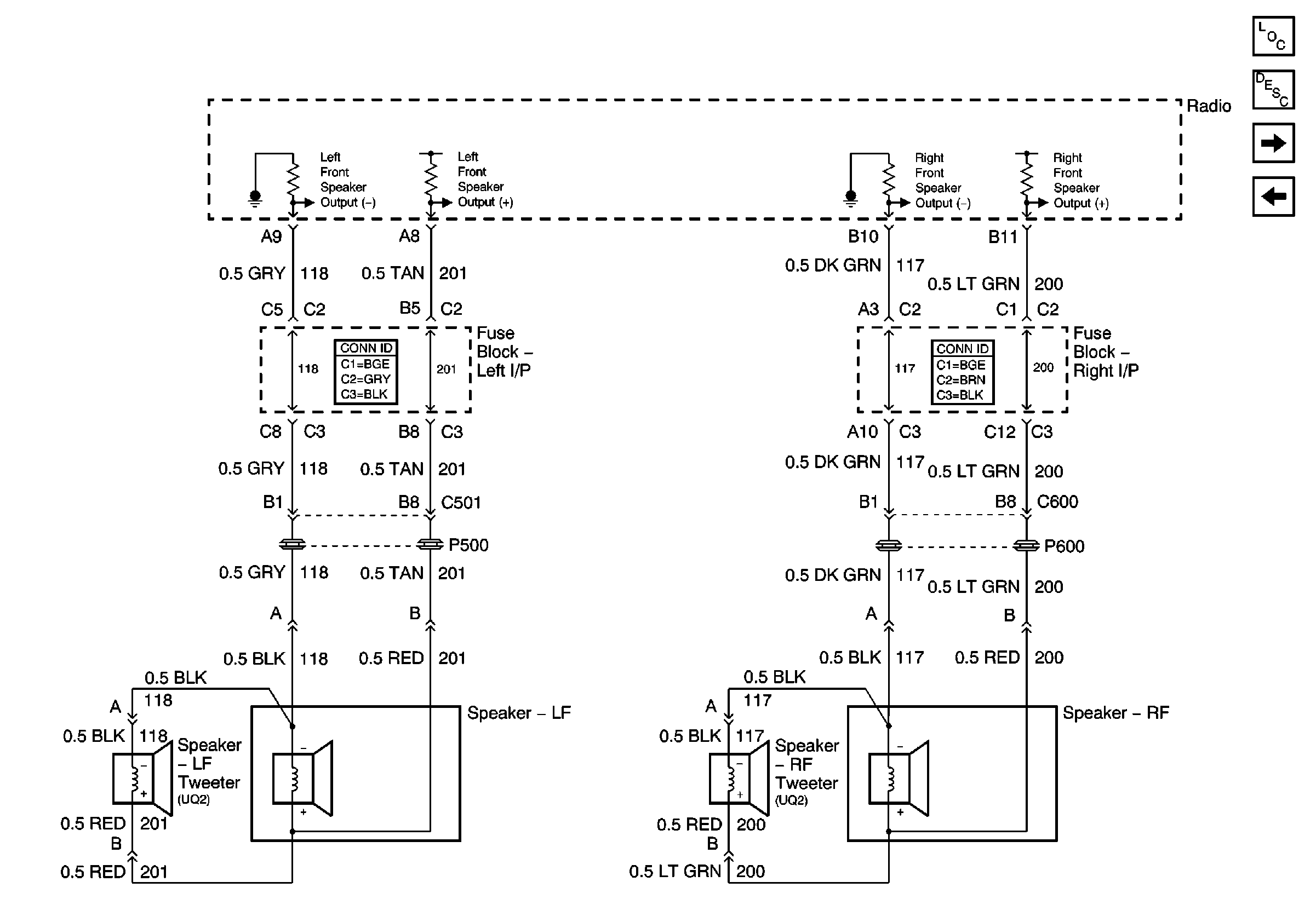
Figure 2:

Front Speakers; UQ2 and UQ8


Object Number: 676413  Size: FS
Master Electrical Component List
Radio/Audio System Description and Operation
Rear Speakers; UQ2 and UQ8
Power, Ground, and Antenna
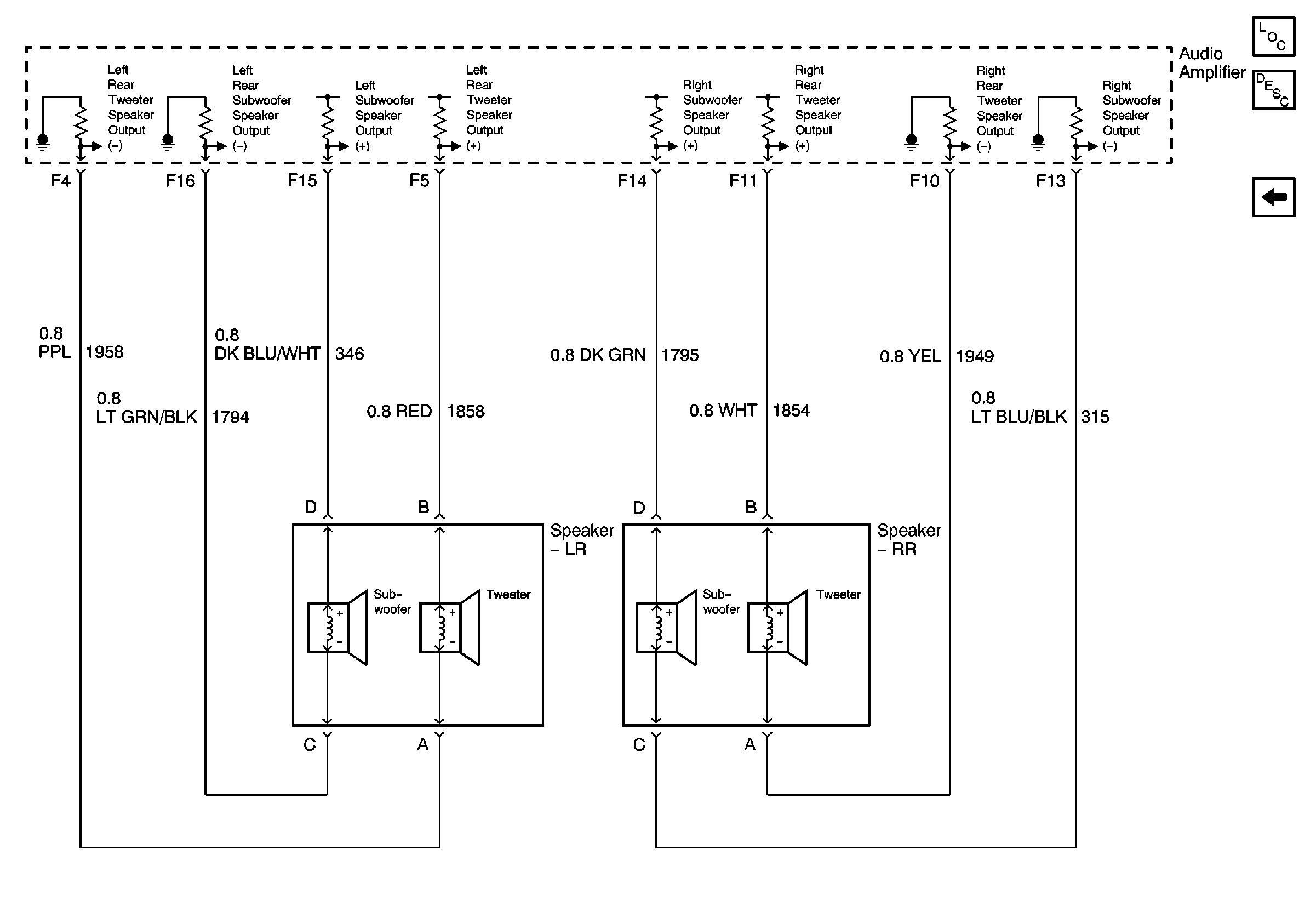
Figure 3:

Rear Speakers; UQ2 and UQ8


Object Number: 676417  Size: FS
Master Electrical Component List
Radio/Audio System Description and Operation
Amplifier; U85
Front Speakers; UQ2 and UQ8
Figure 4:

Amplifier; U85


Object Number: 676423  Size: FS
Master Electrical Component List
Radio/Audio System Description and Operation
Front Speakers; U85
Rear Speakers; UQ2 and UQ8
Power, Ground, and Antenna
G401
LH BEC BATT1, AUX PWR/CIGAR, PARK LPS, PCM BATT, PWR MIRROR, DR LOCK, TRUNK REL/RFA/Radio Amp Fuses, and RWR SEAT Circuit Breaker
Figure 5:

Front Speakers; U85


Object Number: 676427  Size: FS
Master Electrical Component List
Radio/Audio System Description and Operation
Rear Speakers; U85
Amplifier; U85
Figure 6:

Rear Speakers; U85


Object Number: 676430  Size: FS
Master Electrical Component List
Radio/Audio System Description and Operation
Front Speakers; U85