GM Service Manual Online
For 1990-2009 cars only
Figure 1:

Power, Ground, MIL, and DLC


Object Number: 667486  Size: FS
Master Electrical Component List
Powertrain Control Module Description
Power, Ground, KS, CMP, CKP Coils, and ICM
OBD II Symbol Description Notice
Power, Ground, and DLC
Data Link Connector Schematics
Fault Indicators
IGN SW-BATT 1, HTR A/C IGN, ERLS, PCM, ACC, IPC/BFC Fuses
G102 and G104
IGN SW-BATT2, WIPER, AIR BAG, TURN LPS, IGN MOD, BU LMP, PCM IGN, F/PINJR, A/C BFC, AUTO TRANS, ABS, IGN Fuses
LH BEC BATT1, AUX PWR/CIGAR, PARK LPS, PCM BATT, PWR MIRROR, DR LOCK, TRUNK REL/RFA/Radio Amp Fuses, and RWR SEAT Circuit Breaker
G102 and G104
Figure 2:

Power, Ground, KS, CMP, CKP Coils, and ICM


Object Number: 667497  Size: FS
Master Electrical Component List
Powertrain Control Module Description
Power, Ground, and Injectors
Power, Ground, MIL, and DLC
OBD II Symbol Description Notice
G103 and G105
IGN SW-BATT2, WIPER, AIR BAG, TURN LPS, IGN MOD, BU LMP, PCM IGN, F/PINJR, A/C BFC, AUTO TRANS, ABS, IGN Fuses
Figure 3:

Power, Ground, and Injectors


Object Number: 667569  Size: FS
Master Electrical Component List
Powertrain Control Module Description
Engine Data Sensors
Power, Ground, KS, CMP, CKP Coils, and ICM
OBD II Symbol Description Notice
G103 and G105
Compressor Controls
IGN SW-BATT2, WIPER, AIR BAG, TURN LPS, IGN MOD, BU LMP, PCM IGN, F/PINJR, A/C BFC, AUTO TRANS, ABS, IGN Fuses
Figure 4:

Engine Data Sensors


Object Number: 667575  Size: FS
Master Electrical Component List
Powertrain Control Module Description
Power, Ground, EVAP and EGR
Power, Ground, and Injectors
OBD II Symbol Description Notice
Compressor Controls
Fault Indicators
Figure 5:

Power, Ground, EVAP and EGR


Object Number: 667584  Size: FS
Master Electrical Component List
Powertrain Control Module Description
Power, Ground, HO2S2, O2S1
Engine Data Sensors
OBD II Symbol Description Notice
IGN SW-BATT 1, HTR A/C IGN, ERLS, PCM, ACC, IPC/BFC Fuses
IGN SW-BATT 1, HTR A/C IGN, ERLS, PCM, ACC, IPC/BFC Fuses
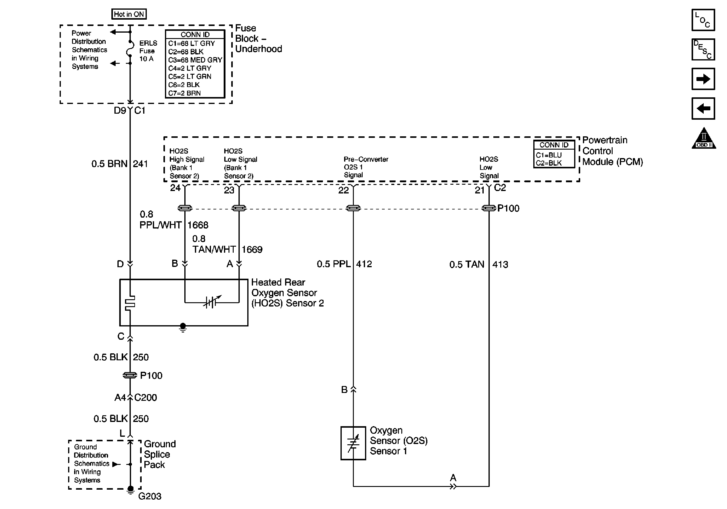
Figure 6:

Power, Ground, HO2S2, O2S1


Object Number: 667588  Size: FS
Master Electrical Component List
Powertrain Control Module Description
Oil Pressure Sensor, IAC, PNP, and Generator
Power, Ground, EVAP and EGR
OBD II Symbol Description Notice
IGN SW-BATT 1, HTR A/C IGN, ERLS, PCM, ACC, IPC/BFC Fuses
G203
Figure 7:

Oil Pressure Sensor, IAC, PNP, and Generator


Object Number: 667592  Size: FS
Master Electrical Component List
Powertrain Control Module Description
Power, Ground, CPP, Cruise Control, Brake Switch
Power, Ground, HO2S2, O2S1
OBD II Symbol Description Notice
G102 and G104
G102 and G104
Figure 8:

Power, Ground, CPP, Cruise Control, Brake Switch


Object Number: 667595  Size: FS
Master Electrical Component List
Powertrain Control Module Description
PCM General References
Oil Pressure Sensor, IAC, PNP, and Generator
OBD II Symbol Description Notice
PWR WNDWS Circuit Breaker, CRUISE SW, Cruise, SUNROOF, HVAC BLOWERFuses
Cruise Control Module
PWR WNDWS Circuit Breaker, CRUISE SW, Cruise, SUNROOF, HVAC BLOWERFuses
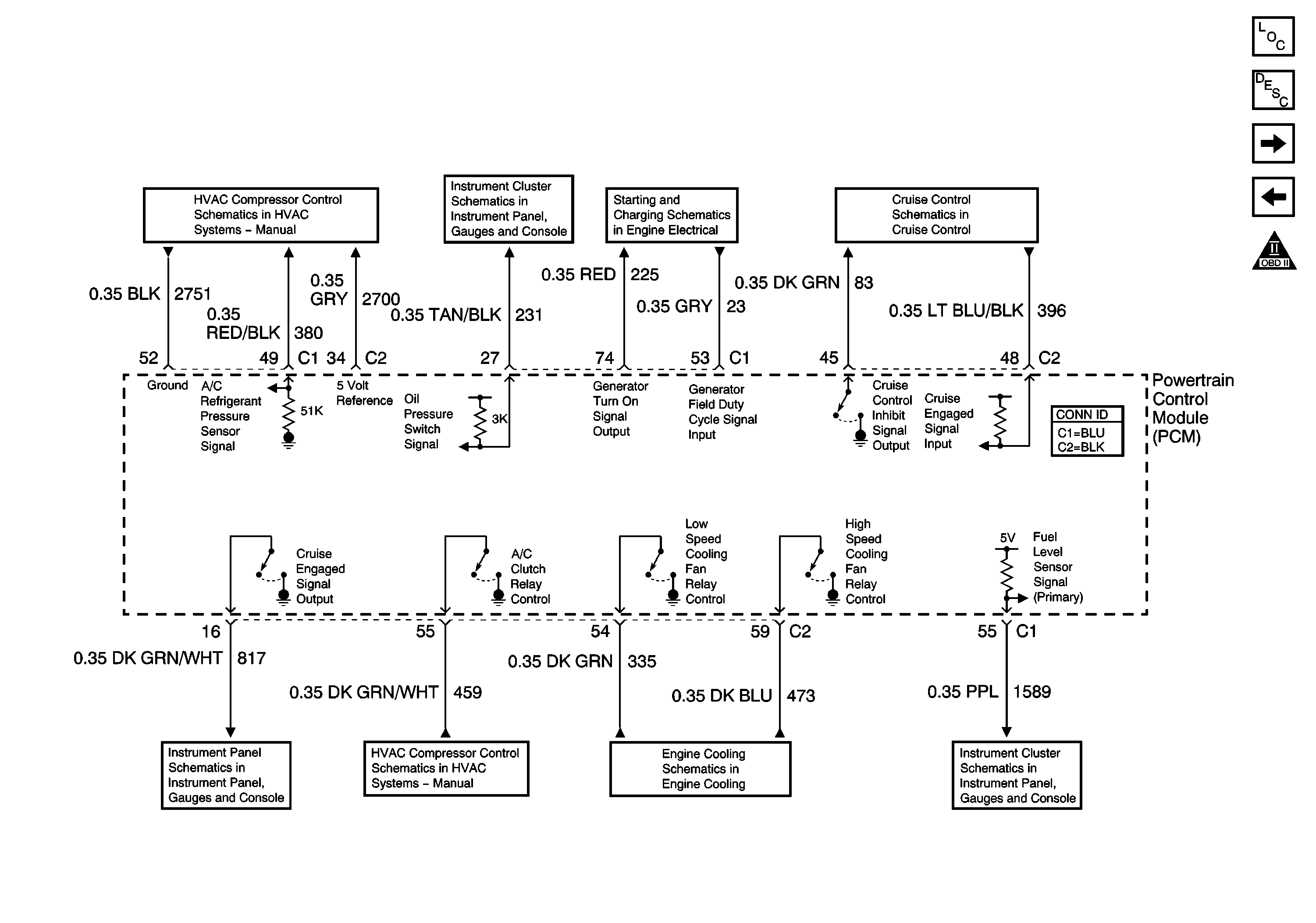
Figure 9:

PCM General References


Object Number: 667606  Size: FS
Master Electrical Component List
Powertrain Control Module Description
PCM Automatic Transmission References
Power, Ground, CPP, Cruise Control, Brake Switch
OBD II Symbol Description Notice
Fault Indicators
Cruise Control Module
Charging System
Cooling Fan Motor Controls
Fault Indicators
Compressor Controls
Compressor Controls
Power, Ground, and DLC
Figure 10:

PCM Automatic Transmission References


Object Number: 667601  Size: FS
Master Electrical Component List
Powertrain Control Module Description
PCM General References
OBD II Symbol Description Notice
TFP Valve Position Switch, TFT Sensor and A/T ISS Sensor: 4T40-E (LD9)
TFP Valve Position Switch, TFT Sensor and A/T ISS Sensor: 4T40-E (LD9)
Brake Switch and Solenoids, 4T40 - E (LD9)