GM Service Manual Online
For 1990-2009 cars only
Makes
🢒
Chevrolet
🢒
2001
🢒
Alero Export
🢒
Body and Accessories
🢒
Theft Deterrent
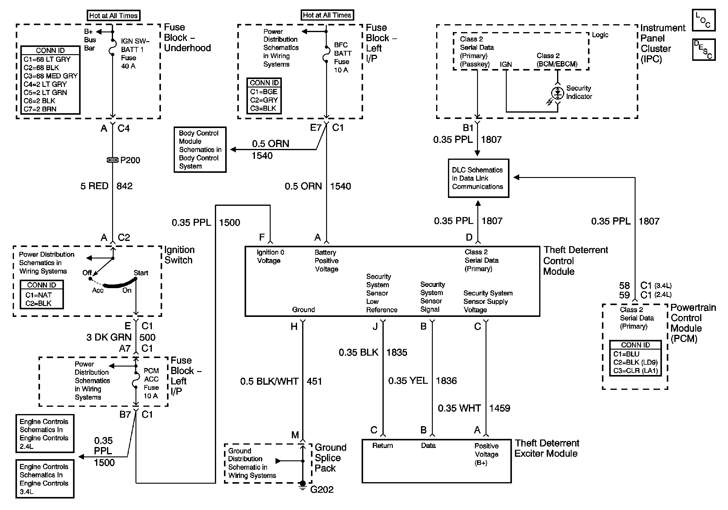
🢒 Theft Deterrent System Schematics
RH HDLP, LH HDLP, GEN BATT, LH BEC BATT 2, STOP LPS, HAZARD LPS, IPC/HVACBATT, BFC BATT Fuses
Power, Ground, and References
IGN SW-BATT 1, HTR A/C IGN, ERLS, PCM, ACC, IPC/BFC Fuses
IGN SW-BATT 1, HTR A/C IGN, ERLS, PCM, ACC, IPC/BFC Fuses
Power, Ground, MIL, and DLC
Power, Ground, MIL and DLC
G202
Data LInk Communications
Master Electrical Component List
Vehicle Theft Deterrent (VTD) Description and Operation