GM Service Manual Online
For 1990-2009 cars only
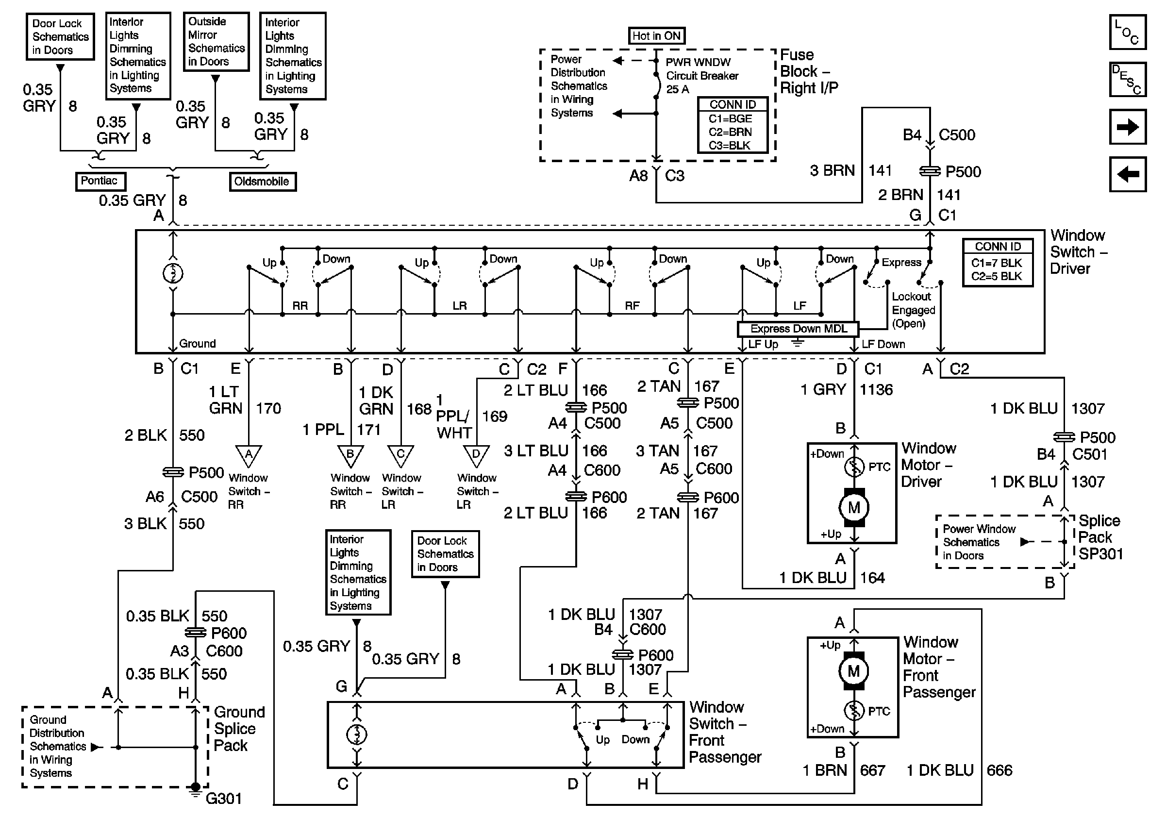
Figure 1:

Coupe


Object Number: 673035  Size: FS
Master Electrical Component List
Power Windows Description and Operation
Front Windows (Sedan)
PWR WNDWS Circuit Breaker, CRUISE SW, Cruise, SUNROOF, HVAC BLOWERFuses
Cell 46a: Park Brake Schematic
Pontiac Door Switches
Pontiac Door Switches
Oldsmobile
Pontiac Door Switches
Door Lock Switches
G301
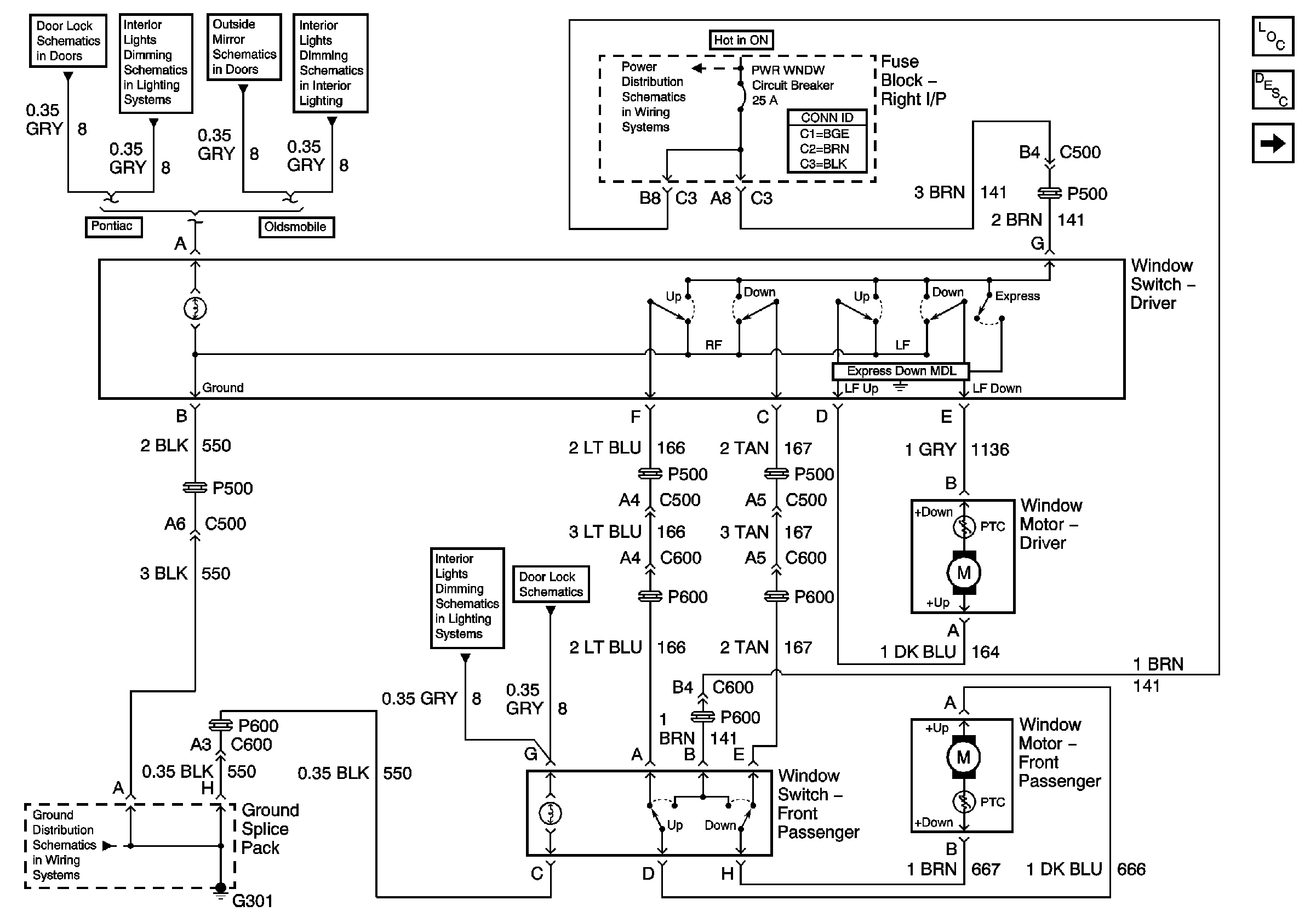
Figure 2:

Front Windows (Sedan)


Object Number: 673038  Size: FS
Master Electrical Component List
Power Windows Description and Operation
Rear Windows (Sedan)
Coupe
PWR WNDWS Circuit Breaker, CRUISE SW, Cruise, SUNROOF, HVAC BLOWERFuses
Rear Windows (Sedan)
Door Lock Switches
Rear Windows (Sedan)
Rear Windows (Sedan)
Pontiac Door Switches
Rear Windows (Sedan)
G301
Pontiac Door Switches
Oldsmobile
Pontiac Door Switches
Door Lock Switches
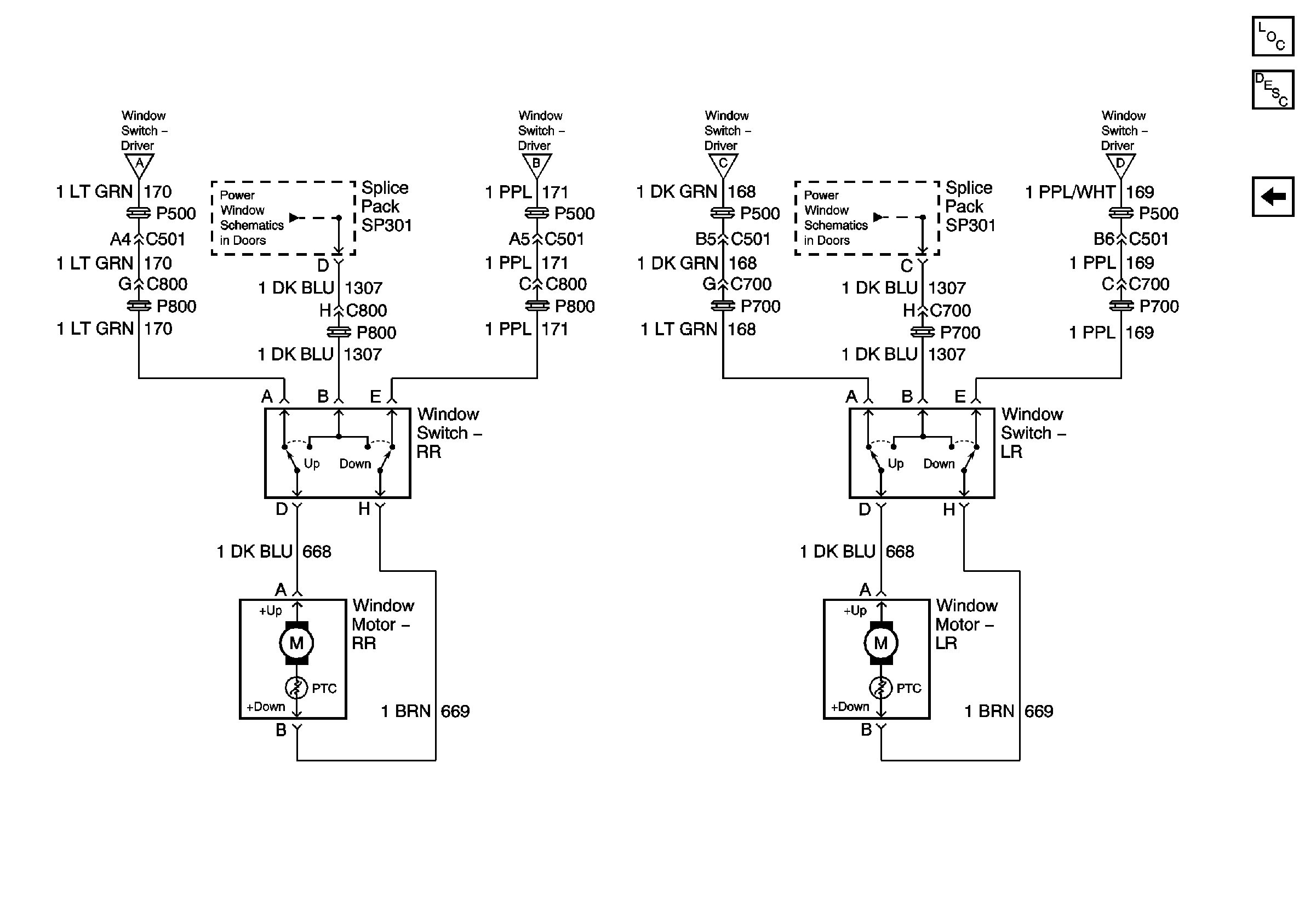
Figure 3:

Rear Windows (Sedan)


Object Number: 673042  Size: FS
Master Electrical Component List
Power Windows Description and Operation
Front Windows (Sedan)
Front Windows (Sedan)
Front Windows (Sedan)
Front Windows (Sedan)
Front Windows (Sedan)
Front Windows (Sedan)
Front Windows (Sedan)