GM Service Manual Online
For 1990-2009 cars only
Makes
🢒
Chevrolet
🢒
1998
🢒
Astro - 2WD
🢒
HVAC
🢒
Heating, Ventilation and Air Conditioning
🢒 Heater Blower Controls Schematics
Figure
1:
Cell 60 Front Heater
Heater Blower Controls Components
Heater Blower Controls Circuit Description
Heater Blower Controls Schematic Icons
HTR-A/C, BRAKE, CRUISE Fuses
B+ Bus, Ignition Switch, Run Bus
HTR-A/C, BRAKE, CRUISE Fuses
Cell 14 (G200)
Cell 14 (G102, G103, G100)
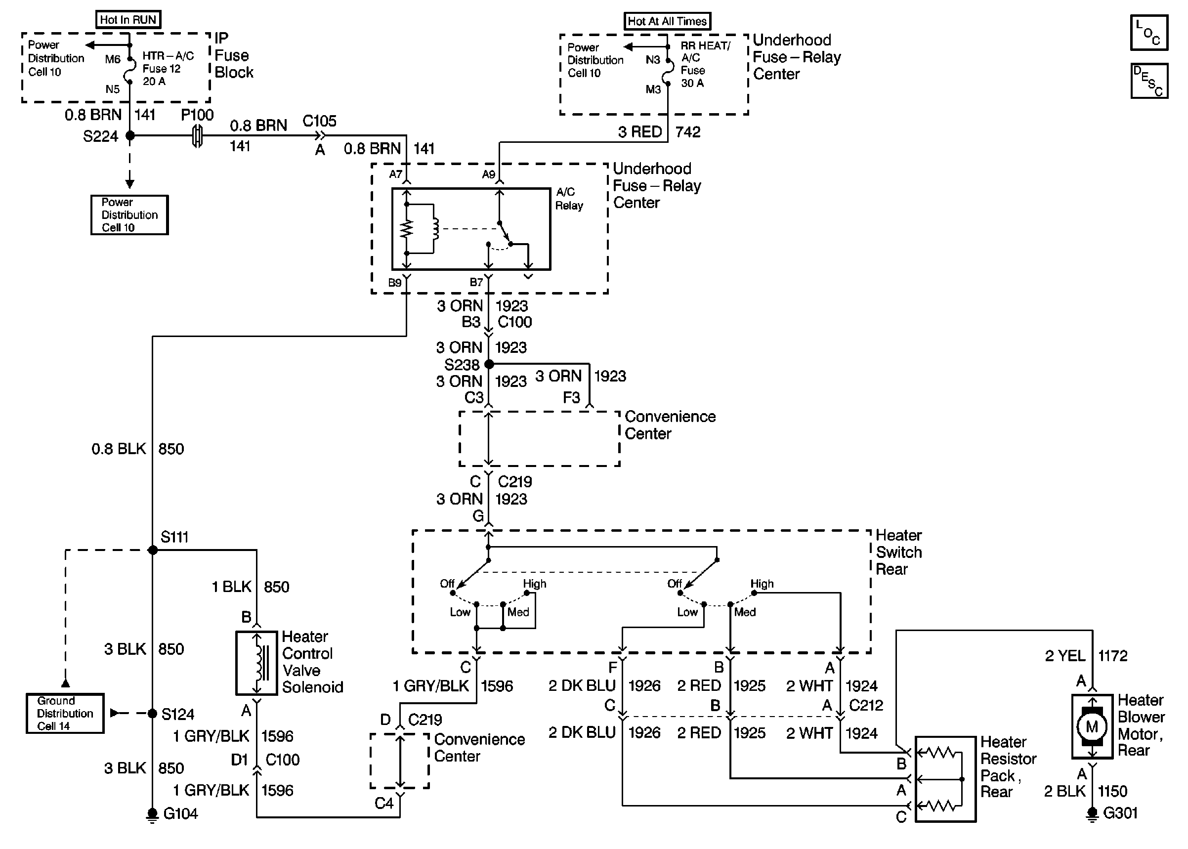
Figure
2:
Cell 60 Rear Heater
Power Distribution Schematics
Power Distribution Schematics
Power Distribution Schematics
Ground Distribution Schematics
Heater Blower Controls Components
Heater Blower Controls Circuit Description