GM Service Manual Online
For 1990-2009 cars only
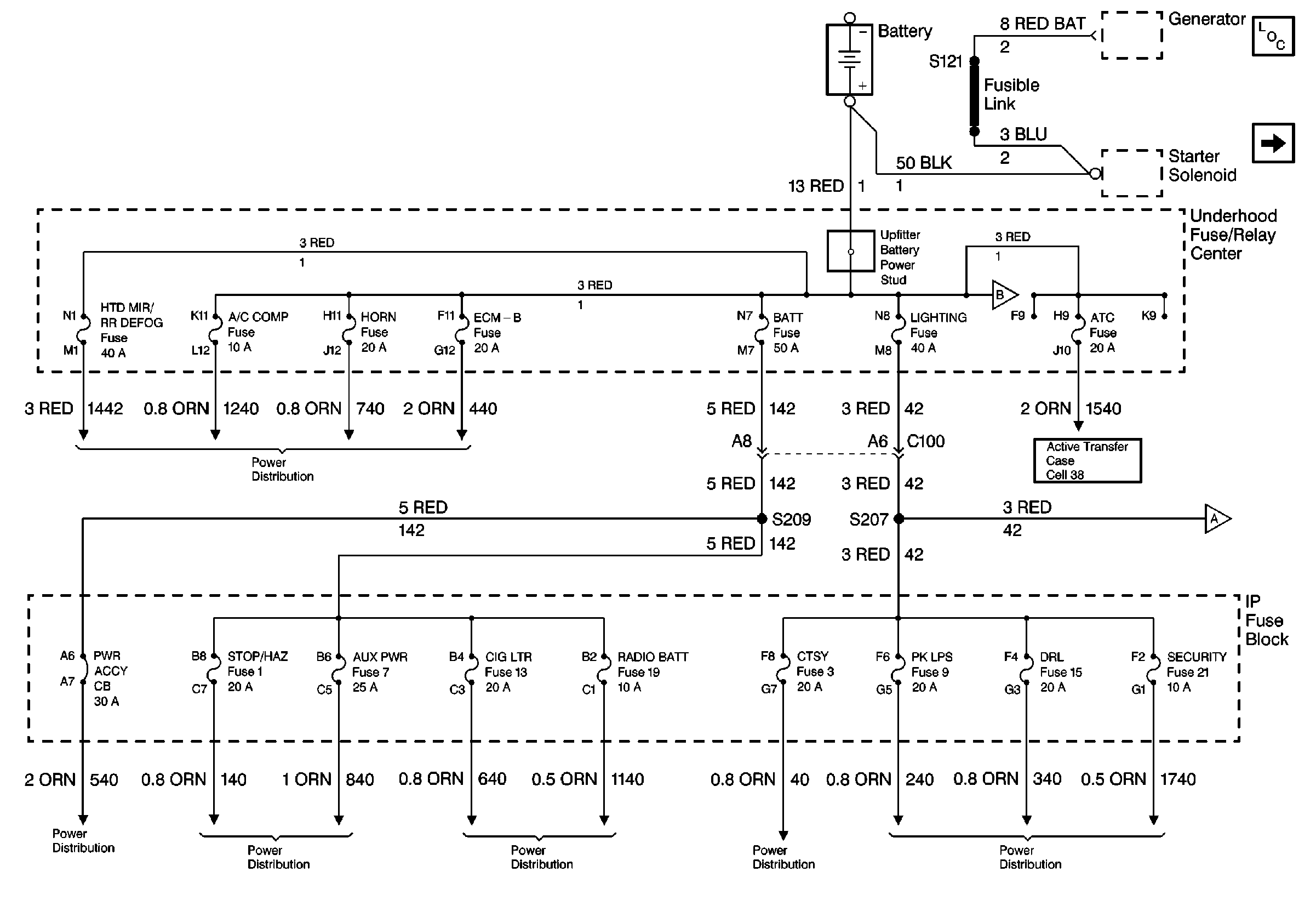
Figure 1:

Cell 10 (Starter Solenoid, IP Fuse Block)


Object Number: 493584  Size: FS
Power Distribution Schematics
Power Distribution Schematics
Power Distribution Schematics
Power Distribution Schematics
Power Distribution Schematics
Power Distribution Schematics
Power and Grounding Components
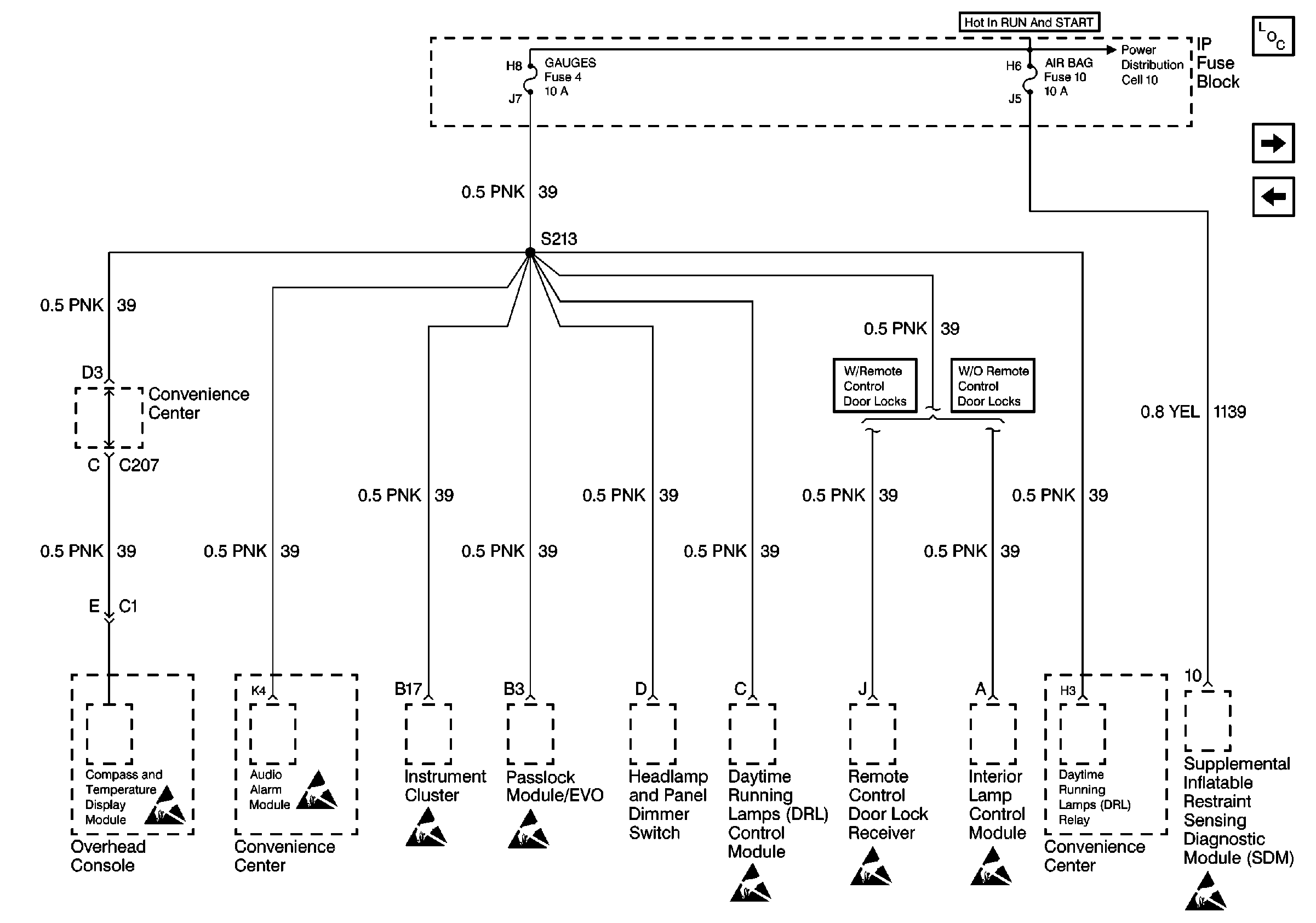
Cell 10 (Underhood Fuse Relay, Headlamp and Panel Dimmer Switch, Convenience Center)
Cell 10 (Ignition Switch, IP Fuse Block)
Cell 10 (Ignition Switch, IP Fuse Block)
Figure 2:

Cell 10 (Underhood Fuse Relay, Headlamp and Panel Dimmer Switch, Convenience Center)


Object Number: 493585  Size: FS
Power and Grounding Components
Cell 10 (Ignition Switch, IP Fuse Block)
Cell 10 (Starter Solenoid, IP Fuse Block)
Power Distribution Schematics
Handling ESD Sensitive Parts Notice
Handling ESD Sensitive Parts Notice
Handling ESD Sensitive Parts Notice
Handling ESD Sensitive Parts Notice
Handling ESD Sensitive Parts Notice
Handling ESD Sensitive Parts Notice
Handling ESD Sensitive Parts Notice
Handling ESD Sensitive Parts Notice
Figure 3:

Cell 10 (Ignition Switch, IP Fuse Block)


Object Number: 365305  Size: FS
Power and Grounding Components
Cell 10 (Daytime Running Lamp Module, A/C Compressor Clutch)
Cell 10 (Underhood Fuse Relay, Headlamp and Panel Dimmer Switch, Convenience Center)
Power Distribution Schematics
Power Distribution Schematics
Cell 10 (Daytime Running Lamp Module, A/C Compressor Clutch)
Cell 10 (Daytime Running Lamp Module, A/C Compressor Clutch)
Starting and Charging Schematics
Cell 10 (Starter Solenoid, IP Fuse Block)
Cell 10 (Starter Solenoid, IP Fuse Block)
Figure 4:

Cell 10 (Daytime Running Lamp Module, A/C Compressor Clutch)


Object Number: 365308  Size: FS
Cell 10 (Ignition Switch, IP Fuse Block)
Cell 10 (Ignition Switch, IP Fuse Block)
Power Distribution Schematics
Power Distribution Schematics
Power Distribution Schematics
Power Distribution Schematics
Ground Distribution Schematics
Power and Grounding Components
Cell 10 (Ignition Switch, IP Fuse Block)