GM Service Manual Online
For 1990-2009 cars only
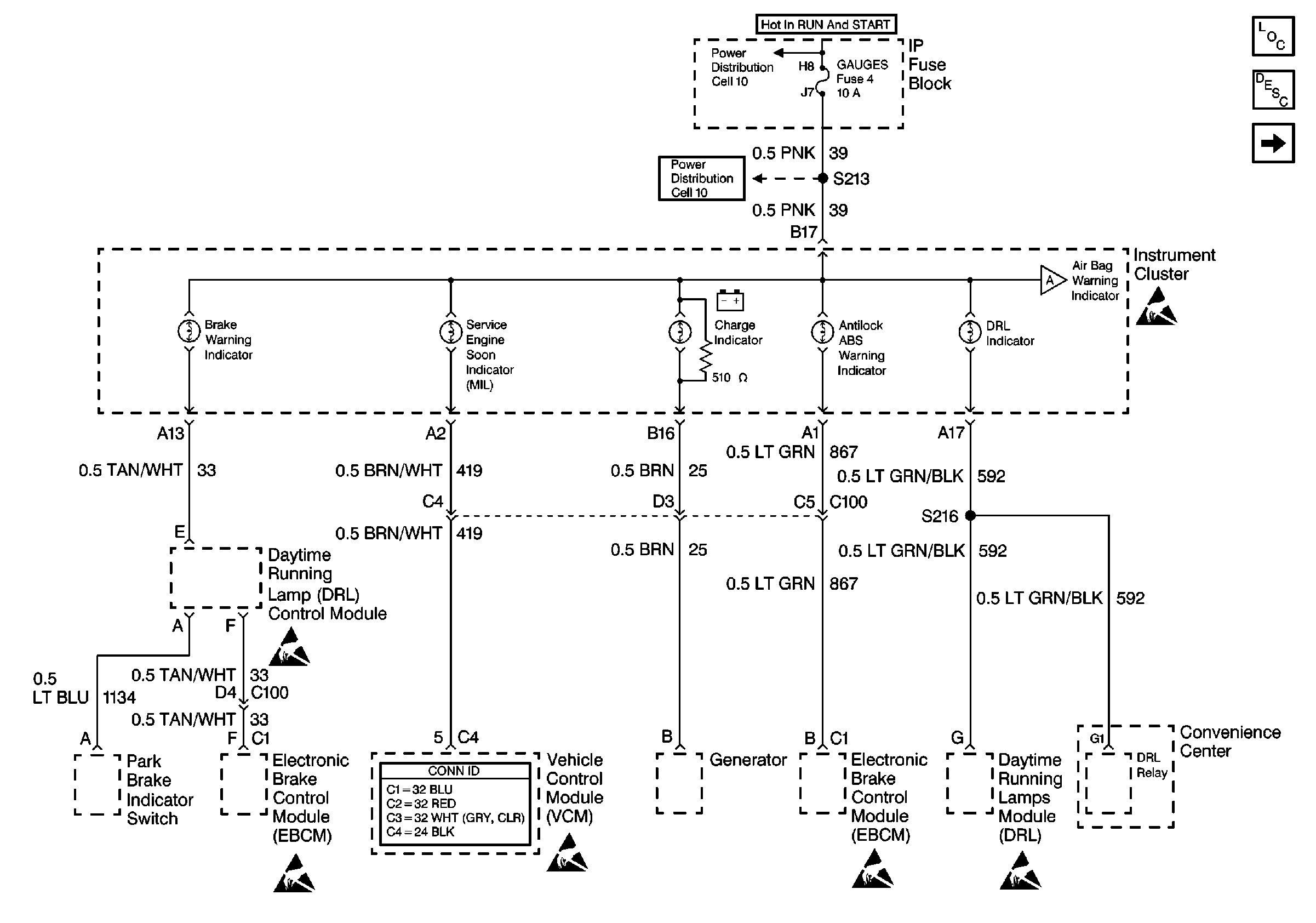
Figure 1:

Cell 81 (IP Fuse Block, Daytime Running Lamp Module, Park Brake Warning Switch, Convenience Center)


Object Number: 299751  Size: FS
Instrument Cluster Components
Instrument Cluster Circuit Description
Cell 81 (Instrument Cluster, Inflatable Restraint Sensing Diatnostic Module, Passlock Module)
GAUGES, AIR BAG Fuses
GAUGES, AIR BAG Fuses
Cell 81 (Instrument Cluster, Inflatable Restraint Sensing Diatnostic Module, Passlock Module)
Handling ESD Sensitive Parts Notice
Handling ESD Sensitive Parts Notice
Handling ESD Sensitive Parts Notice
Handling ESD Sensitive Parts Notice
Handling ESD Sensitive Parts Notice
Handling ESD Sensitive Parts Notice
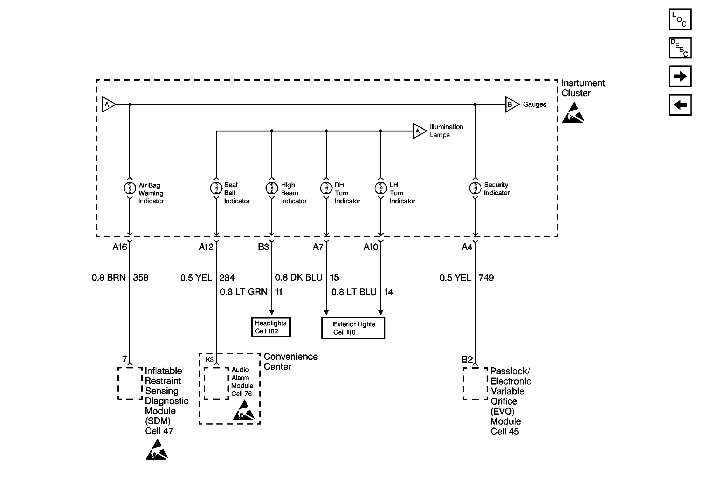
Figure 2:

Cell 81 (Instrument Cluster, Inflatable Restraint Sensing Diatnostic Module, Passlock/Electronic Variable Orifiec Module)


Object Number: 299752  Size: FS
Instrument Cluster Components
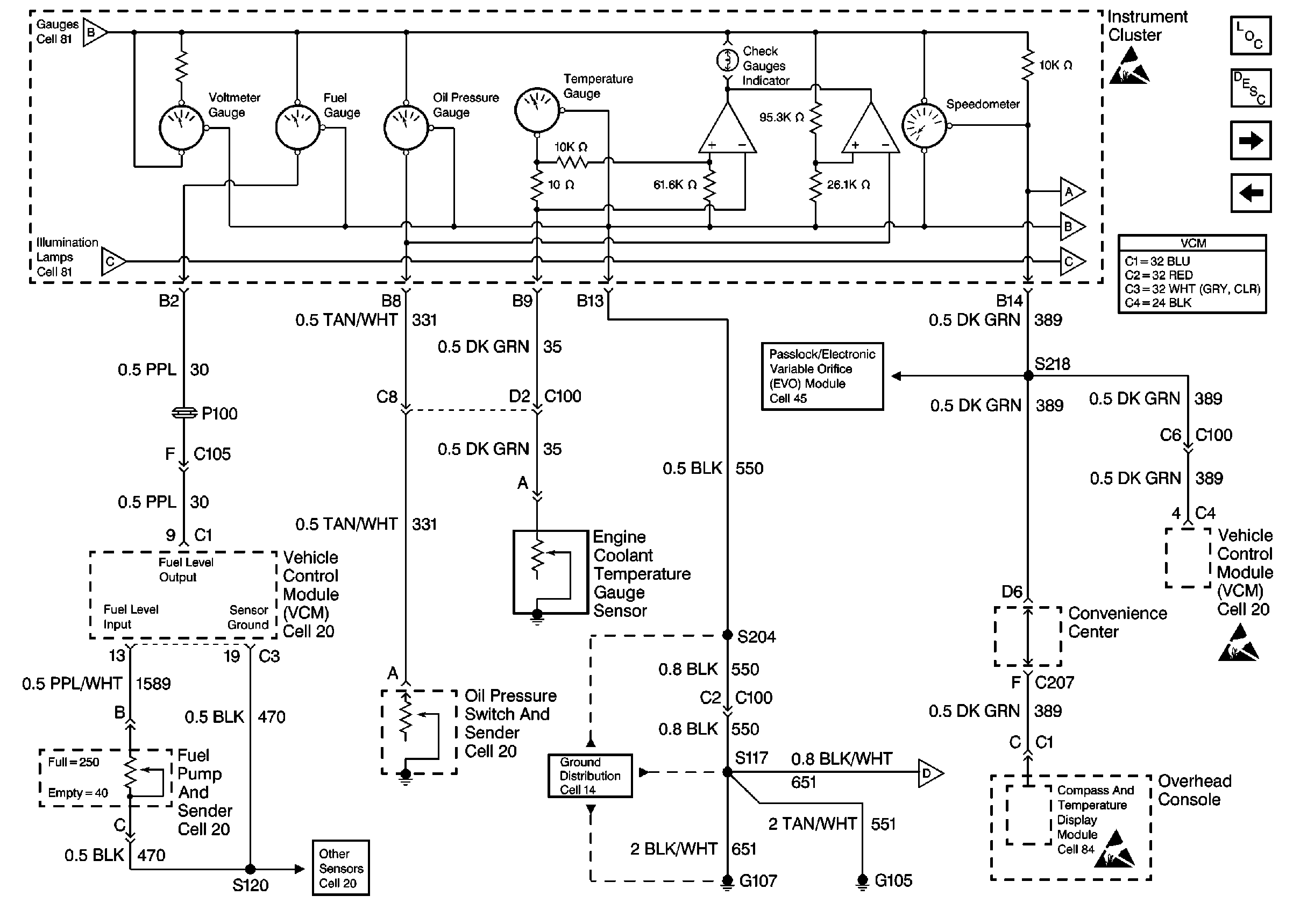
Cell 81 (Instrument Cluster, Vehicle Control Module, Fuel Pump And Sender, Overhead Console)
Cell 81 (IP Fuse Block, Daytime Running Lamp Module, Park Brake Warning SwiTch, Convenience Center)
Handling ESD Sensitive Parts Notice
Exterior Lights Schematics
Headlights/Daytime Running Lights (DRL) Schematics
Handling ESD Sensitive Parts Notice
Handling ESD Sensitive Parts Notice
Figure 3:

Cell 81 (Instrument Cluster, Vehicle Control Module, Fuel Pump and Sender, Overhead Console)


Object Number: 299753  Size: FS
Instrument Cluster Components
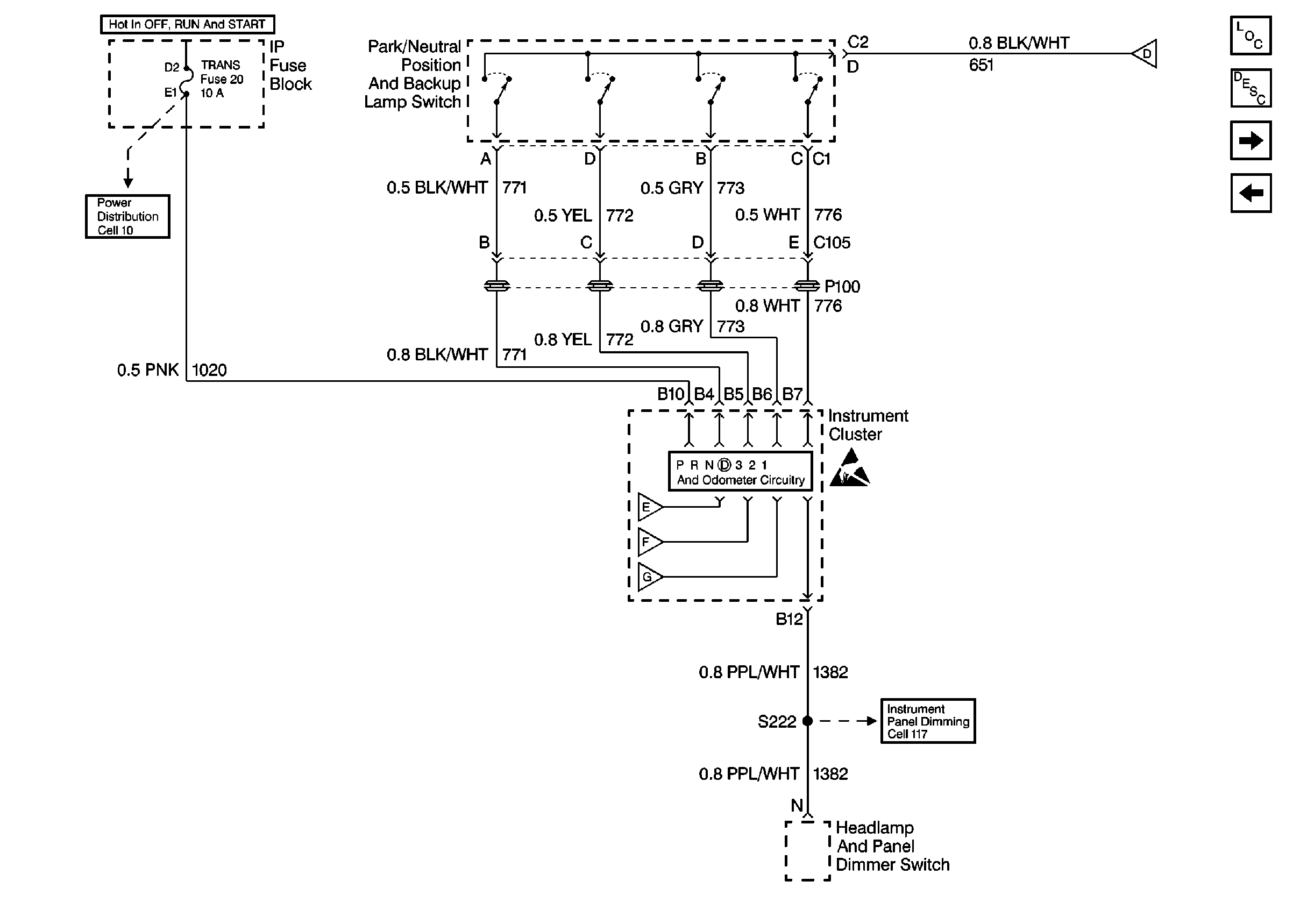
Cell 81 (IP Fuse Block, Park/Neutral Position and Backup Lamp Switch, HeaDlamp and Panel Dimmer Switch)
Cell 81 (Instrument Cluster, Inflatable Restraint Sensing Diatnostic Module, Passlock/Electronic Variable Orifiec Module)
Handling ESD Sensitive Parts Notice
Handling ESD Sensitive Parts Notice
Ground Distribution Schematics
Handling ESD Sensitive Parts Notice
Figure 4:

Cell 81 (IP Fuse Block, Park/Neutral Position and Backup Lamp Switch, Headlamp and Panel Dimmer Switch)


Object Number: 299754  Size: FS
Instrument Cluster Components
Instrument Cluster Circuit Description
Cell 81 (IP Fuse Block, Instrument Cluster)
Cell 81 (Instrument Cluster, Vehicle Control Module, Fuel Pump and Sender, Overhead Console)
TURN-B/U, TRANS Fuses, and WINDOWS Circuit Breaker
Cell 84 Electronic Compass with Temperature Display
Handling ESD Sensitive Parts Notice
Cell 81 (Instrument Cluster, Vehicle Control Module, Fuel Pump and Sender, Overhead Console)
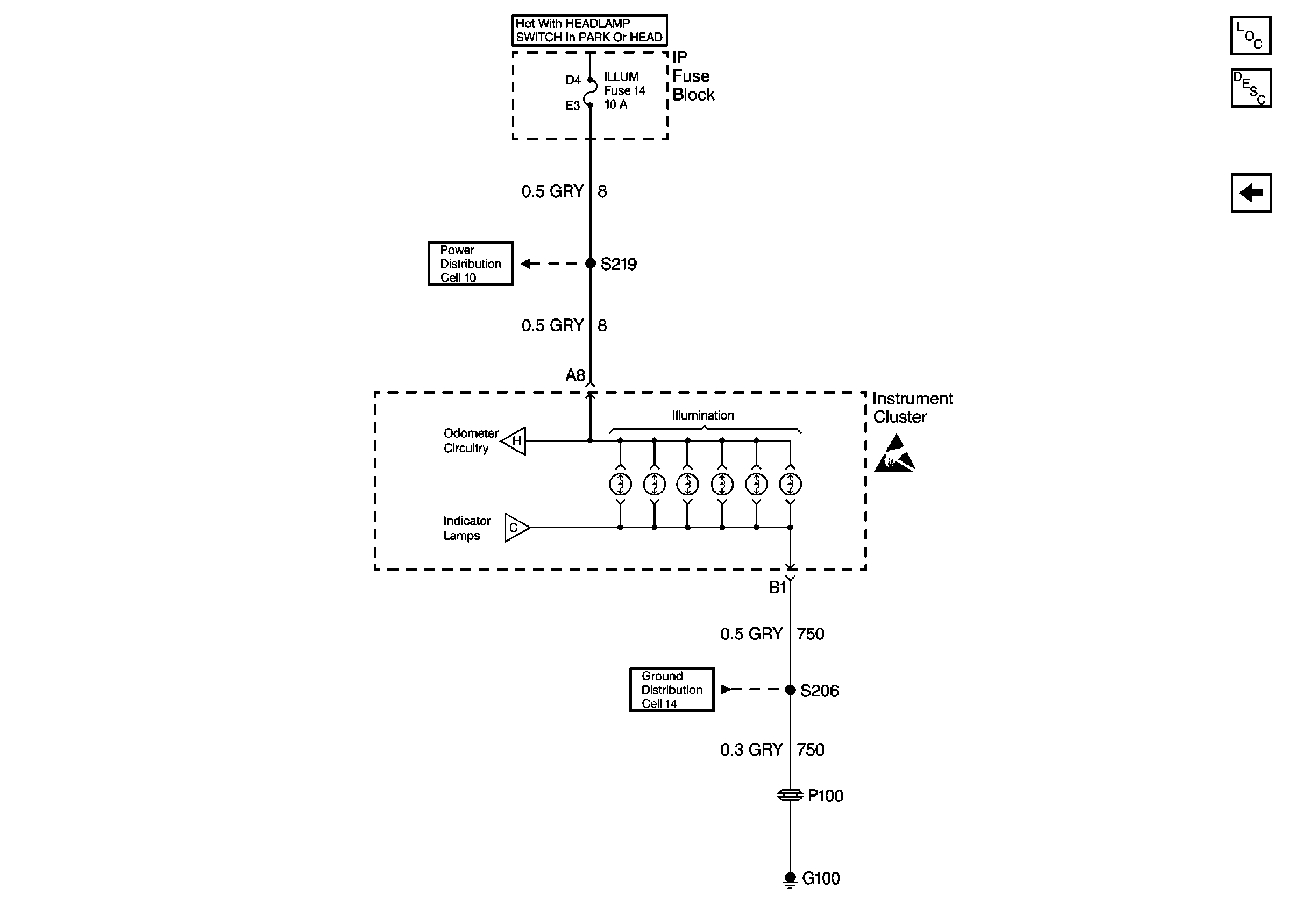
Figure 5:

Cell 81 (IP Fuse Block, Instrument Cluster)


Object Number: 299755  Size: FS
Instrument Cluster Components
Cell 81 (Instrument Cluster, Vehicle Control Module, Fuel Pump And Sender, Overhead Console)
Fuse Block Schematics
Handling ESD Sensitive Parts Notice
Ground Distribution Schematics