GM Service Manual Online
For 1990-2009 cars only
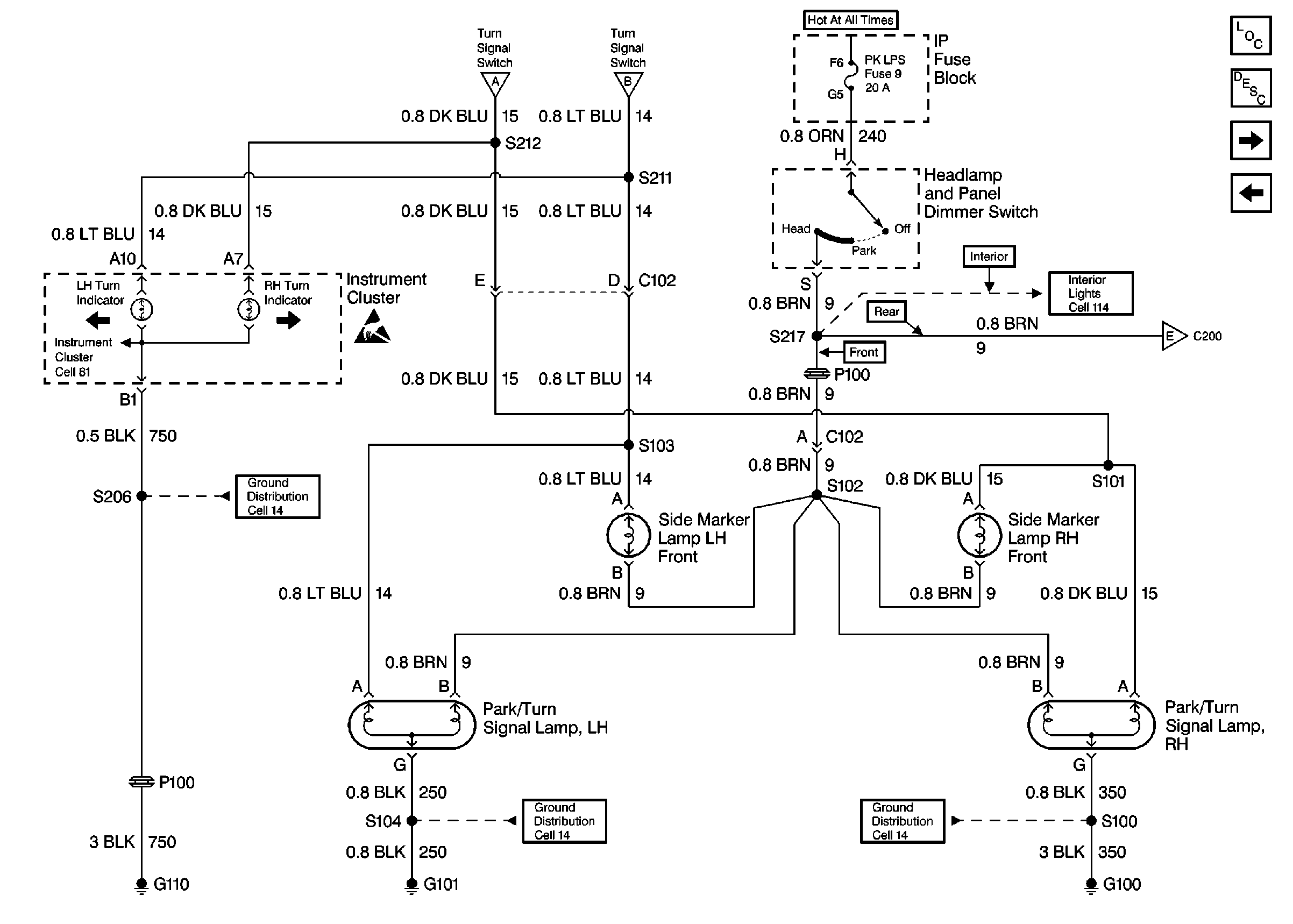
Figure 1:

Cell 110 Exterior Lights


Object Number: 299855  Size: FS
Entertainment Components
Radio/Audio System Circuit Description
Cell 110 Front Turn and Hazard Lamps
Backup Lamp Schematics
Ground Distribution Schematics
Ground Distribution Schematics
Cruise Control Schematics
Audible Warnings Schematic References
Power Distribution Schematics
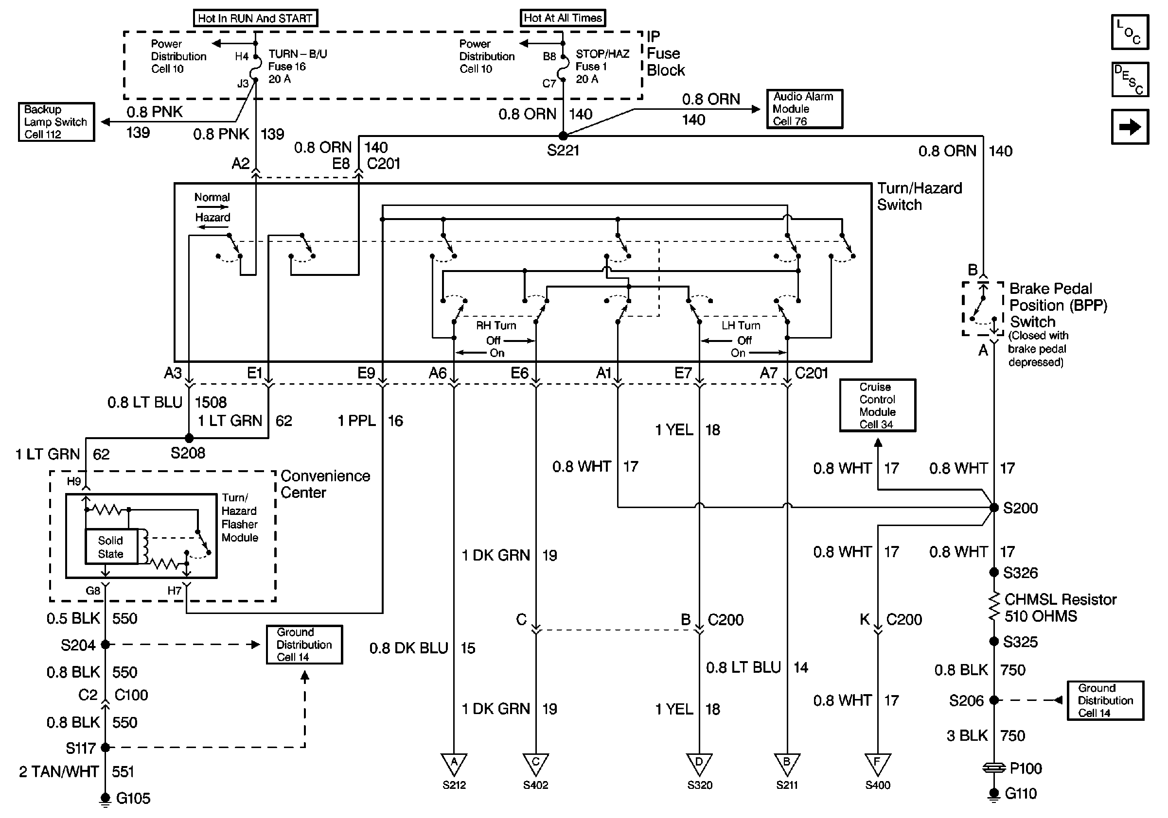
Figure 2:

Cell 110 Front Turn and Hazard Lamps


Object Number: 299857  Size: FS
Entertainment Components
Radio/Audio System Circuit Description
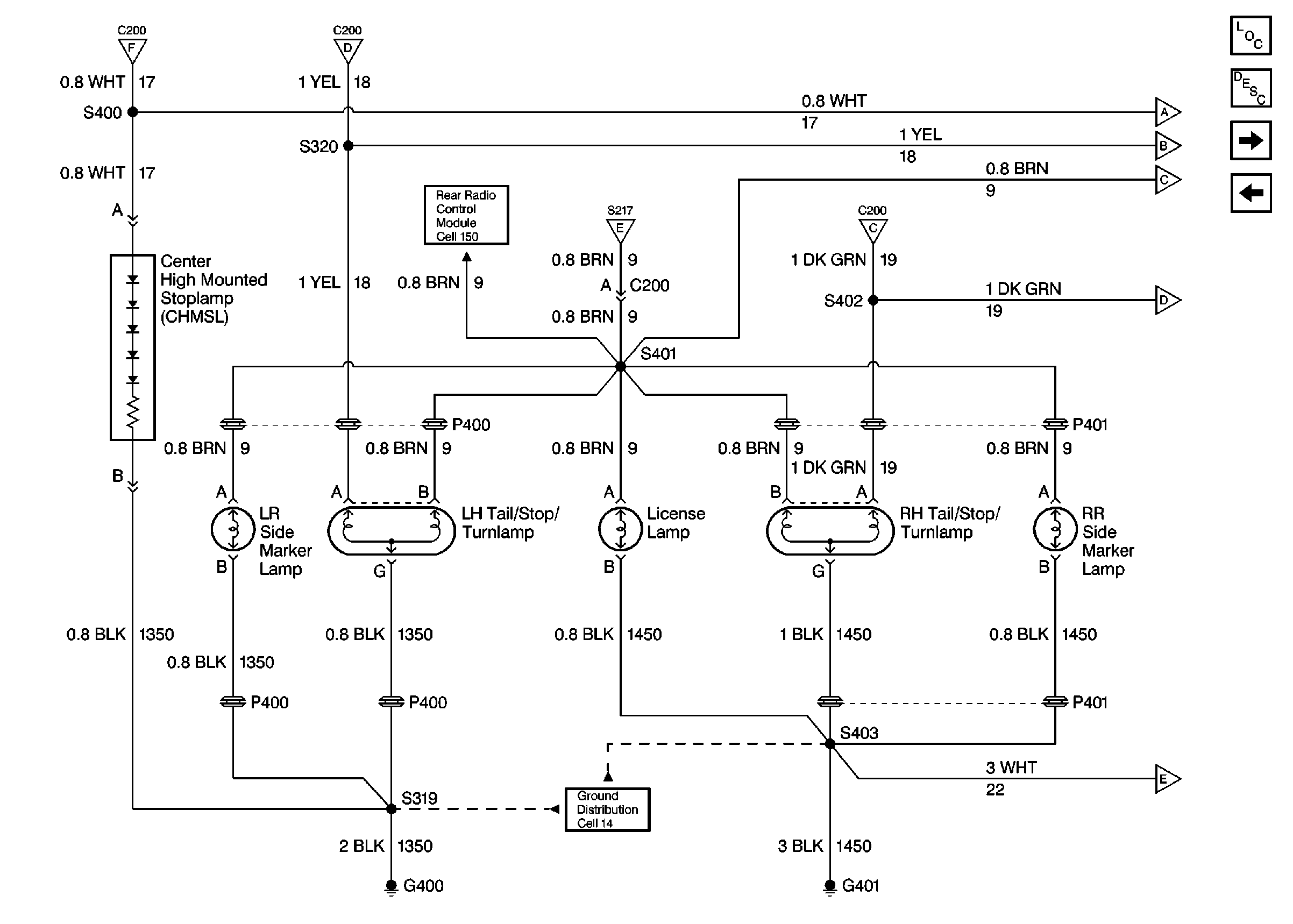
Cell 110 Rear Turn, Hazard and Trailer Tow (Center High Mounted Stop Lamp, LH Tail/Stop/Turn Lamp, RR Side Marker Lamp)
Cell 110 Exterior Lights
Handling ESD Sensitive Parts Notice
Ground Distribution Schematics
Ground Distribution Schematics
Ground Distribution Schematics
Interior Lights Schematics
Instrument Cluster: Analog Schematics
Figure 3:

Cell 110 Rear Turn, Hazard and Trailer Tow (Center High Mounted Stop Lamp, LH Tail/Stop/Turn Lamp, RR Side Marker Lamp)


Object Number: 299859  Size: FS
Radio/Audio System Circuit Description
Cell 110 Rear Turn, Hazard and Trailer Tow (Underhood Fuse-Relay Center, Convenience Center, Auxiliary Lead)
Cell 110 Front Turn and Hazard Lamps
Ground Distribution Schematics
Radio/Audio System Schematics
Figure 4:

Cell 110 Rear Turn, Hazard and Trailer Tow (Underhood Fuse-Relay Center, Convenience Center, Auxiliary Lead)


Object Number: 299863  Size: FS
Entertainment Components
Radio/Audio System Circuit Description
Cell 110 Rear Turn, Hazard and Trailer Tow (Center High Mounted Stop Lamp, LH Tail/Stop/Turn Lamp, RR Side Marker Lamp)
Power Distribution Schematics
Backup Lamp Schematics
Power Distribution Schematics