GM Service Manual Online
For 1990-2009 cars only
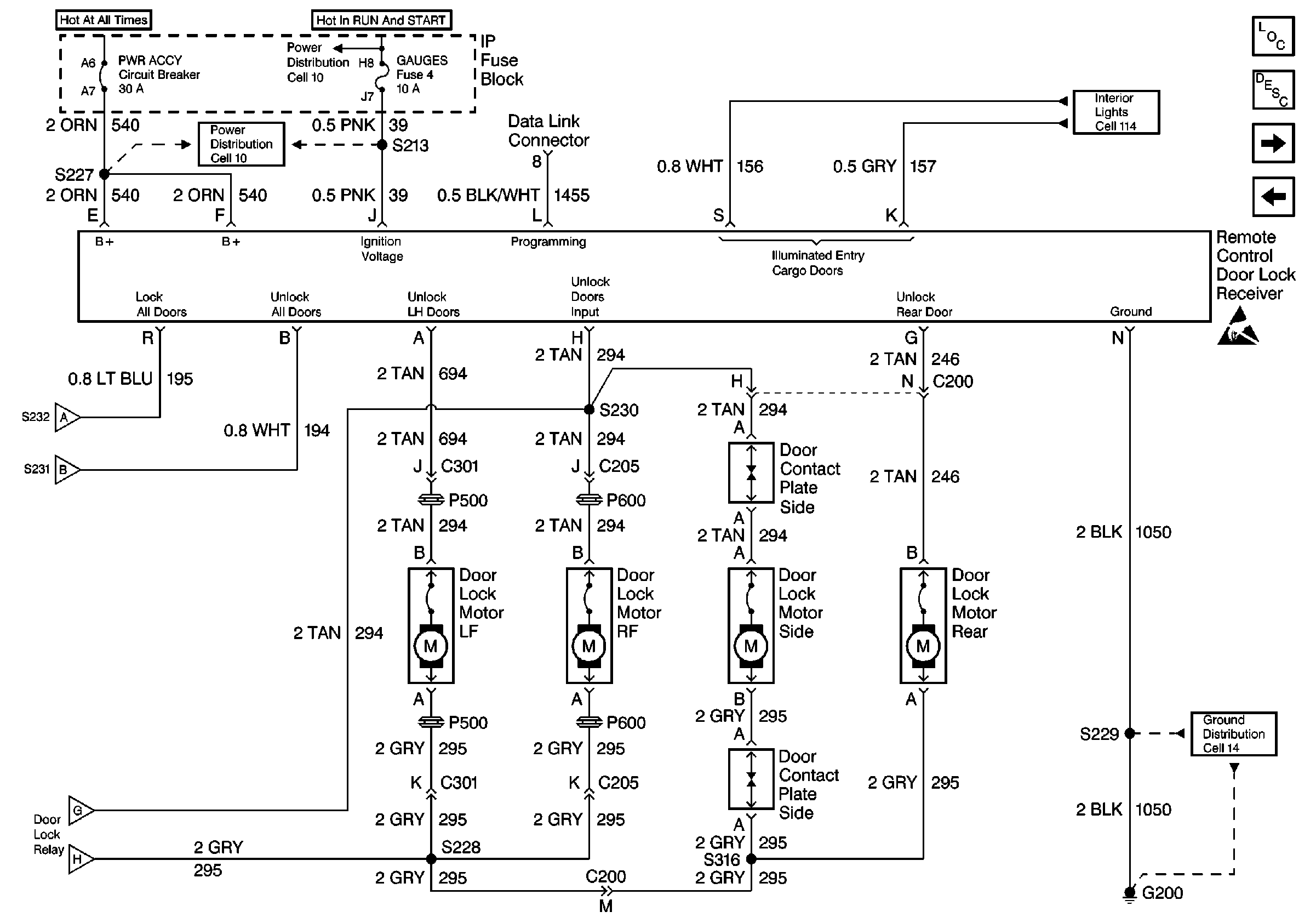
Figure 1:

Cell 132 )IP Fuse Block, Convenience Center, Side Door Jamb Switch)


Object Number: 300334  Size: FS
Cell 132 (IP Fuse Block, LF Door Lock Motor, RF Door Lock Motor, Rear DooR Lock Motor)
Keyless Entry System Circuit Description
Keyless Entry Components
Power Distribution Schematics
Power Distribution Schematics
Ground Distribution Schematics
Handling ESD Sensitive Parts Notice
Interior Lights Schematics
Cell 132 (IP Fuse Block, LF Door Lock Motor, RF Door Lock Motor, Rear DooR Lock Motor)
Cell 132 (IP Fuse Block, LF Door Lock Motor, RF Door Lock Motor, Rear DooR Lock Motor)
Cell 132 (IP Fuse Block, Remote Control Door Lock Receiver, Side Door ConTact Plate)
Cell 132 (IP Fuse Block, Rear Door Lock Motor, Rear Liftgate Release Motor)
Cell 132 (IP Fuse Block, Rear Door Lock Motor, Rear Liftgate Release Motor)
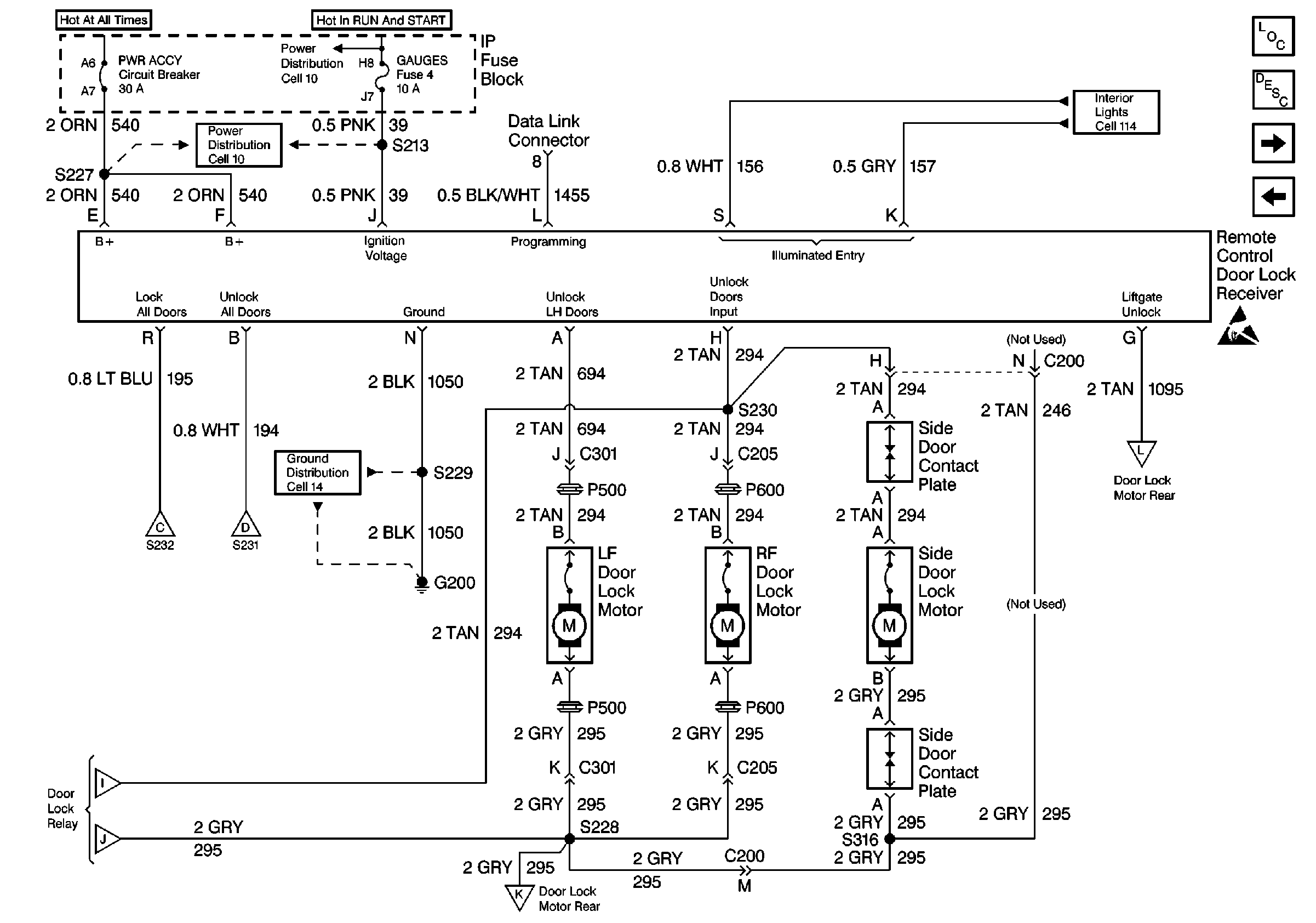
Figure 2:

Cell 132 (IP Fuse Block, LF Door Lock Motor, RF Door Lock Motor, Rear Door Lock Motor)


Object Number: 499628  Size: FS
Interior Lights Schematics
Cell 132 )IP Fuse Block, Convenience Center, Side Door Jamb Switch)
Cell 132 )IP Fuse Block, Convenience Center, Side Door Jamb Switch)
Ground Distribution Schematics
Power Distribution Schematics
Cell 132 (IP Fuse Block, Remote Control Door Lock Receiver, Side Door ConTact Plate)
Cell 132 (IP Fuse Block, Remote Control Door Lock Receiver, Side Door ConTact Plate)
Handling ESD Sensitive Parts Notice
Cell 132 )IP Fuse Block, Convenience Center, Side Door Jamb Switch)
Cell 132 (IP Fuse Block, Rear Door Lock Motor, Rear Liftgate Release Motor)
Keyless Entry System Circuit Description
Keyless Entry Components
Figure 3:

Cell 132 (IP Fuse Block, Rear Door Lock Motor, Rear Liftgate Release Motor)


Object Number: 499632  Size: FS
Power Distribution Schematics
Interior Lights Schematics
Keyless Entry Components
Keyless Entry System Circuit Description
Cell 132 (IP Fuse Block, Remote Control Door Lock Receiver, Side Door ConTact Plate)
Cell 132 (IP Fuse Block, LF Door Lock Motor, RF Door Lock Motor, Rear DooR Lock Motor)
Handling ESD Sensitive Parts Notice
Cell 132 )IP Fuse Block, Convenience Center, Side Door Jamb Switch)
Cell 132 )IP Fuse Block, Convenience Center, Side Door Jamb Switch)
Ground Distribution Schematics
Figure 4:

Cell 132 (IP Fuse Block, Remote Control Door Lock Receiver, Side Door Contact Plate)


Object Number: 363999  Size: FS
Keyless Entry Components
Keyless Entry System Circuit Description
Cell 132 (IP Fuse Block, Rear Door Lock Motor, Rear Liftgate Release Motor)
Power Distribution Schematics
Cell 132 )IP Fuse Block, Convenience Center, Side Door Jamb Switch)
Ground Distribution Schematics
Cell 132 (IP Fuse Block, LF Door Lock Motor, RF Door Lock Motor, Rear DooR Lock Motor)
Cell 132 (IP Fuse Block, LF Door Lock Motor, RF Door Lock Motor, Rear DooR Lock Motor)