GM Service Manual Online
For 1990-2009 cars only
Makes
🢒
Chevrolet
🢒
1998
🢒
Astro - 2WD
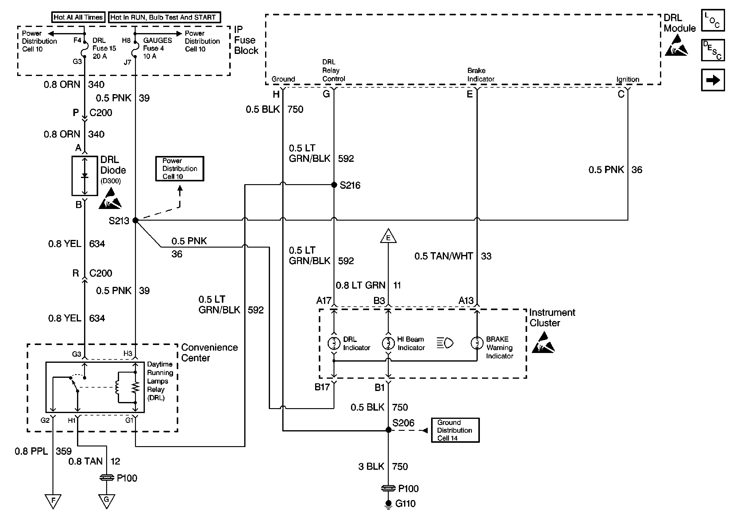
🢒 DRL Relay Control and Ground
DRL Relay Control and Ground
DRL Relay Control and Ground
Lighting Systems Components
Headlights/Daytime Running Lights (DRL) Circuit Description
Headlamp Controls
Handling ESD Sensitive Parts Notice
Handling ESD Sensitive Parts Notice
GAUGES, AIR BAG Fuses
Handling ESD Sensitive Parts Notice
Cell 14 (G110)
CTSY (cont), PK LPS, DRL, SECURITY Fuses
GAUGES, AIR BAG Fuses
Headlamp Controls
Headlamp Controls
Headlamp Controls