GM Service Manual Online
For 1990-2009 cars only
Makes
🢒
Chevrolet
🢒
1998
🢒
Astro - 2WD
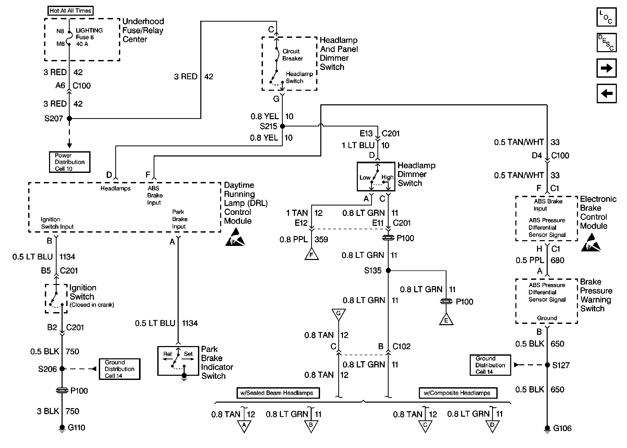
🢒 Headlamp Controls
Headlamp Controls
Headlamp Controls
Lighting Systems Components
Headlights/Daytime Running Lights (DRL) Circuit Description
Headlamps
DRL Relay Control and Ground
Handling ESD Sensitive Parts Notice
Handling ESD Sensitive Parts Notice
B+ Bus
Cell 14 (G110)
Cell 14 (G108, G106, G101)
DRL Relay Control and Ground
DRL Relay Control and Ground
DRL Relay Control and Ground
Headlamps
Headlamps
Headlamps
Headlamps