GM Service Manual Online
For 1990-2009 cars only
Makes
🢒
Chevrolet
🢒
2000
🢒
Astro - 2WD
🢒
Body and Accessories
🢒
Body Control System
🢒 Antilock Brake System Schematics
Figure
1:
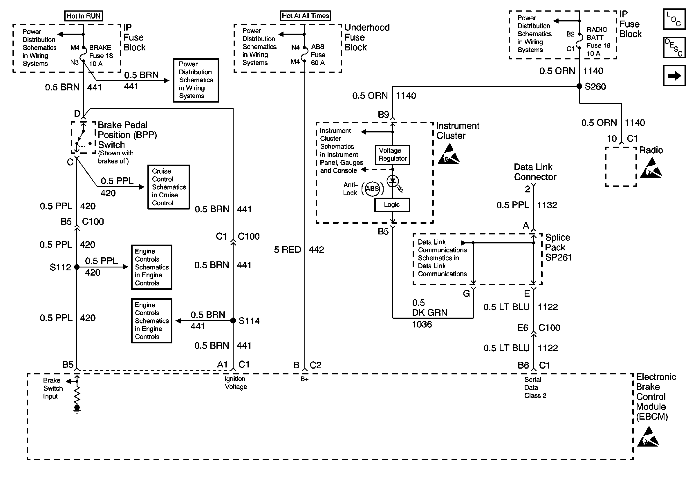
EBCM Power Supply and Communication
ABS Components
ABS Description
EBCM Ground Supply and Controls
HTR-A/C Fuse 12, BRAKE Fuse 18 and CRUISE Fuse 6
Battery, Generator, Starter Solenoid, and Underhood Fuse BLock
CIG LTR Fuse 13, RADIO BATT Fuse 19 and CRANK Fuse 8
Cruise Control Schematics
RADIO BATT Fuse, Data Link, and CRUISE Fuse
Handling ESD Sensitive Parts Notice
Handling ESD Sensitive Parts Notice
Handling ESD Sensitive Parts Notice
Transmission Shift Controls
Power and Ground
Data Link Schematics (1 of 2)
HTR-A/C Fuse 12, BRAKE Fuse 18 and CRUISE Fuse 6
Figure
2:
EBCM Ground Supply and Controls
ABS Components
ABS Description
EBCM Power Supply and Communication
Handling ESD Sensitive Parts Notice
Handling ESD Sensitive Parts Notice
G101, G106 and G302