GM Service Manual Online
For 1990-2009 cars only
Figure 1:

Power Window Switches, Door Lock Switches


Object Number: 635099  Size: FS
Master Electrical Component List
Interior Lighting Systems Description and Operation
Door Jamb Switches
BATT and LIGHTING Fuse
Horns, Interior Lights, Exterior Lights, RKE, Instrument Cluster
Turn Indicators, Front Side Marker Lamps, Park/Turn Signal Lamps
Turn Signals, Tail Stop Lamps, License Lamp, CHMSL
G200
G110 (1 of 2)
G105 and G107
G105 and G107
G105 and G107
Figure 2:

Door Jamb Switches


Object Number: 635100  Size: FS
Master Electrical Component List
Interior Lighting Systems Description and Operation
Vanity Lamps, Inadvertent Power Relay
Power Window Switches, Door Lock Switches
G300, G303, G400 and G404
Figure 3:

Vanity Lamps, Inadvertent Power Relay


Object Number: 635098  Size: FS
Master Electrical Component List
Interior Lighting Systems Description and Operation
Courtesy, Reading, Dome, and Stepwells Lamps
Door Jamb Switches
BATT and LIGHTING Fuse
Courtesy, Reading, Dome, and Stepwells Lamps
Courtesy, Reading, Dome, and Stepwells Lamps
G110 (1 of 2)
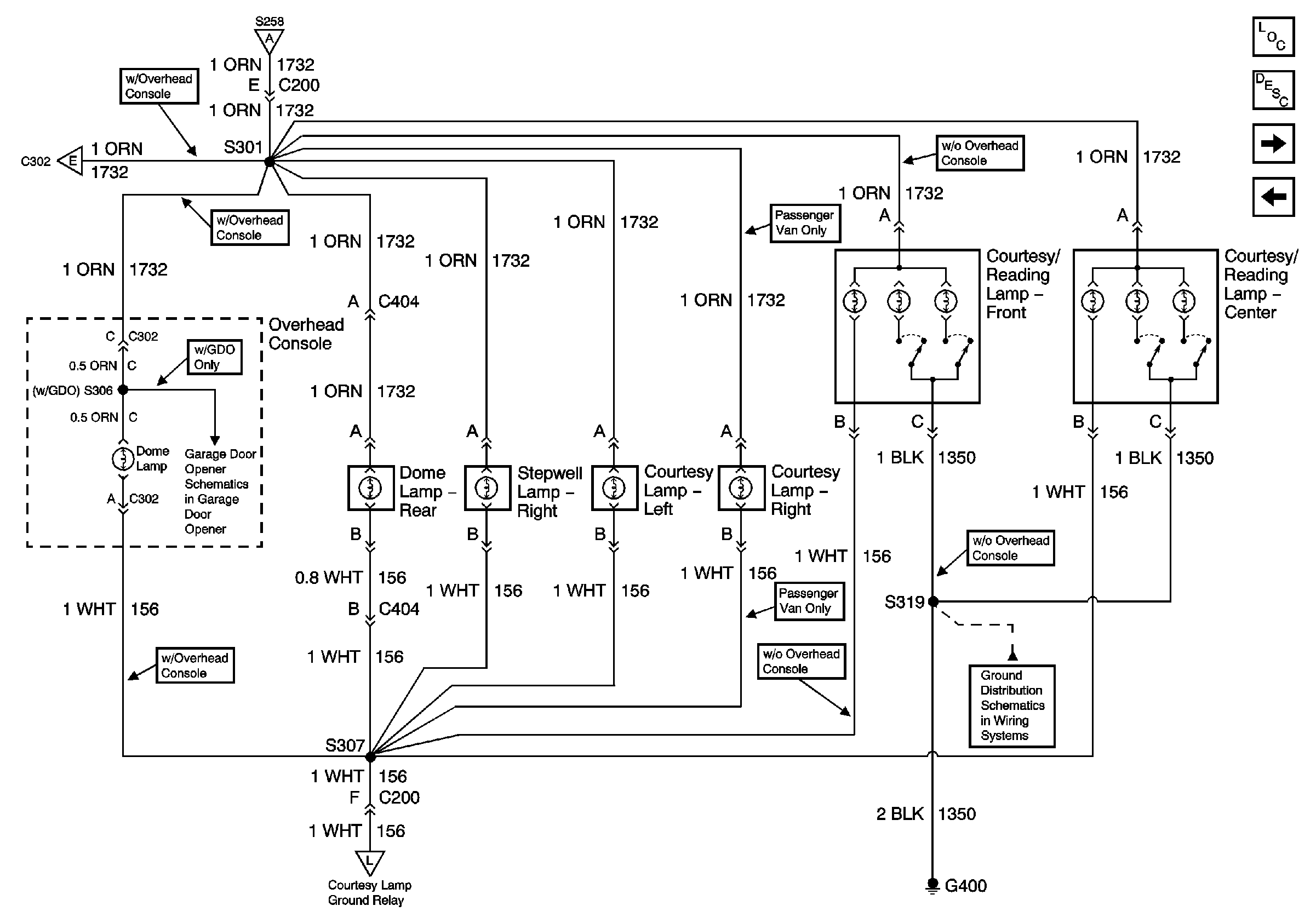
Figure 4:

Courtesy, Reading, Dome, and Stepwell Lamps


Object Number: 635094  Size: FS
Master Electrical Component List
Interior Lighting Systems Description and Operation
Front Door Lamp Options
Vanity Lamps, Inadvertent Power Relay
G200
BATT and LIGHTING Fuse
CTSY Fuse 3, PK LPS Fuse 9, TBC Fuse 15, and PWR MIR Fuse 21
Horns, Interior Lights, Exterior Lights, RKE, Instrument Cluster
Turn Indicators, Front Side Marker Lamps, Park/Turn Signal Lamps
Turn Indicators, Aux T/Sig Lamps, Park/Turn Signal Lamps, Side Marker Lamps
Rear Side Marker Lamps, Tail/Stop/Turn Lamps, CHMSL
Turn Signals, Tail Stop Lamps, License Lamp, CHMSL
G110 (1 of 2)
G105 and G107
G105 and G107
G105 and G107
Figure 5:

Front Door Lamp Options


Object Number: 635097  Size: FS
Master Electrical Component List
Interior Lighting Systems Description and Operation
Courtesy, Reading, Dome, and Stepwells Lamps
Courtesy Lamps, Stepwell Lamp, Dome Lamps
G300, G303, G400 and G404
Courtesy Lamps, Stepwell Lamp, Dome Lamps
Courtesy Lamps, Stepwell Lamp, Dome Lamps
Courtesy Lamps, Stepwell Lamp, Dome Lamps
Courtesy Lamps, Stepwell Lamp, Dome Lamps
Courtesy Lamps, Stepwell Lamp, Dome Lamps