GM Service Manual Online
For 1990-2009 cars only
Makes
🢒
Chevrolet
🢒
2001
🢒
Astro - 2WD
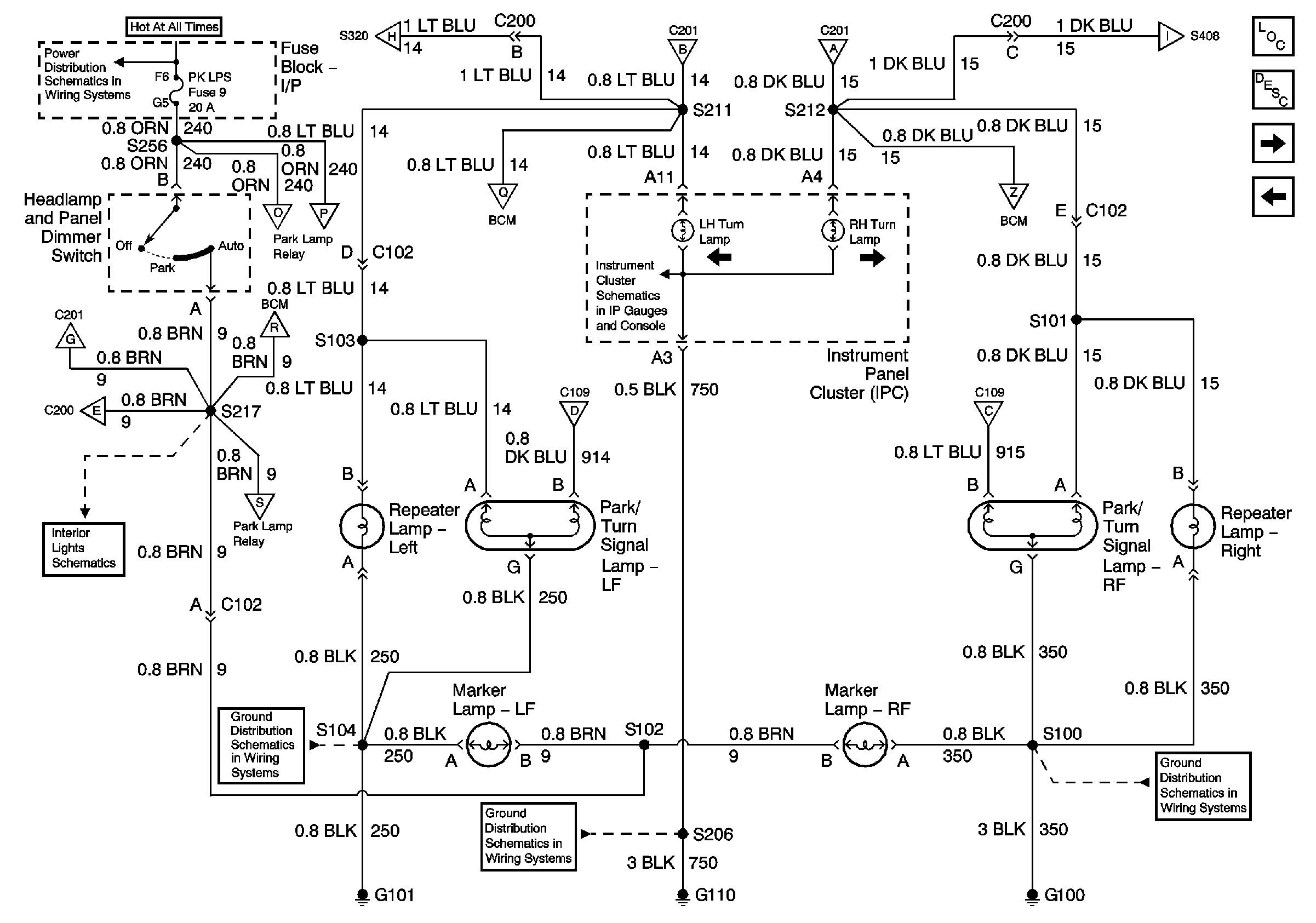
🢒 Turn Indicators, Aux T/Sig Lamps, Park/Turn Signal Lamps, Side Marker Lamps
Turn Indicators, Aux T/Sig Lamps, Park/Turn Signal Lamps, Side Marker Lamps
Turn Indicators, Aux T/Sig Lamps, Park/Turn Signal Lamps, Side Marker Lamps
Master Electrical Component List
Exterior Lighting Systems Description and Operation
Turn Signals, Tail Stop Lamps, License Lamp, CHMSL
Turn/Hazard Switch and Flasher Module
BATT and LIGHTING Fuse
Turn Signals, Tail Stop Lamps, License Lamp, CHMSL
Turn/Hazard Switch and Flasher Module
Turn/Hazard Switch and Flasher Module
Turn Signals, Tail Stop Lamps, License Lamp, CHMSL
Turn/Hazard Switch and Flasher Module
Turn Signals, Tail Stop Lamps, License Lamp, CHMSL
Park Lamp Relay
Park Lamp Relay
Park Lamp Relay
G101, G106 and G302
Park Lamp Relay
Turn/Hazard Switch and Flasher Module
G110 (1 of 2)
RADIO BATT Fuse, Data Link, and CRUISE Fuse
Park Lamp Relay
Turn/Hazard Switch and Flasher Module
G100, G102 and G103
Park Lamp Relay
Park Lamp Relay
Courtesy, Reading, Dome, and Stepwells Lamps